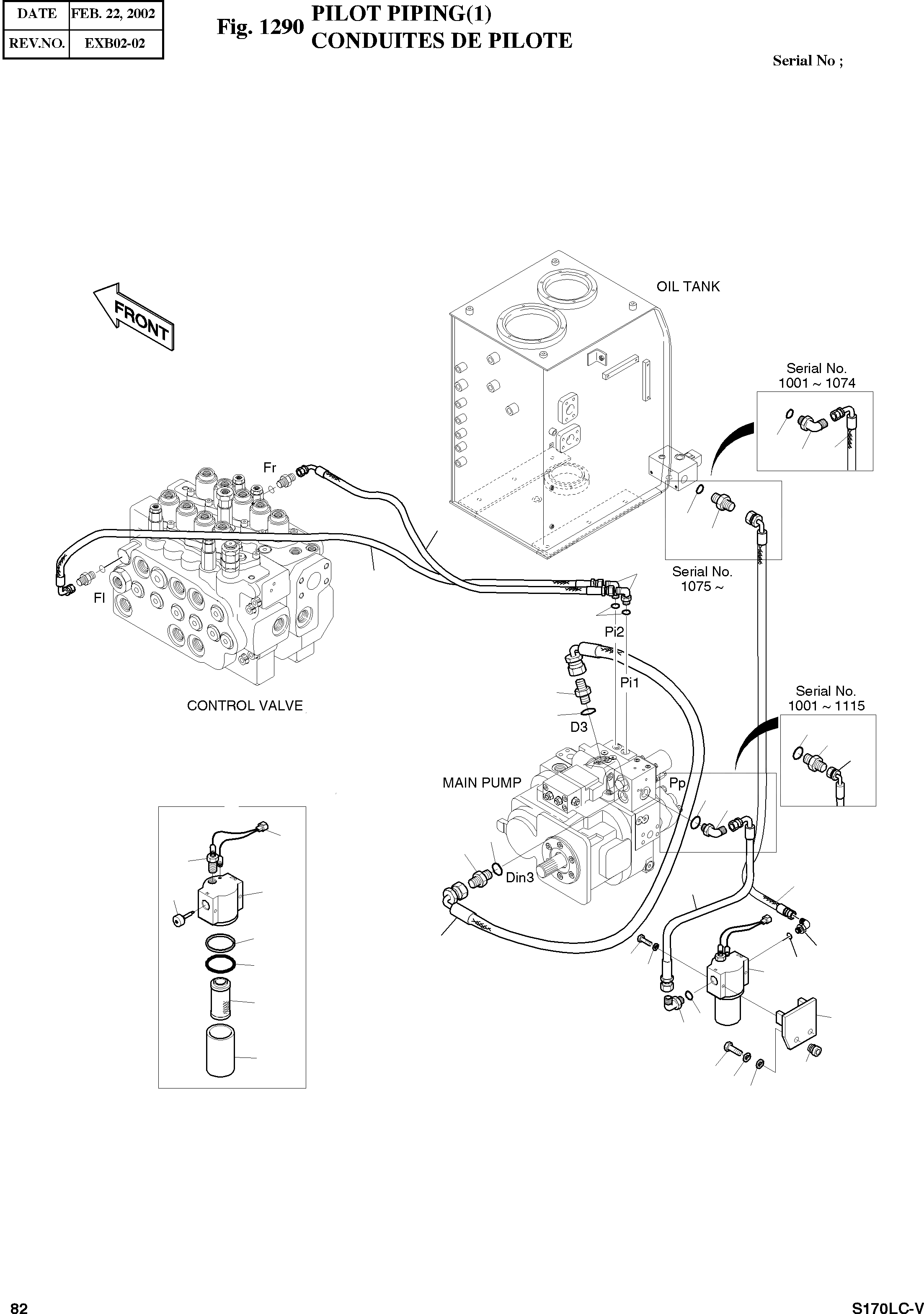
Запчасти Doosan Daewoo PILOT PIPING(1) BODY PARTS

20
32
25
39
20
26
3H
3E
24
40
18
26
20
20
26
31
20
25
3
20
26
32
31
30
25
11
20
10
3
4
20
25
8
9
14
19
3D
3A
3F
3G
3C
3B
FIT
1:1
100%

Артикул

Название

Примечание

Количество

-

400-00152A

PILOT PIPING

SC: D

-2шт.

3

2471-1153

FILTER;PILOT

desc: FILTRE

1шт.

3A

-

HEAD

SC: D

1шт.

3B

2472-7003

CASE

desc: . CARTER

1шт.

3C

2471-1154

ELEMENT

desc: . ELEMENT FILTRANT

1шт.

3D

2426-1237

VALVE;BY-PASS

desc: . CLAPET DE DERIVATION

1шт.

3E

2471-1155

INDICATOR

desc: . INDICATEUR D'ELECTRIQUE

1шт.

3F

Y-3738-04

RING;BACK UP

desc: . JOINT TORIQUE

1шт.

3G

Y-3738-05

O-RING

desc: . JOINT TORIQUE

1шт.

3H

2530-1735

HARNESS;PILOT FILTER

desc: . FAISCEAU

1шт.

4

195-00193A

BRACKET

desc: SUPPORT

1шт.

8

198-00016

RUBBER

desc: CAOUTCHOUC

2шт.

9

S0512353

BOLT M10X1.5X35

desc: BOULON A 6 PANS

2шт.

10

S5102303

WASHER;SPRING M6

desc: RONDELLE ELASTIQUE

2шт.

11

S0553753

BOLT M6X1.0X55

desc: BOULON A 6 PANS

2шт.

14

S5102603

WASHER;SPRING M10

desc: RONDELLE ELASTIQUE

2шт.

18

S8000111

O-RING

desc: JOINT TORIQUE

2шт.

19

2114-1058D33

WASHER

desc: RONDELLE

2шт.

20

S8000181

O-RING

desc: JOINT TORIQUE

6шт.

24

2181-1702D4

ELBOW PFO1/4-PF1/4

desc: COUDE

2шт.

25

2181-1702D2

ELBOW PFO1/2-PF1/2

SERIAL: 1001-1074

3шт.

25

2181-1702D2

ELBOW PFO1/2-PF1/2

SERIAL: 1075-1115

2шт.

25

2181-1702D2

ELBOW PFO1/2-PF1/2

SERIAL: 1116

3шт.

26

2181-1126D6

ADAPTER PFO1/2-PF1/2

SERIAL: 1001-1074

3шт.

26

2181-1126D6

ADAPTER PFO1/2-PF1/2

SERIAL: 1075-1115

4шт.

26

2181-1126D6

ADAPTER PFO1/2-PF1/2

SERIAL: 1116

3шт.

30

2184-1061D323

HOSE PF1/2-800L

desc: TUYAU FLEXIBLE

1шт.

31

2184-1060D25

HOSE PF1/2-330L

desc: TUYAU FLEXIBLE

1шт.

32

2184-1036D131

HOSE PF1/2-670L

SERIAL: 1001-1074

1шт.

32

DS2054223

HOSE PF1/2-600L

SERIAL: 1075

1шт.

39

2184-1046D41

HOSE PF1/4-1385L

desc: TUYAU FLEXIBLE

1шт.

40

2184-1046D169

HOSE PF1/4-1600L

desc: TUYAU FLEXIBLE

1шт.

Выбрано товаров: 32