Запчасти Doosan Daewoo ENGINE CONTROL LEVER BODY PARTS

3
2
33
2
35
3
3
2
1
34
17
11
18
34
17
12
4
5
9
6
8
14
7
9
15
16
10
7
23
24
8
30
12
22
11
12
12
25
15
21
13
20
19
18
17
27
28
9
8
26
29
7
30
32
FIT
1:1
100%

Артикул

Название

Примечание

Количество

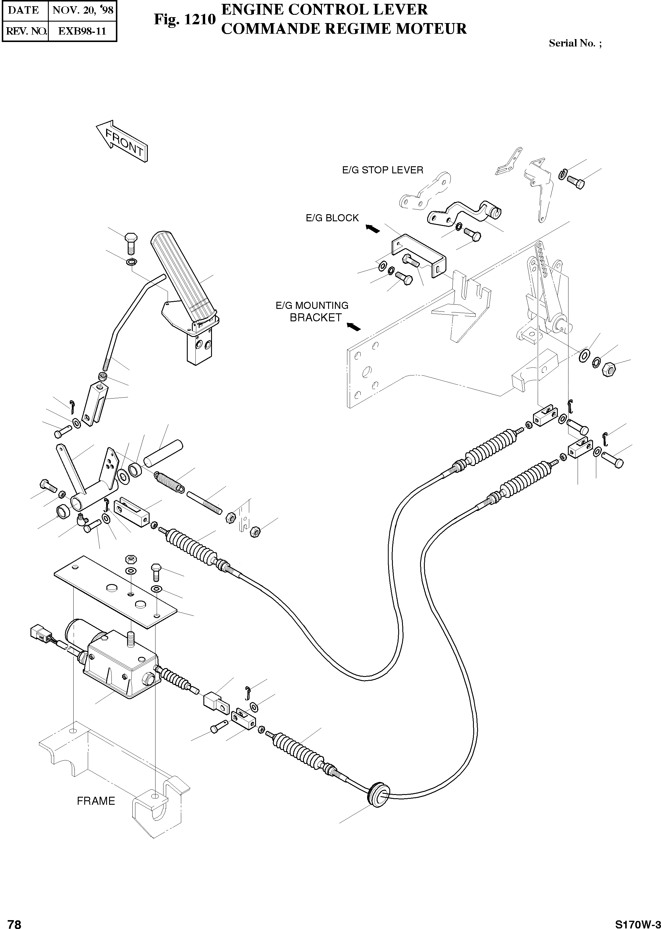
-

2133-1940

ENGINE CONTROL LEVER ASS'Y

desc: COMMANDE REGIME MOTEUR

1шт.

1

2420-9406A

VALVE;PEDAL

SERIAL: 1-401

1шт.

1

2420-9406B

VALVE;PEDAL

SERIAL: 402

1шт.

2

S0504553

BOLT M6X1.0X14

desc: BOULON A 6 PANS

7шт.

3

S5102303

WASHER;SPRING M6

desc: RONDELLE ELASTIQUE

7шт.

4

2136-4010

ROD

desc: TIGE

1шт.

5

S4012333

NUT M6X1.0

desc: ECROU

1шт.

6

2135-1008D3

END;FORK

desc: FOURCHE

1шт.

7

2123-1888

PIN

desc: GOUJON

4шт.

8

S5010313

WASHER;PLAIN M6

desc: RONDELLE

4шт.

9

S5735121

PIN;SPLIT

desc: GOUPILLE FENDUE

4шт.

10

2133-1607

LEVER

desc: LEVIER

1шт.

11

S0512253

BOLT M10X1.5X30

desc: BOULON A 6 PANS

2шт.

12

S4012633

NUT M10X1.5

desc: ECROU M10x1.5

5шт.

13

S6710152

FITTINGGREASE PT1/8.90ЎЈ

desc: GRAISSEUR

1шт.

14

2123-1211D14

PIN

desc: GOUJON

1шт.

15

2109-9019

BEARING;NEEDLE

desc: ROULEMENT A AIGUILLES

2шт.

16

S5011113

WASHER;PLAIN M20

desc: RONDELLE M20

1шт.

17

S5102603

WASHER;SPRING M10

desc: RONDELLE ELASTIQUE

4шт.

18

S0512053

BOLT M10X1.5X25

desc: BOULON A 6 PANS

4шт.

19

2123-1057D6

PIN

desc: GOUJON

1шт.

20

S5010513

WASHER;PLAIN M8

desc: RONDELLE M8

1шт.

21

S5735213

PIN;SPLIT

desc: GOUPILLE FENDUE

1шт.

22

2135-1008D29

END;FORK

desc: FOURCHE

1шт.

23

2129-1039

SPRING

desc: RESSORT

1шт.

24

2136-1362

ROD

desc: TIGE

1шт.

25

2139-1030D5

CABLE;CONTROL

desc: CABLE DE COMMANDE

1шт.

26

2523-9012

MOTOR;DC SERVO

SERIAL: 1-206

1шт.

26

2523-9013

MOTOR;DC SERVO

SERIAL: 207

1шт.

27

2191-4565

PLATE

desc: PLAQUE

1шт.

28

2135-1125A

YOKE

desc: ETRIER

1шт.

29

2139-1030D4

CABLE;CONTROL

desc: CABLE DE COMMANDE

1шт.

30

2135-1008D25

END;FORK

desc: FOURCHE

3шт.

32

2160-1004D20

BUSHING;RUBBER

desc: MANCHON CAOUTCHOUC

1шт.

33

2145-1208

STAY

SERIAL: 1-10

1шт.

33

2145-1208A

STAY

SERIAL: 11

1шт.

34

S5010613

WASHER;PLAIN M10

desc: RONDELLE

2шт.

35

2195-3897

BRACKET

SERIAL: 1-30

1шт.

35

2195-3897A

BRACKET

SERIAL: 31

1шт.

Выбрано товаров: 0