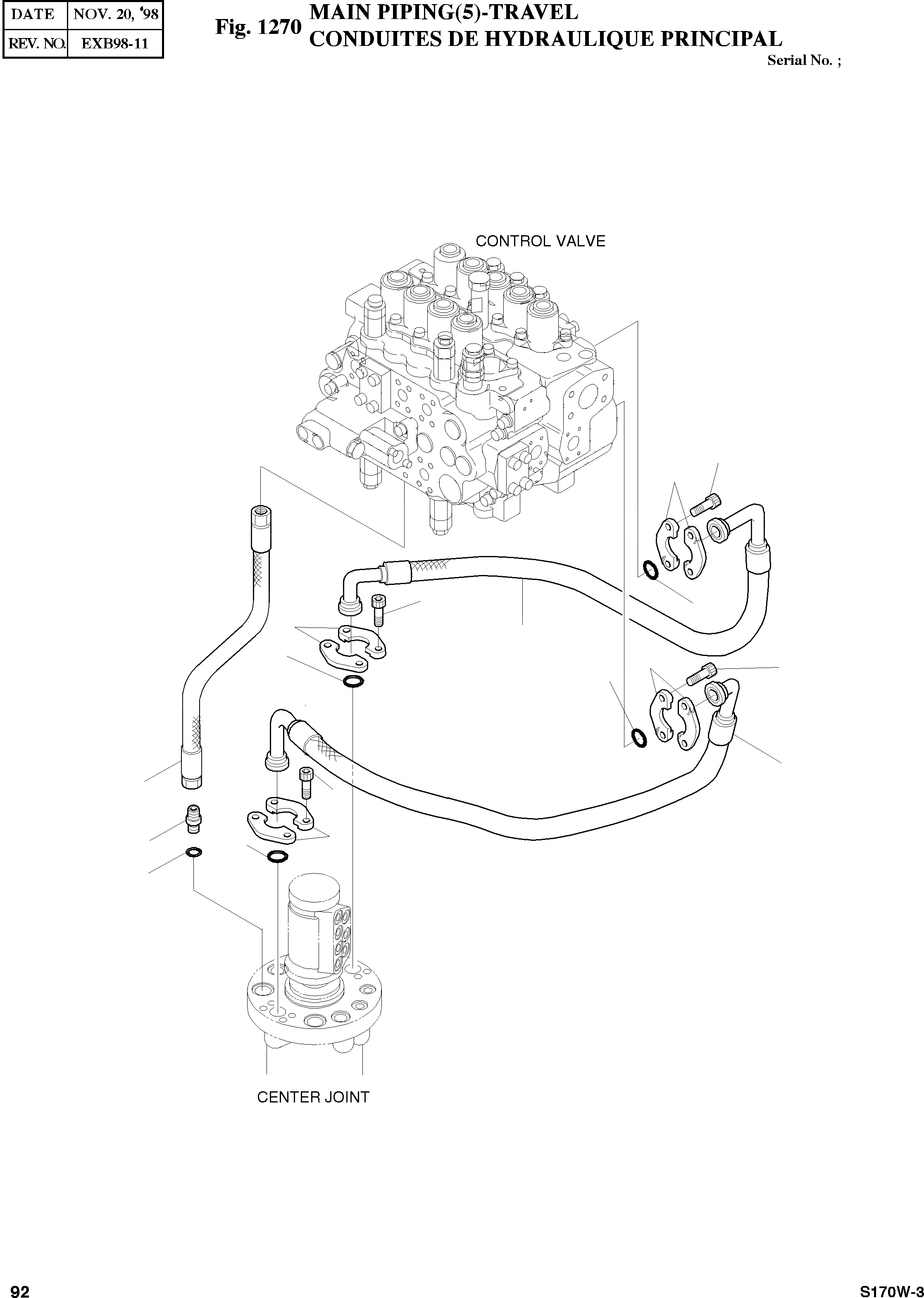
Запчасти Doosan Daewoo MAIN PIPING(5)-TRAVEL BODY PARTS

11
59
21
25
20
29
25
59
11
25
30
54
21
20
43
25
48
FIT
1:1
100%

Артикул

Название

Примечание

Количество

-

2400-1496

MAIN PIPING;TRAVEL

SERIAL: 1-346

1шт.

-

2400-1837

MAIN PIPING;TRAVEL

SERIAL: 347

1шт.

11

S2212261

BOLT;SOCKET M10X1.5X30

desc: BOULON A 6 PANS CREUX

8шт.

20

2181-9084

FLANGE;SPLIT 1"-6000PSI

desc: FLASQUE EN DEUX PARTIES

4шт.

21

S2215461

BOLT;SOCKET M12X1.75X40

desc: BOULON A 6 PANS CREUX

8шт.

25

2180-1026D19

O-RING SAE1"

desc: JOINT TORIQUE

4шт.

29

2184-1124D67

HOSE PF1-1450L

desc: TUYAU FLEXIBLE

1шт.

30

2184-1124D66

HOSE PF1-1450L

desc: TUYAU FLEXIBLE

1шт.

43

2181-1126D1

ADAPTER PFOXPF3/4

desc: RACCORD ADAPTATEUR

1шт.

48

S8000241

O-RING P24

desc: JOINT TORIQUE P24

1шт.

54

2184-1036D67

HOSE PF3/4-1000L

SERIAL: 1-55

1шт.

54

2184-1026D64

HOSE PF3/4-1500L

SERIAL: 56

1шт.

59

2181-9083

FLANGE;SPLIT 1"-5000PSI

desc: FLASQUE EN DEUX PARTIES

4шт.

Выбрано товаров: 13