Запчасти Doosan Daewoo PILOT PIPING(11) BODY PARTS

104
10
9
10
78
12
53
56
55
12
49
11
81
25
24
12
61
25
51
24
9
10
64
FIT
1:1
100%

Артикул

Название

Примечание

Количество

-

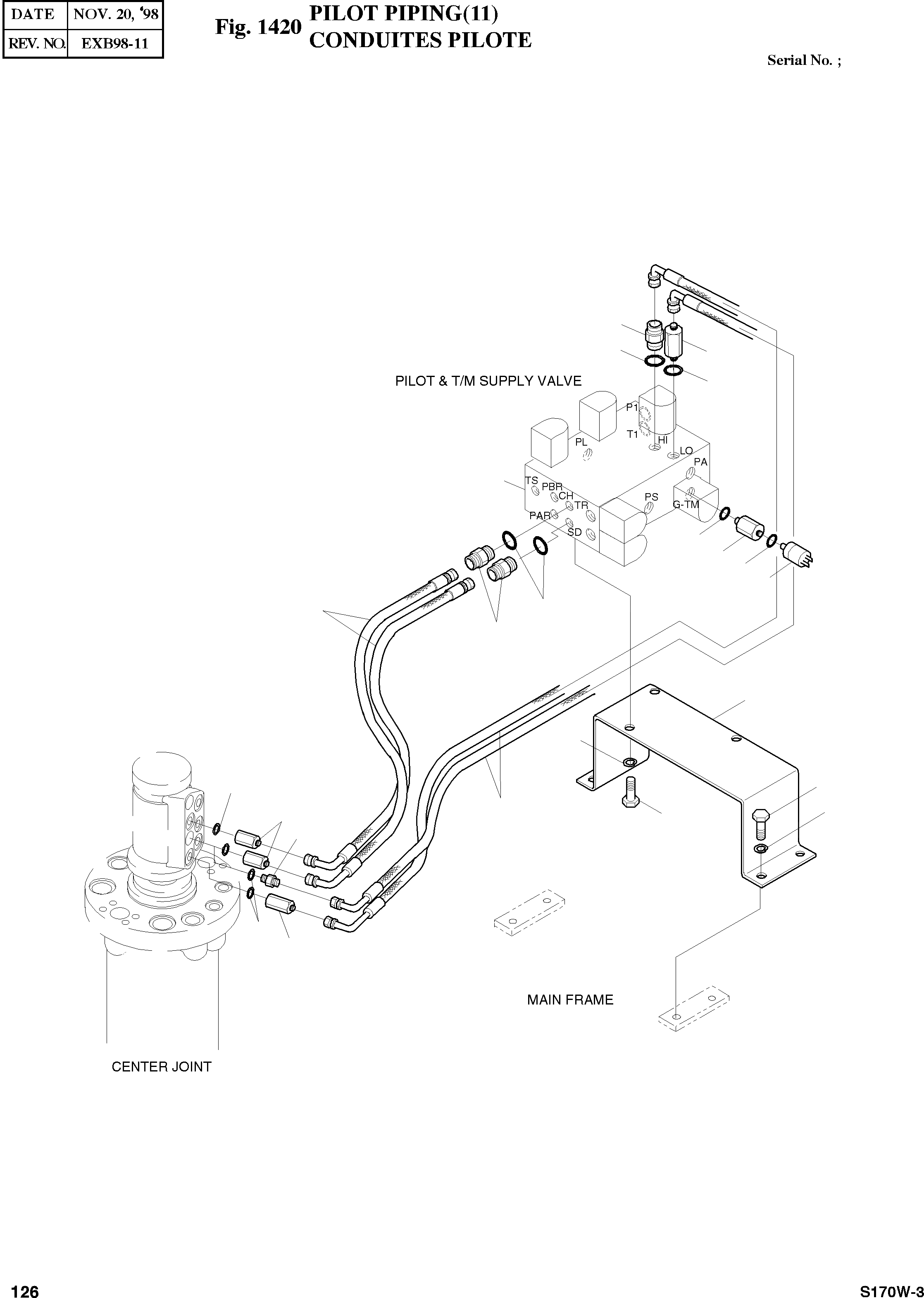
2400-1598

PILOT PIPING

desc: CIRCUIT PILOTE

1шт.

9

2181-1126D7

ADAPTER;S PF.PFO3/8

desc: RACCORD ADAPTATEUR

2шт.

10

S8000141

O-RING P14

REP_PNO: 8202-011

4шт.

11

2181-1126D14

ADAPTER PFO. PF1/4

desc: RACCORD ADAPTATEUR

2шт.

12

S8000111

O-RING P11

REP_PNO: 8202-009

5шт.

24

S0511653

BOLT M10X1.5X16

desc: BOULON A 6 PANS

7шт.

25

S5102603

WASHER;SPRING M10

desc: RONDELLE ELASTIQUE

7шт.

49

2184-1046D157

HOSE PF1/4-800L

desc: TUYAU FLEXIBLE

2шт.

51

2181-1126D34

ADAPTER PFO. PF1/4

desc: RACCORD ADAPTATEUR

2шт.

53

2181-2489

REDUCER PFO1/4-M10X1.0

desc: RACCORD ADAPTATEUR

1шт.

55

2549-1135D3

SWITCH;PRESSURE

SERIAL: 1-381

1шт.

55

2549-1135D6

SWITCH;PRESSURE

SERIAL: 382

1шт.

56

S8180161

PACKING

desc: RONDELLE D'ETANCHEITE

1шт.

61

2184-1096D66

HOSE PF3/8-850L

desc: TUYAU FLEXIBLE

2шт.

64

2181-1126D27

ADAPTER;LONG PFO.PF3/8

desc: RACCORD ADAPTATEUR

1шт.

78

2420-9324

TRANSMISSION & PILOT SUPPLY VALVE

SERIAL: 1-20

1шт.

78

2420-9324A

TRANSMISSION & PILOT SUPPLY VALVE

SERIAL: 21-341

1шт.

78

2420-9324B

TRANSMISSION & PILOT SUPPLY VALVE

SERIAL: 342-361

1шт.

78

2420-9324C

TRANSMISSION & PILOT SUPPLY VALVE

SERIAL: 362

1шт.

81

2195-4699

BRACKET

desc: SUPPORT

1шт.

104

2181-1126D28

ADAPTER PFO-PF3/8

desc: RACCORD ADAPTATEUR

1шт.

Выбрано товаров: 21