Запчасти Doosan Daewoo AIR CLEANER ASSY BODY PARTS

15
3
4
14
5
8
18
20
9
19
8
17
10
11
8
3
3
4
13
4
16
8
7
12
8
1
2
FIT
1:1
100%

Артикул

Название

Примечание

Количество

-

2204-2043

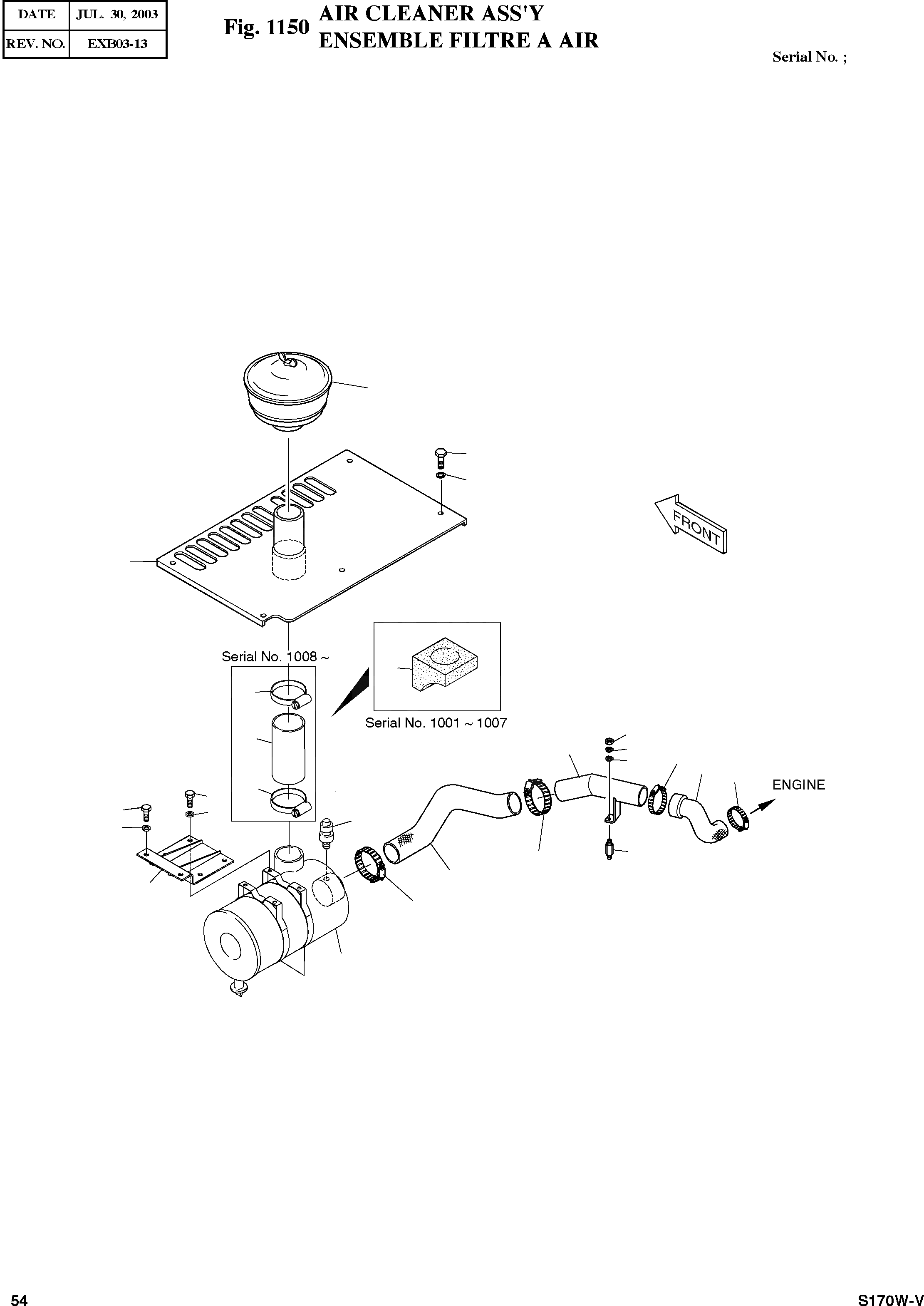
AIR CLEANER ASS'Y

SC: D

-2шт.

1

2204-9039A

CLEANER;AIR

desc: FILTRE A AIR

1шт.

2

2124-1593A

BAND;AIR CLEANER

desc: ATTACHE DE TUYAU

2шт.

3

S0512053

BOLT M10X1.5X25

desc: BOULON A 6 PANS

11шт.

4

2114-1058D10

WASHER

desc: RONDELLE PLATE

11шт.

5

2161-2152A

SPONGE

SERIAL: 1001-1007

1шт.

7

2185-1784

HOSE;AIR

desc: TUYAU FLEXIBLE

1шт.

8

S8450105

CLAMP;HOSE

SERIAL: 1001-1007

3шт.

8

S8450105

CLAMP;HOSE

SERIAL: 1008

5шт.

9

2182-1816

PIPE;HOSE

desc: CONDUITES

1шт.

10

2185-1671A

HOSE;AIR

desc: TUYAU FLEXIBLE

1шт.

11

S8450082

CLAMP;HOSE

desc: COLLIER

1шт.

12

2197-1517

BRACKET

SERIAL: 1001-1164

1шт.

12

2197-1517A

BRACKET

SERIAL: 1165

1шт.

13

2170-9005

INDICATOR

desc: INDICATEUR

1шт.

14

2627-1818A

COVER

SERIAL: 1001-1007

1шт.

14

2627-1818B

COVER

SERIAL: 1008-1070

1шт.

14

2627-1818C

COVER

SERIAL: 1071

1шт.

15

2204-9042

PRE CLEANER

desc: FILTRE A AIR

1шт.

16

2120-2165

BOLT M10X1.25-M10X1.5

desc: BOULON A 6 PANS

1шт.

17

S5010613

WASHER M10

desc: RONDELLE

1шт.

18

S4012633

NUT M10X1.5

desc: ECROU

1шт.

19

S5102603

WASHER;SPRING M10

desc: RONDELLE ELASTIQUE

1шт.

20

185-00020

HOSE;AIR

SERIAL: 1008

1шт.

Выбрано товаров: 24