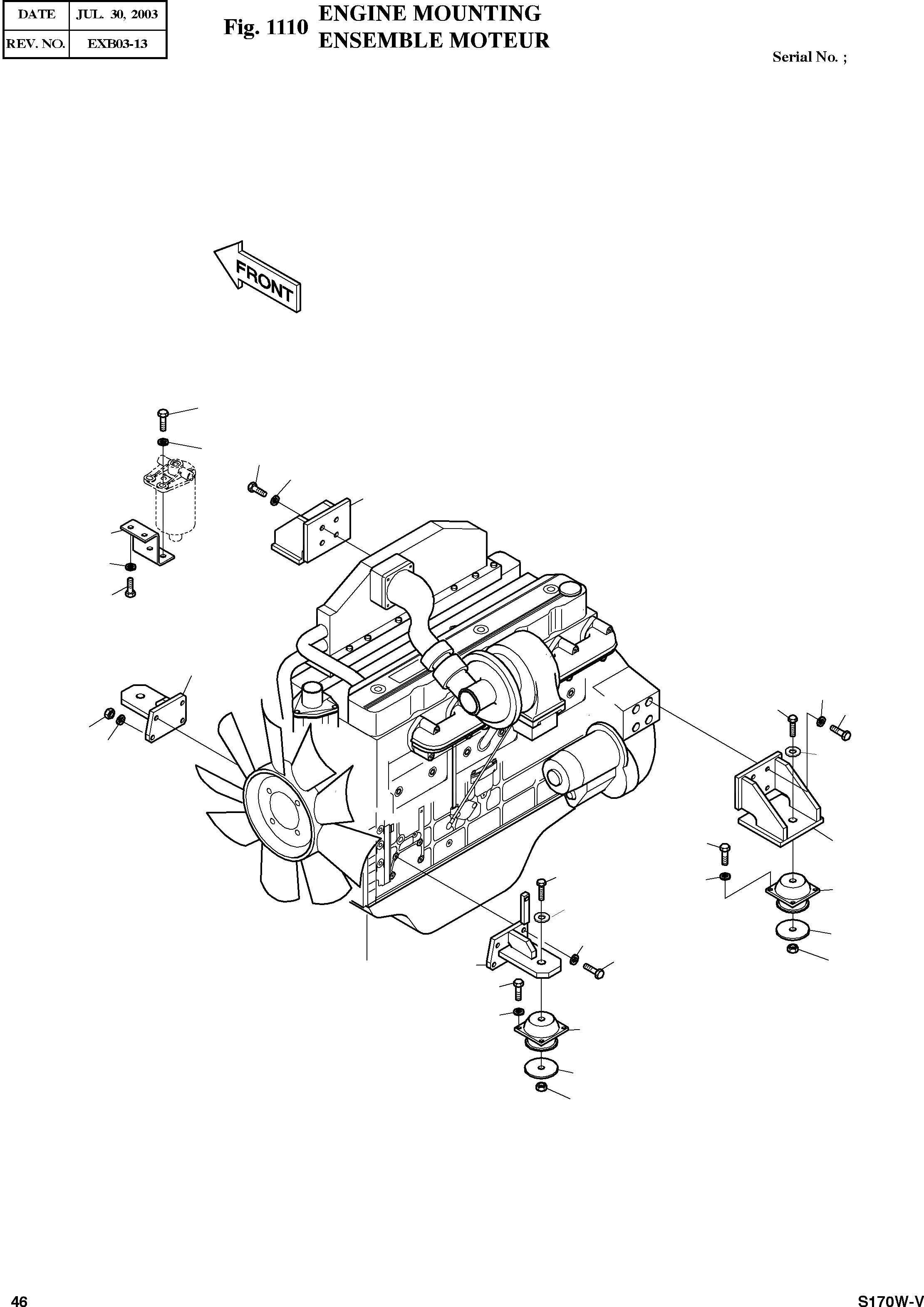
Запчасти Doosan Daewoo ENGINE MOUNTING BODY PARTS

48
42
31
32
30
46
42
35
40
32
37
31
47
11
49
35
29
37
42
33
49
36
11
41
38
39
1
35
42
34
36
38
FIT
1:1
100%

Артикул

Название

Примечание

Количество

-

2201-1097A

ENGINE ASS'Y

SC: D

-2шт.

1

201-00002

ENGINE

desc: MOTEUR

1шт.

11

S5102603

WASHER;SPRING M10

desc: RONDELLE ELASTIQUE

8шт.

29

2197-1399A

BRACKET

desc: SUPPORT

1шт.

30

2197-1400A

BRACKET

desc: SUPPORT

1шт.

31

S0786253

BOLT M12X1.5X30

desc: BOULON A 6 PANS

8шт.

32

S5102703

WASHER;SPRING M12

desc: RONDELLE ELASTIQUE

8шт.

33

2161-9405

RUBBER;ENGINE MOUNTING

desc: CAOUTCHOUC

2шт.

34

2161-9404

RUBBER;ENGINE MOUNTING

desc: CAOUTCHOUC

2шт.

35

S0512053

BOLT M10X1.5X25

desc: BOULON A 6 PANS

16шт.

36

2114-4024A

WASHER;BUMP

desc: RONDELLE

4шт.

37

S0766661

BOLT M16X1.5X120

SERIAL: 1001-1207

4шт.

37

S0766666

BOLT M16X1.5X120

SERIAL: 1208

4шт.

38

121-00035

NUT M16X1.5

desc: ECROU

4шт.

39

2197-1381A

BRACKET

desc: SUPPORT

1шт.

40

2197-1382A

BRACKET

desc: SUPPORT

1шт.

41

S0712253

BOLT M10X1.5X30

desc: BOULON A 6 PANS

7шт.

42

S5010613

WASHER M10

desc: RONDELLE

20шт.

46

2891-1373

PLATE

desc: PLAQUE

1шт.

47

S4032633

NUT M10X1.25

desc: ECROU

1шт.

48

S0512253

BOLT M10X1.25X30

desc: BOULON A 6 PANS

2шт.

49

2114-1816A

WASHER;HARD

SERIAL: 1208

4шт.

Выбрано товаров: 22