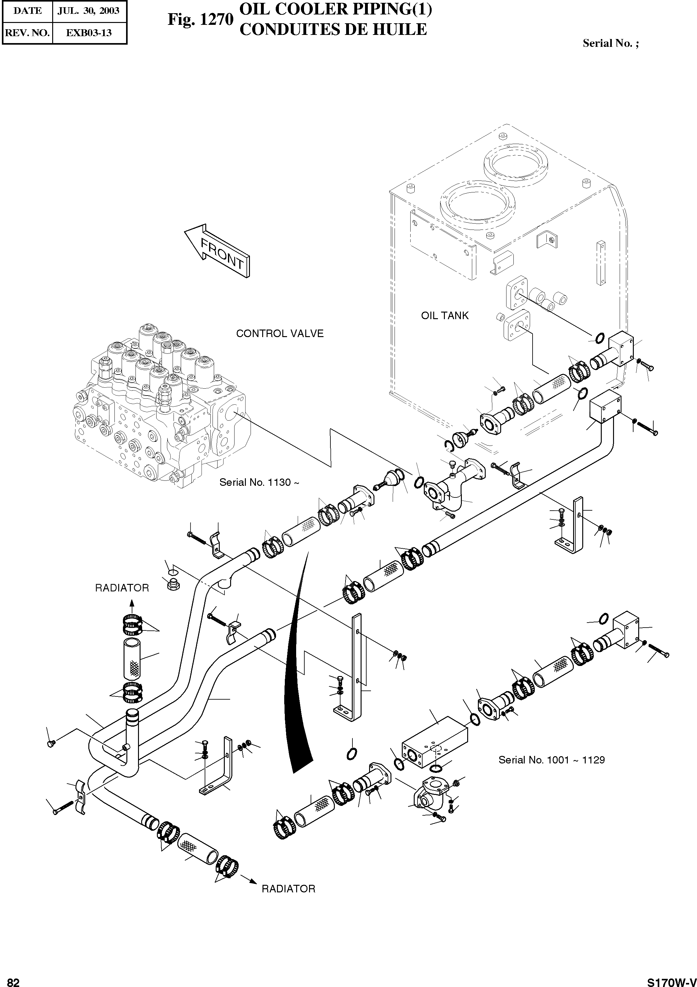
Запчасти Doosan Daewoo OIL COOLER PIPING(1) BODY PARTS

2
18
43
60
10
43
35
35
36
3
36
61
18
19
6
35
39
19
27
31
43
7
19
63
41
28
62
39
31
35
43
33
35
60
38
3
38
43
40
16
10
35
43
26
39
31
18
2
43
43
10
10
35
43
38
36
34
35
40
3
35
29
19
43
38
5
8
4
34
27
35
19
19
34
40
35
19
35
38
38
27
43
32
10
35
39
30
43
34
35
7
34
3
35
34
43
10
43
FIT
1:1
100%

Артикул

Название

Примечание

Количество

-

400-00012A

OIL COOLER PIPING

SERIAL: 1001-1216

-2шт.

-

400-00012B

OIL COOLER PIPING

SERIAL: 1217

-2шт.

2

2140-1186A

PIPE

SERIAL: 1001-1129

1шт.

2

2140-1591

PIPE

SERIAL: 1130

1шт.

3

2140-1448

PIPE

SERIAL: 1001-1129

2шт.

3

2140-1185A

PIPE

SERIAL: 1130

2шт.

4

2140-1622

PIPE

desc: TUYAU

1шт.

5

2140-1623

PIPE

desc: TUYAU

1шт.

6

2140-1618

PIPE

desc: TUYAU

1шт.

7

2140-1468B

PIPE

SERIAL: 1001-1129

1шт.

7

2140-1586

PIPE

SERIAL: 1130

1шт.

8

2420-9591

VALVE;BY-PASS

SERIAL: 1001-1118

1шт.

8

420-00019

VALVE;BY-PASS

SERIAL: 1119-1129

1шт.

10

2185-1776D2

HOSE-200L

SERIAL: 1001-1129

5шт.

10

2185-1776D2

HOSE-200L

SERIAL: 1130

4шт.

16

S8000291

O-RING

desc: JOINT TORIQUE

1шт.

18

2180-1026D28

O-RING

desc: JOINT TORIQUE

2шт.

19

2180-1026D27

O-RING

SERIAL: 1001-1129

4шт.

19

2180-1026D27

O-RING

SERIAL: 1130

3шт.

26

2181-1950D9

PLUG

desc: BOUCHON

1шт.

27

2181-2047

PLUG

desc: BOUCHON

2шт.

28

2197-2023

BRACKET

desc: SUPPORT

1шт.

29

2197-1458A

BRACKET

desc: SUPPORT

1шт.

30

2197-2194

BRACKET

desc: SUPPORT

1шт.

31

2124-1224D2

CLAMP;PIPE

desc: ATTACHE DE TUYAU

3шт.

32

2124-1340D6

CLAMP;PIPE

desc: ATTACHE DE TUBE

1шт.

33

S2215366

BOLT;SOCKET M12X1.75X35

SERIAL: 1130

4шт.

34

S0560553

BOLT M12X1.75X40

SERIAL: 1001-1129

20шт.

34

S0560553

BOLT M12X1.75X40

SERIAL: 1130

4шт.

35

S5102703

WASHER;SPRING M12

SERIAL: 1001-1129

34шт.

35

S5102703

WASHER;SPRING M12

SERIAL: 1130

26шт.

36

S0561253

BOLT M12X1.75X75

desc: BOULON A 6 PANS

8шт.

38

S5010713

WASHER;PLAIN M12

desc: RONDELLE

8шт.

39

S0561353

BOLT M12X1.75X80

desc: BOULON A 6 PANS

4шт.

40

S4012733

NUT M12X1.75

desc: ECROU

3шт.

41

S0515253

BOLT M12X1.75X35

desc: BOULON A 6 PANS

2шт.

43

S8450053

CLAMP;HOSE

desc: COLLIER

20шт.

60

S0560953

BOLT M12X1.75X60

SERIAL: 1130

8шт.

61

420-00350

VALVE;BY-PASS

SERIAL: 1130

1шт.

62

420-00351

VALVE;BY-PASS

SERIAL: 1130

1шт.

63

2185-1776D3

HOSE - 170L

SERIAL: 1130

1шт.

Выбрано товаров: 41