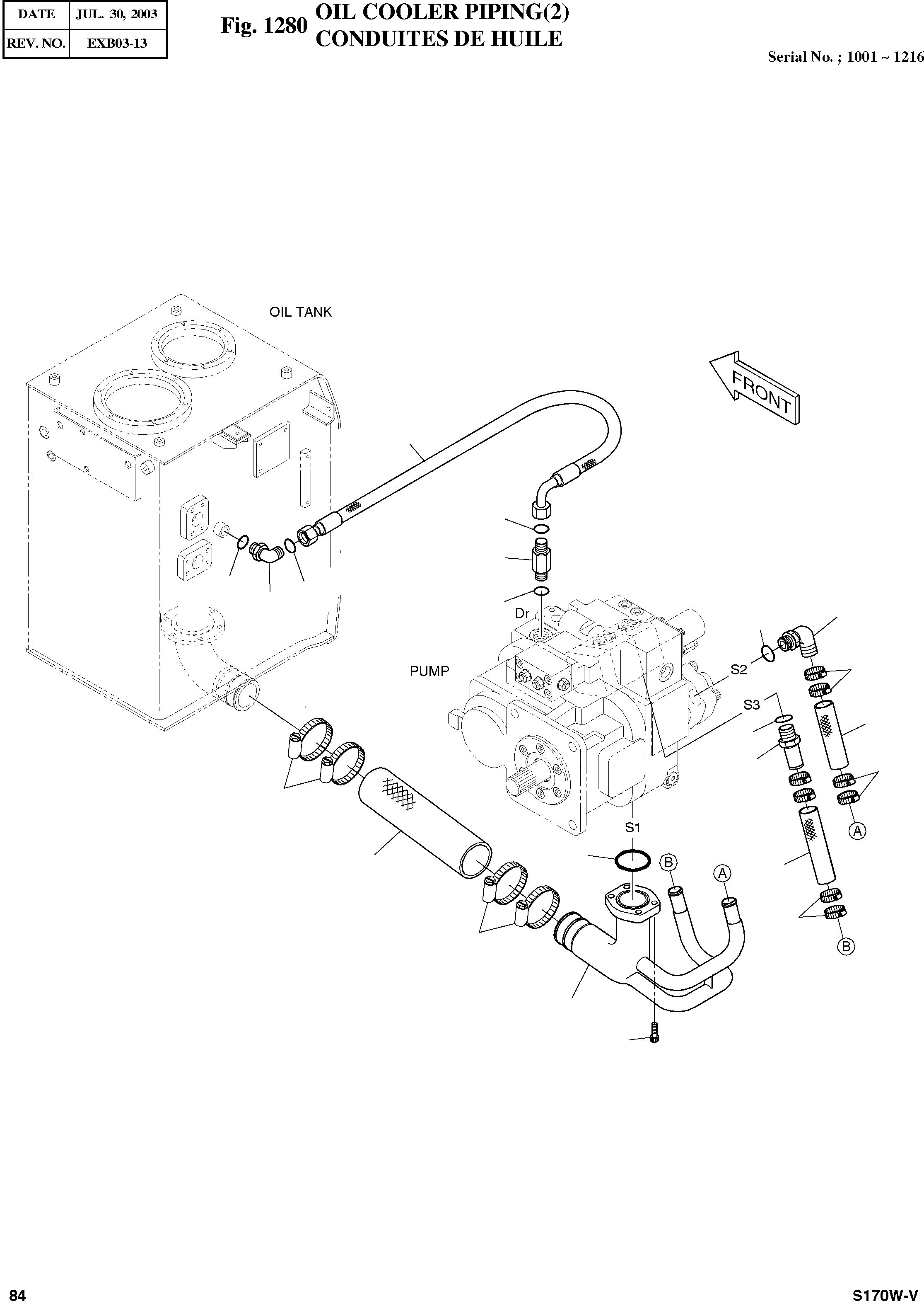
Запчасти Doosan Daewoo OIL COOLER PIPING(2) BODY PARTS

11
59
24
14
59
23
14
42
9
42
1
33
17
46
44
44
13
44
22
16
59
21
FIT
1:1
100%

Артикул

Название

Примечание

Количество

-

400-00012A

OIL COOLER PIPING

SERIAL: 1001-1216

-2шт.

1

140-00006A

PIPE;SUCTION

desc: CONDUITE

1шт.

9

2185-1002D105

HOSE;SUCTION-375L

desc: TUYAU FLEXIBLE

1шт.

11

2184-1197D104

HOSE-750L

desc: TUYAU FLEXIBLE

1шт.

13

2185-1002D133

HOSE-155L

desc: TUYAU FLEXIBLE

1шт.

14

S8030121

O-RING

desc: JOINT TORIQUE

2шт.

16

S8000291

O-RING

desc: JOINT TORIQUE

1шт.

17

2180-1026D31

O-RING

desc: JOINT TORIQUE

1шт.

21

181-00002

ADAPTER PF3/4X1

desc: RACCORD ADAPTATEUR

1шт.

22

181-00003

ELBOW PFO1X1

desc: COUDE

1шт.

23

2181-2628D1

ELBOW PFO3/4-UNF1 3/16

desc: COUDE

1шт.

24

2181-2627D3

ADAPTER PFO3/4-UNF1 3/16

desc: RACCORD ADAPTATEUR

1шт.

33

S2215366

BOLT;SOCKET M12X1.75X35

desc: BOULON A 6 PANS CREUX

4шт.

42

S8450095

CLAMP;HOSE

SERIAL: 1001-1067

4шт.

42

S8450082

CLAMP;HOSE

SERIAL: 1068

4шт.

44

S8450035

CLAMP;HOSE

desc: COLLIER

8шт.

46

2185-1002D134

HOSE-180L

desc: TUYAU FLEXIBLE

1шт.

59

S8000231

O-RING

desc: JOINT TORIQUE

3шт.

Выбрано товаров: 18