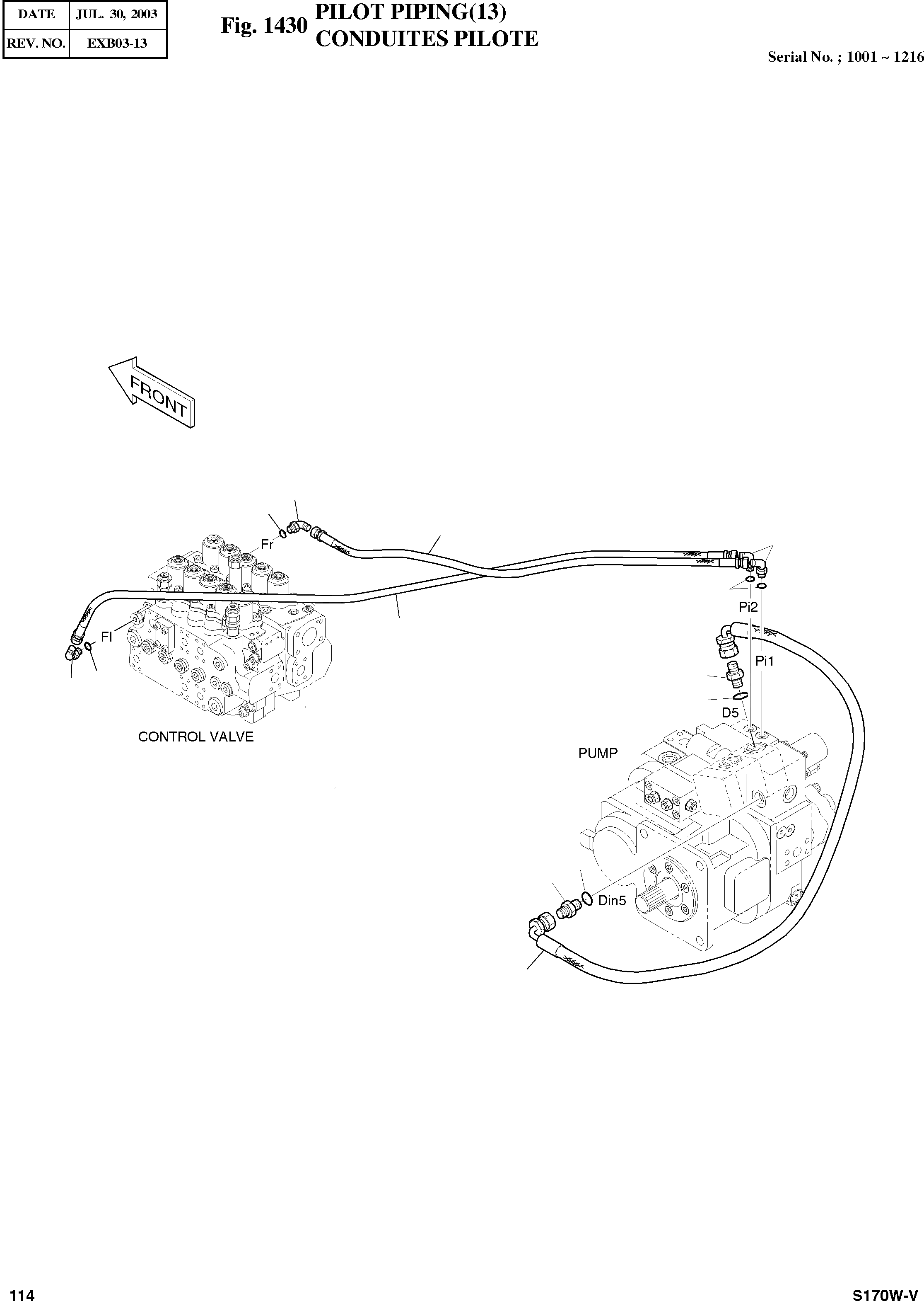
Запчасти Doosan Daewoo PILOT PIPING(13) BODY PARTS

13
133
72
73
133
13
68
21
5
5
21
13
133
FIT
1:1
100%

Артикул

Название

Примечание

Количество

-

400-00014A

PILOT PIPING

SERIAL: 1001-1216

-2шт.

5

S8000181

O-RING

desc: JOINT TORIQUE

2шт.

13

S8000111

O-RING

desc: JOINT TORIQUE

4шт.

21

2181-1126D6

ADAPTER PFO1/2XPF1/2

desc: RACCORD ADAPTATEUR

2шт.

68

2184-1061D323

HOSE PF1/4-800L

desc: TUYAU FLEXIBLE

1шт.

72

2184-1045D209

HOSE PF1/4-1350L

desc: TUYAU FLEXIBLE

1шт.

73

2184-1045D75

HOSE PF1/4-1595L

desc: TUYAU FLEXIBLE

1шт.

133

2181-1702D4

ELBOW PFO-PF1/4

desc: COUDE

4шт.

Выбрано товаров: 8