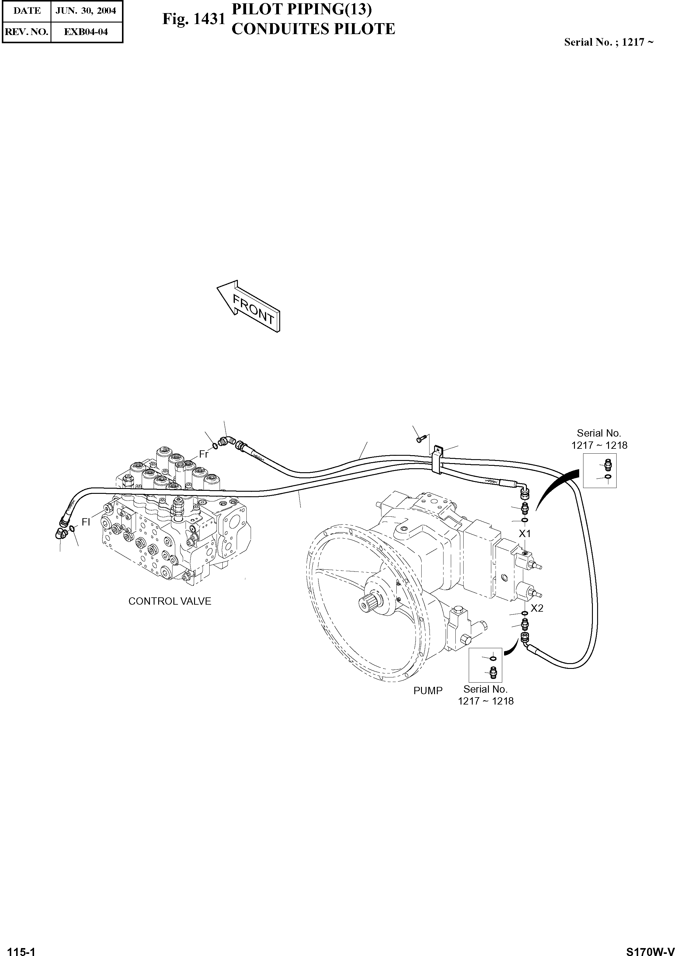
Запчасти Doosan Daewoo PILOT PIPING(13) BODY PARTS

41
40
72
73
133
13
13
133
21
5
33
49
49
33
5
21
FIT
1:1
100%

Артикул

Название

Примечание

Количество

-

400-00014B

PILOT PIPING

SERIAL: 1217-1218

-2шт.

-

400-00014C

PILOT PIPING

SERIAL: 1219

-2шт.

5

S8000181

O-RING

SERIAL: 1217-1218

2шт.

13

S8000111

O-RING

desc: JOINT TORIQUE

2шт.

21

2181-1126D06

ADAPTER

SERIAL: 1217-1218

2шт.

33

2181-1917D5

ADAPTER

SERIAL: 1219

2шт.

40

120-00276

BOLT M8X1.25X12

desc: BOULON A 6 PANS

1шт.

41

124-00208D4

CLIP

desc: ATTACHE

1шт.

49

S8180211

PACKING

SERIAL: 1219

2шт.

72

2184-1046D149

HOSE PF1/4-1800L

desc: TUYAU FLEXIBLE

1шт.

73

2184-1046D73

HOSE PF1/4-1900L

desc: TUYAU FLEXIBLE

1шт.

133

2181-1702D4

ELBOW PFO-PF1/4

desc: COUDE

2шт.

Выбрано товаров: 12