Запчасти Doosan Daewoo OUTRIGGER PIPING-REAR OPTION PARTS-SWING BODY.POWER TRAIN

5
7
5
6
7
6
5
7
6
1
3
2
4
3
7
5
6
4
FIT
1:1
100%

Артикул

Название

Примечание

Количество

-

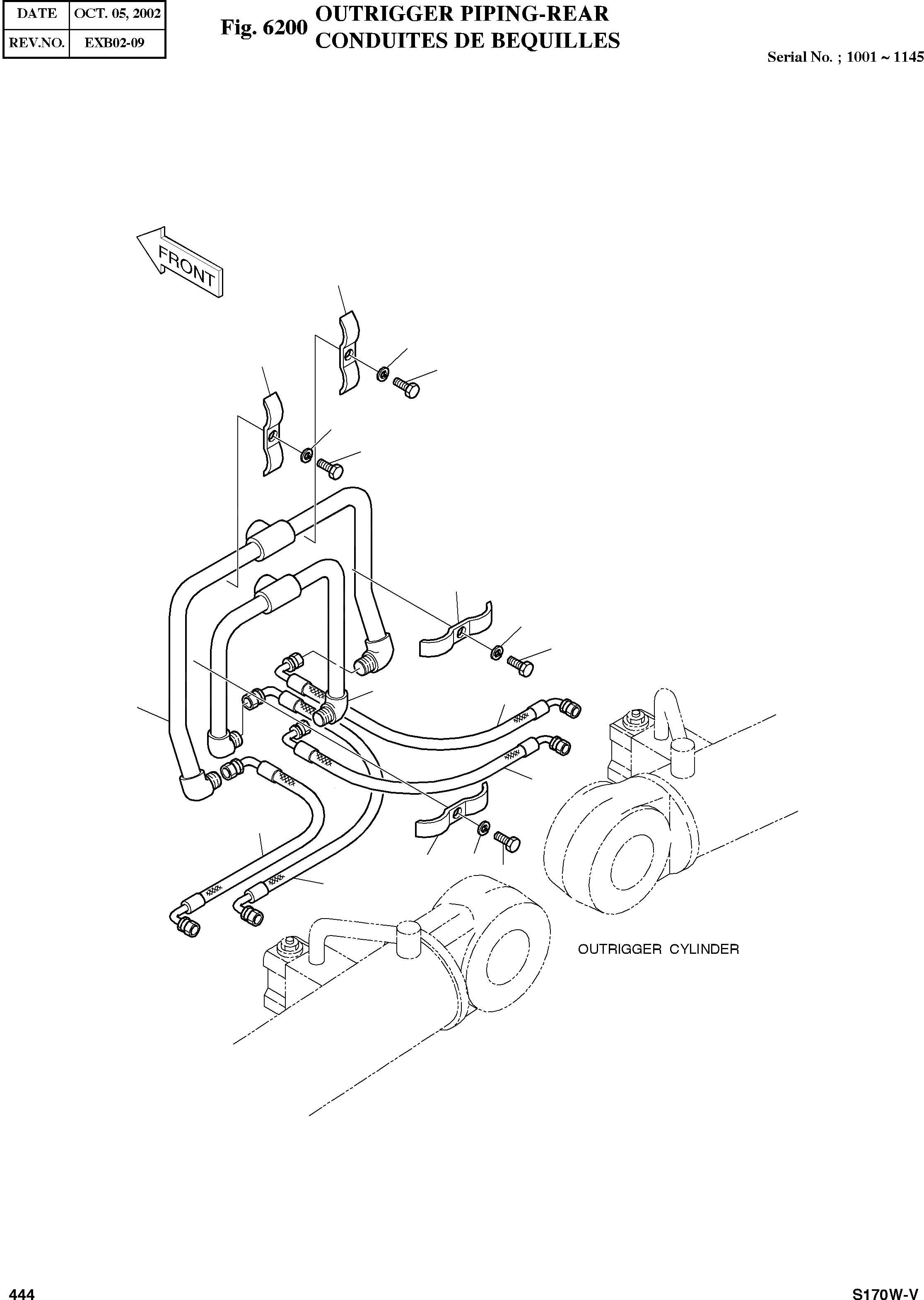
2400-1936

OUTRIGGER PIPING

SERIAL: 1001-1145

-2шт.

1

2140-1616

PIPE

desc: TUYAU

1шт.

2

2140-1617

PIPE

desc: TUYAU

1шт.

3

2184-1096D97

HOSE PF1/2-440L

desc: TUYAU FLEXIBLE

2шт.

4

2184-1096D98

HOSE PF1/2-520L

desc: TUYAU FLEXIBLE

2шт.

5

2124-1025D2

CLAMP

desc: COLLIER

4шт.

6

S0558453

BOLT M10X1.5X45

desc: BOULON A 6 PANS

4шт.

7

S5102603

WASHER;SPRING

desc: RONDELLE ELASTIQUE

4шт.

Выбрано товаров: 8