Запчасти Doosan Daewoo AIRCON UNIT BODY PARTS

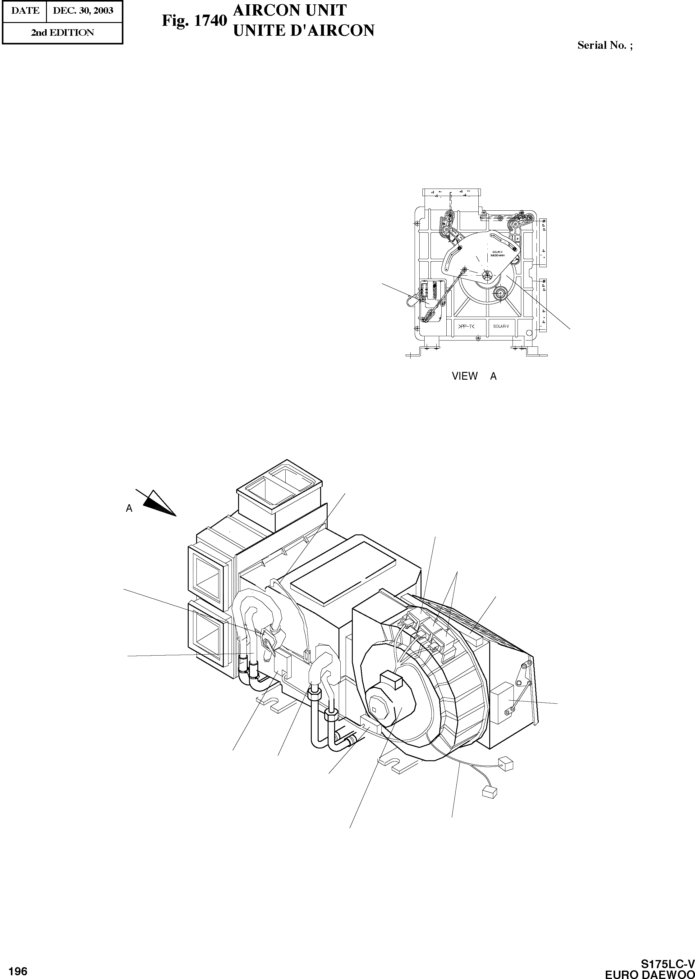
5
13
9
4
3
7
8
12
5
6
11
2
10
1
FIT
1:1
100%

Артикул

Название

Примечание

Количество

-

920-00020B

AIRCON UNIT

desc: CLE A MOLETTE

1шт.

1

2538-6015

MOTOR;BLOWER 24V

desc: MOTEUR

1шт.

2

545-00003

RESISTOR;BLOWER

desc: RESISTOR

1шт.

3

2544-6023

RELAY 10A

desc: RELAIS DEMARREUR

2шт.

4

2544-6024

RELAY 20A

desc: RELAIS DEMARREUR

1шт.

5

2538-6016

MOTOR;INTAKE 24V

desc: MOTEUR

2шт.

6

2538-6017

MOTOR;MIX 12V

desc: MOTEUR

1шт.

7

2471-6050A

FILTER;AIRCON

desc: FILTRE

1шт.

8

2426-6048

VALVE;STEM

desc: VANNE

1шт.

9

2547-6033

SENSOR;TEMPERATURE

desc: CAPTEUR REGIME

1шт.

10

2530-6005A

HARNESS;AIRCON UNIT

desc: FAISCEAU

1шт.

11

2920-6111

EVAPORATOR

desc: CHAUFFAGE

1шт.

12

2920-6112

HEATER CORE

desc: CHAUFFAGE

1шт.

13

133-00161

MAIN LEVER

desc: LEVIER

1шт.

Выбрано товаров: 14