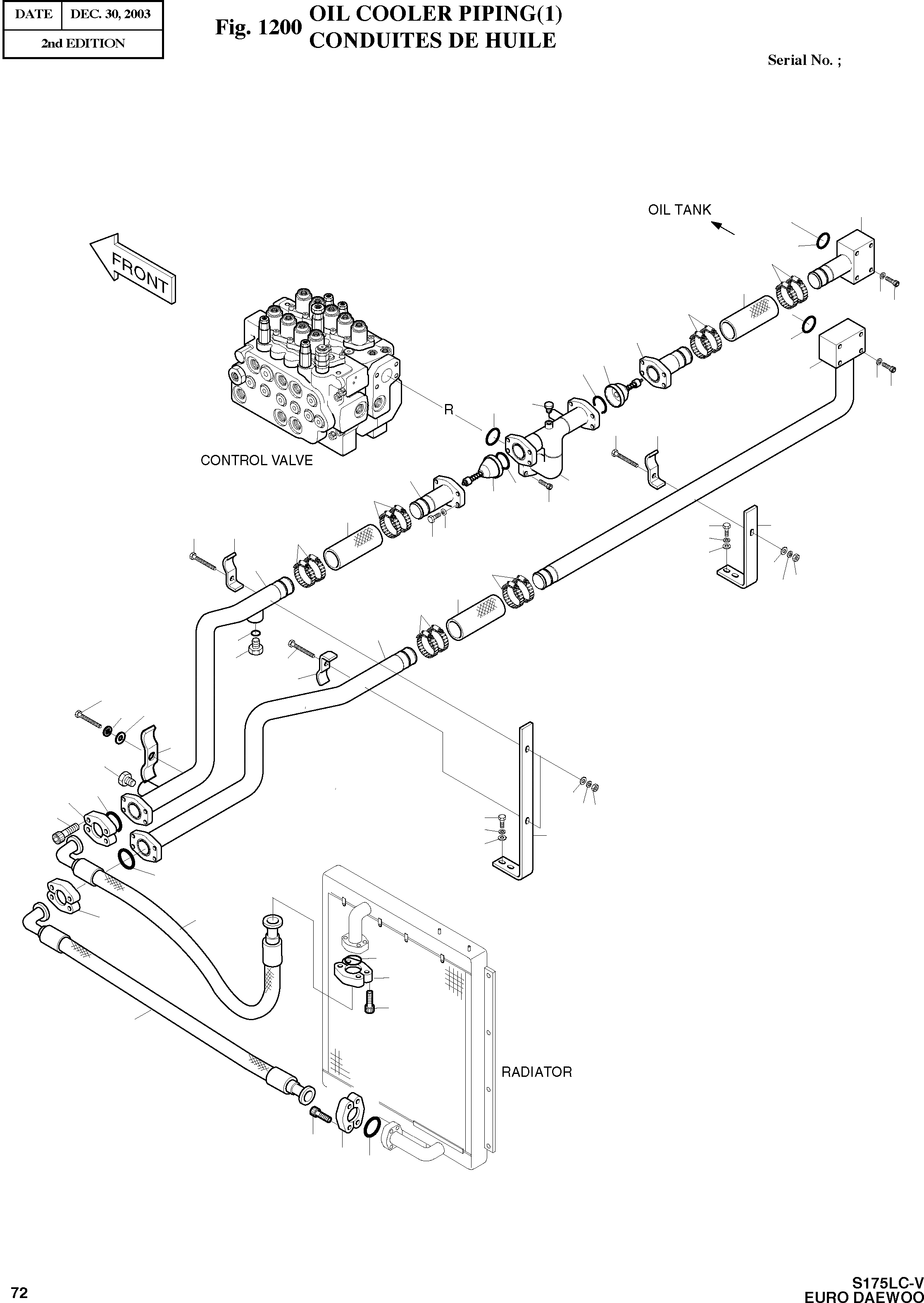
Запчасти Doosan Daewoo OIL COOLER PIPING(1) BODY PARTS

2
32
42
14
37
42
33
3
32
15
34
7
37
33
45
51
39
19
3
4
34
42
16
31
14
38
17
39
19
42
37
37
35
36
5
42
36
40
37
14
42
6
25
43
39
19
39
36
37
44
45
51
50
36
37
31
40
38
37
18
36
51
9
50
51
50
31
9
31
50
51
FIT
1:1
100%

Артикул

Название

Примечание

Количество

-

400-01207

OIL COOLER PIPING

SC: D

-2шт.

2

140-00128

PIPE

desc: TUYAU

1шт.

3

2140-1185A

PIPE

desc: TUYAU

2шт.

4

140-00119

PIPE

desc: TUYAU

1шт.

5

140-00120A

PIPE

desc: TUYAU

1шт.

6

140-00121A

PIPE

desc: TUYAU

1шт.

7

140-01371

PIPE

desc: TUYAU

1шт.

9

2184-1100D205

HOSE-730L

desc: TUYAU FLEXIBLE

2шт.

14

2185-1776D2

HOSE-200L

desc: TUYAU FLEXIBLE

3шт.

15

2420-1125B

VALVE;BY-PASS 4.5K

desc: VANNE

1шт.

16

2420-1124B

VALVE;BY-PASS 3.0K

desc: VANNE

1шт.

17

195-00164

PLATE

desc: PLAQUE

1шт.

18

195-00165

PLATE

desc: PLAQUE

1шт.

19

2124-1224D2

CLAMP

desc: ATTACHE

3шт.

25

S8000291

O-RING

desc: JOINT TORIQUE

1шт.

31

S2215366

BOLT;SOCKET M12X1.75X35

desc: BOULON DE PLOT

20шт.

32

2180-1026D28

O-RING

desc: JOINT TORIQUE

2шт.

33

S0561253

BOLT M12X1.75X35

desc: BOULON

8шт.

34

2180-1026D27

O-RING

desc: JOINT TORIQUE

2шт.

35

S0560953

BOLT M12X1.75X60

desc: BOULON

8шт.

36

S5010713

WASHER;PLAIN M12

desc: RONDELLE PLATE

8шт.

37

S5102703

WASHER;SPRING M12

desc: RONDELLE ELASTIQUE

24шт.

38

S0515353

BOLT M12X1.75X35

desc: BOULON

4шт.

39

S0561353

BOLT M12X1.75X80

desc: BOULON

4шт.

40

S4012733

NUT M12X1.75

desc: ECROU

3шт.

42

S8470075

CLAMP

desc: ATTACHE

12шт.

43

2181-1950D9

PLUG

desc: BOUCHON

1шт.

44

2124-1340D6

CLAMP

desc: ATTACHE

1шт.

45

2181-2047A

PLUG

desc: BOUCHON

2шт.

50

4215-1003D5

FLANGE;SPLIT

desc: BRIDE

8шт.

51

2180-1026D28

O-RING

desc: JOINT TORIQUE

5шт.

Выбрано товаров: 31