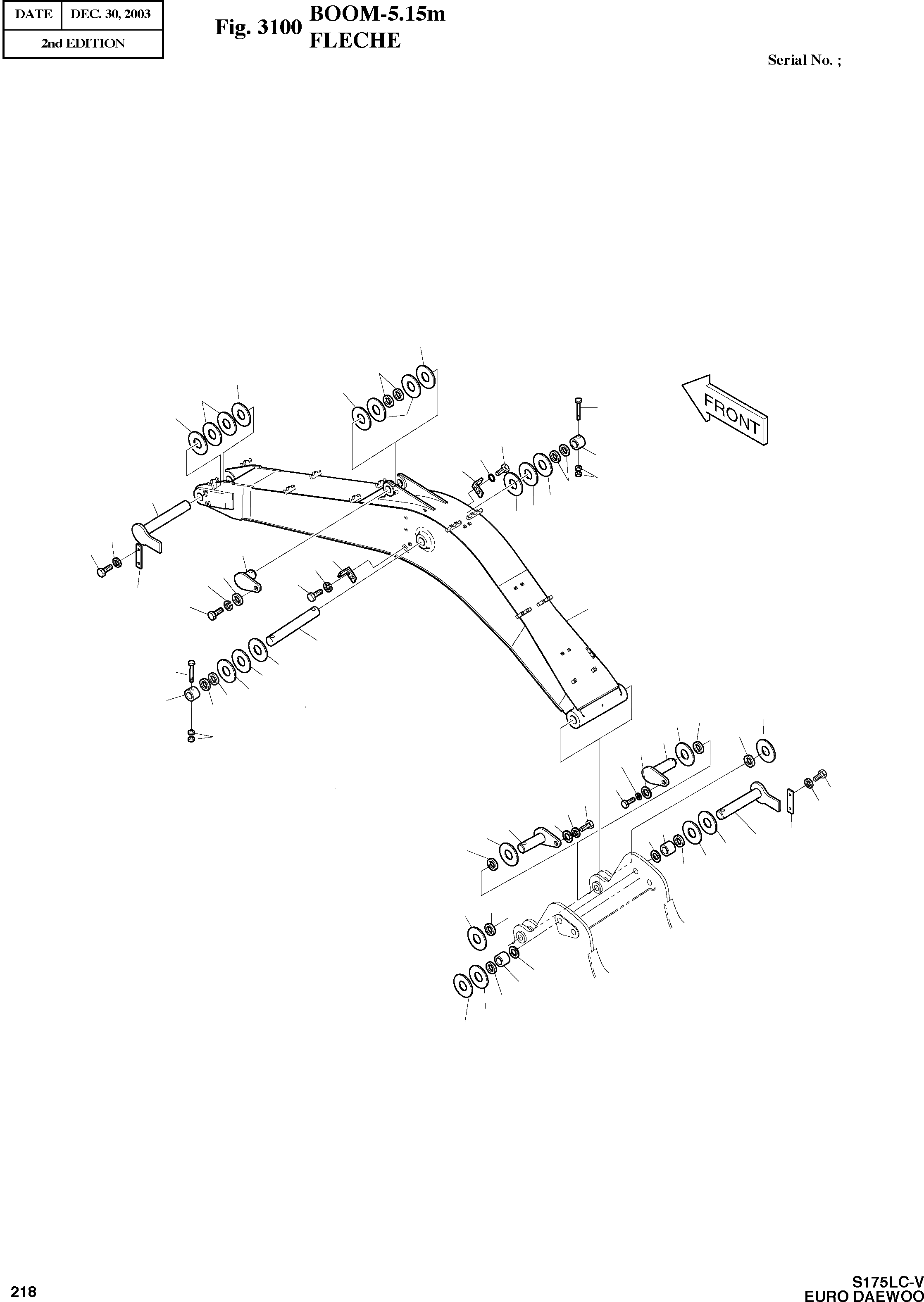
Запчасти Doosan Daewoo BOOM-5.15M FRONT PARTS

14
11
22
14
12
8
22
13
20
21
7
19
9
11
5
13
23
24
18
6
17
19
21
16
20
18
15
17
1
4
24
8
23
13
7
11
14
11
11
13
11
3
9
16
18
17
17
17
18
18
16
3
13
15
2
11
22
12
10
14
11
10
12
22
1C
1B
1B
1C
FIT
1:1
100%

Артикул

Название

Примечание

Количество

-

2701-1688

BOOM ASS'Y-5.15m

SC: D

-2шт.

1

2701-1689

BOOM SUB ASS'Y-5.15m

desc: ENSEMBLE FLECHE

1шт.

1B

2110-1434

BUSHING

desc: . DOUILLE

2шт.

1C

2180-1106BD24

SEAL;DUST

desc: . PARE-POUSSIERES

2шт.

2

2123-2017E

PIN

desc: GOUPILLE

1шт.

3

2123-2015C

PIN

desc: GOUPILLE

2шт.

4

2123-2013A

PIN

desc: GOUPILLE

1шт.

5

2123-2012G

PIN

desc: GOUPILLE

1шт.

6

2123-2441

PIN

desc: GOUPILLE

1шт.

7

2116-1532A

STOPPER

desc: TAQUET D'ARRET

2шт.

8

S0566966

BOLT M16X2.0X130

desc: BOULON A 6 PANS

2шт.

9

S4012933

NUT M16X2.0

desc: ECROU

4шт.

10

2180-1106BD24

SEAL;DUST

desc: PARE-POUSSIERES

2шт.

11

2180-1106BD4

SEAL;DUST

desc: PARE-POUSSIERES

10шт.

12

2114-1059D109

SHIM

desc: CALE

4шт.

13

2114-1059D127

SHIM

desc: CALE

8шт.

14

2114-1059D129

SHIM

desc: CALE

6шт.

15

2191-2205D10

PLATE;STOPPER

desc: PLAQUE

2шт.

16

2116-1060D6

STOPPER

desc: TAQUET D'ARRET

3шт.

17

S0521356

BOLT M16X2.0X35

desc: BOULON A 6 PANS

7шт.

18

S5102903

WASHER;SPRING M16

desc: RONDELLE ELASTIQUE

7шт.

19

2195-2394B

BRACKET

desc: SUPPORT

2шт.

20

S0515053

BOLT M12X1.75X25

desc: BOULON A 6 PANS

4шт.

21

S5102703

WASHER;SPRING M10

desc: RONDELLE ELASTIQUE

4шт.

22

2114-1059D110

SHIM

desc: CALE

4шт.

23

2114-1059D253

SHIM

desc: CALE

2шт.

24

2114-1059D254

SHIM

desc: CALE

2шт.

Выбрано товаров: 27