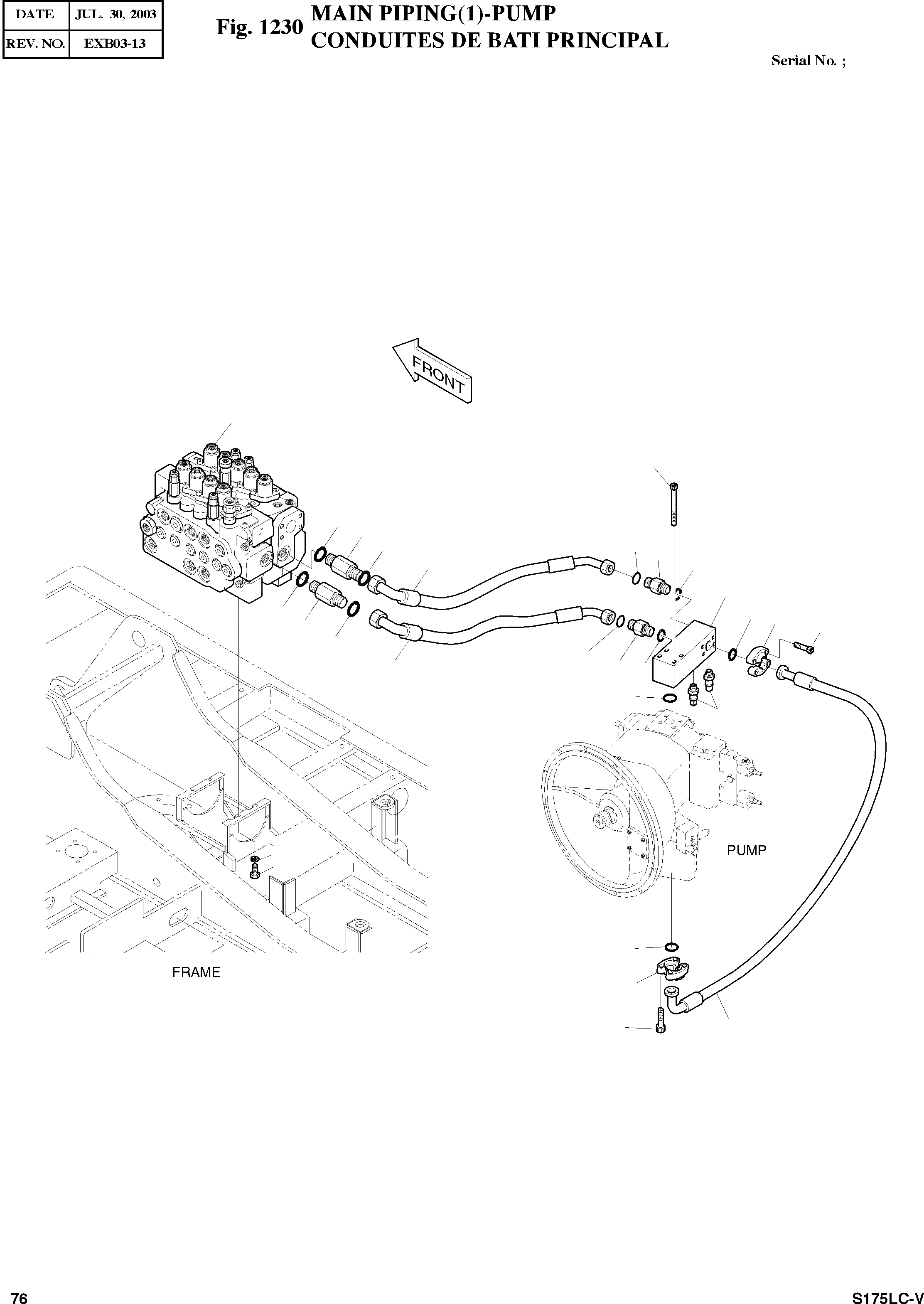
Запчасти Doosan Daewoo MAIN PIPING(1)-PUMP BODY PARTS

1
51
38
49
29
29
39
38
13
32
23
38
25
26
48
29
29
39
14
38
30
34
19
18
30
52
50
12
FIT
1:1
100%

Артикул

Название

Примечание

Количество

-

400-01208

MAIN PIPING

SC: D

-2шт.

1

426-E0060B

VALVE;CONTROL

SERIAL: 1001-1029

1шт.

1

426-E0060C

VALVE;CONTROL

SERIAL: 1030

1шт.

12

DS2040360

HOSE PF2 3/4-1050L

desc: TUYAU FLEXIBLE

1шт.

13

DS2021058

HOSE PF3/4-1020L

desc: TUYAU FLEXIBLE

1шт.

14

DS2021059

HOSE PF3/4-1000L

desc: TUYAU FLEXIBLE

1шт.

18

S0515353

BOLT M12X1.75X35

desc: BOULON

4шт.

19

S5102703

WASHER;SPRING M12

desc: RONDELLE ELASTIQUE

4шт.

23

2180-1026D2

O-RING

desc: JOINT TORIQUE

1шт.

25

2181-9079

FLANGE;SPLIT

desc: BRIDE

6шт.

26

S2212266

BOLT;SOCKET M10X1.5X30

desc: BOULON DE PLOT

12шт.

29

S8030121

O-RING

desc: JOINT TORIQUE

4шт.

30

2180-1026D19

O-RING

desc: JOINT TORIQUE

2шт.

32

423-00175B

BLOCK

desc: BLOC

1шт.

34

2547-9045

SENSOR;PRESSURE

desc: CAPTEUR

2шт.

38

S8000231

O-RING

desc: JOINT TORIQUE

4шт.

39

2181-2627D1

ADAPTER PFO3/4-UNF3/4

desc: ADAPTEUR

2шт.

48

2181-2627D3

ADAPTER

desc: ADAPTEUR

1шт.

49

2181-2627D18

ADAPTER

desc: ADAPTEUR

1шт.

50

S2215466

BOLT;SOCKET

desc: BOULON DE PLOT

4шт.

51

S2215866

BOLT;SOCKET

desc: BOULON DE PLOT

4шт.

52

2181-9084

FLANGE

desc: BRIDE

2шт.

Выбрано товаров: 22