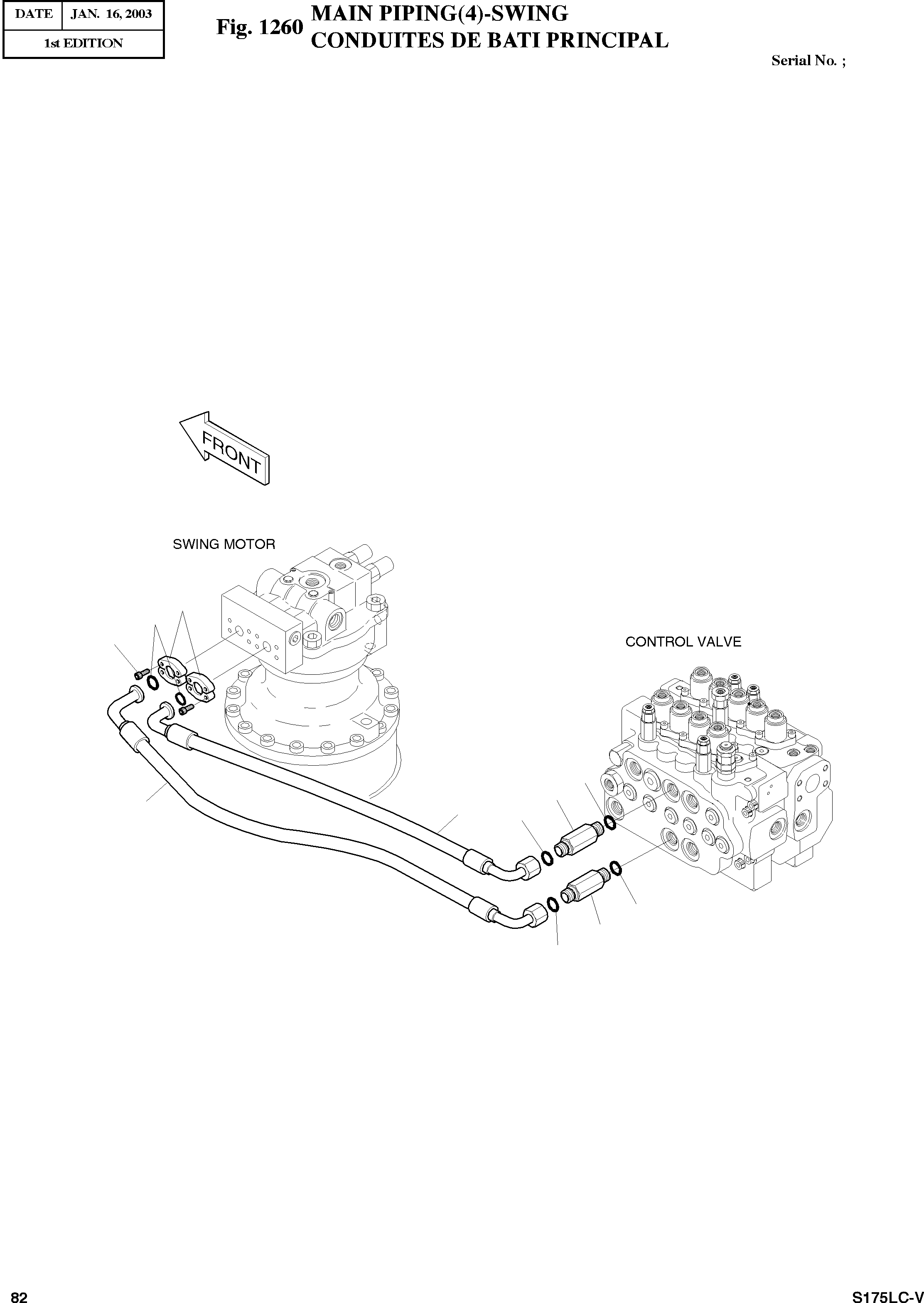
Запчасти Doosan Daewoo MAIN PIPING(4)-SWING BODY PARTS

25
23
27
11
10
38
38
42
29
29
42
FIT
1:1
100%

Артикул

Название

Примечание

Количество

-

400-01208

MAIN PIPING

SC: D

-2шт.

10

2184-1202D57

HOSE PF3/4-500L

desc: TUYAU FLEXIBLE

1шт.

11

2184-1202D40

HOSE PF3/4-600L

desc: TUYAU FLEXIBLE

1шт.

23

2180-1026D2

O-RING

desc: JOINT TORIQUE

2шт.

25

2181-9079

FLANGE;SPLIT

desc: BRIDE

4шт.

27

S2213066

BOLT;SOCKET M10X1.5X70

desc: BOULON DE PLOT

8шт.

29

S8030121

O-RING

desc: JOINT TORIQUE

2шт.

38

S8000231

O-RING

desc: JOINT TORIQUE

2шт.

42

2181-2627D11

ADAPTER PF3/4-UNF3/4

desc: ADAPTEUR

2шт.

Выбрано товаров: 9