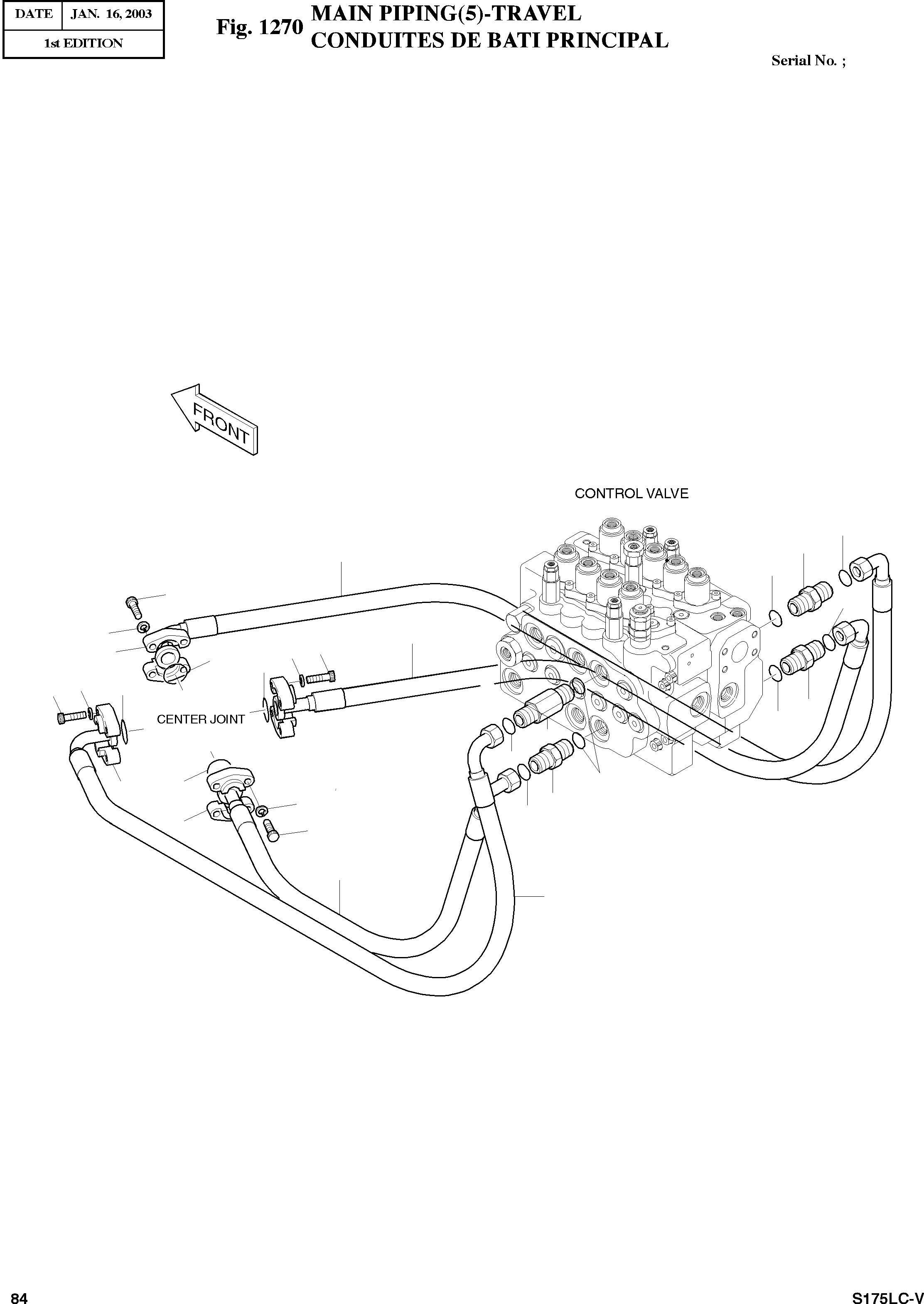
Запчасти Doosan Daewoo MAIN PIPING(5)-TRAVEL BODY PARTS

38
39
5
29
26
38
24
4
26
24
25
23
23
24
23
26
39
29
42
38
29
23
25
24
39
38
25
26
7
6
FIT
1:1
100%

Артикул

Название

Примечание

Количество

-

400-01208

MAIN PIPING

SC: D

-2шт.

4

2184-1201D35

HOSE PF3/4-1400L

desc: TUYAU FLEXIBLE

1шт.

5

2184-1202D88

HOSE PF3/4-1650L

desc: TUYAU FLEXIBLE

1шт.

6

2184-1202D5

HOSE PF3/4-1300L

desc: TUYAU FLEXIBLE

1шт.

7

2184-1201D2

HOSE PF3/4-1050L

desc: TUYAU FLEXIBLE

1шт.

23

2180-1026D2

O-RING

desc: JOINT TORIQUE

4шт.

24

S5110603

WASHER;SPRING M10

desc: RONDELLE ELASTIQUE

16шт.

25

2181-9079

FLANGE;SPLIT

desc: BRIDE

8шт.

26

S2212266

BOLT;SOCKET M10X1.5X30

desc: BOULON DE PLOT

16шт.

29

S8030121

O-RING

desc: JOINT TORIQUE

4шт.

38

S8000231

O-RING

desc: JOINT TORIQUE

4шт.

39

2181-2627D1

ADAPTER PF3/4-UNF3/4

desc: ADAPTEUR

3шт.

42

2181-2627D11

ADAPTER PF3/4-UNF3/4

desc: ADAPTEUR

1шт.

Выбрано товаров: 13