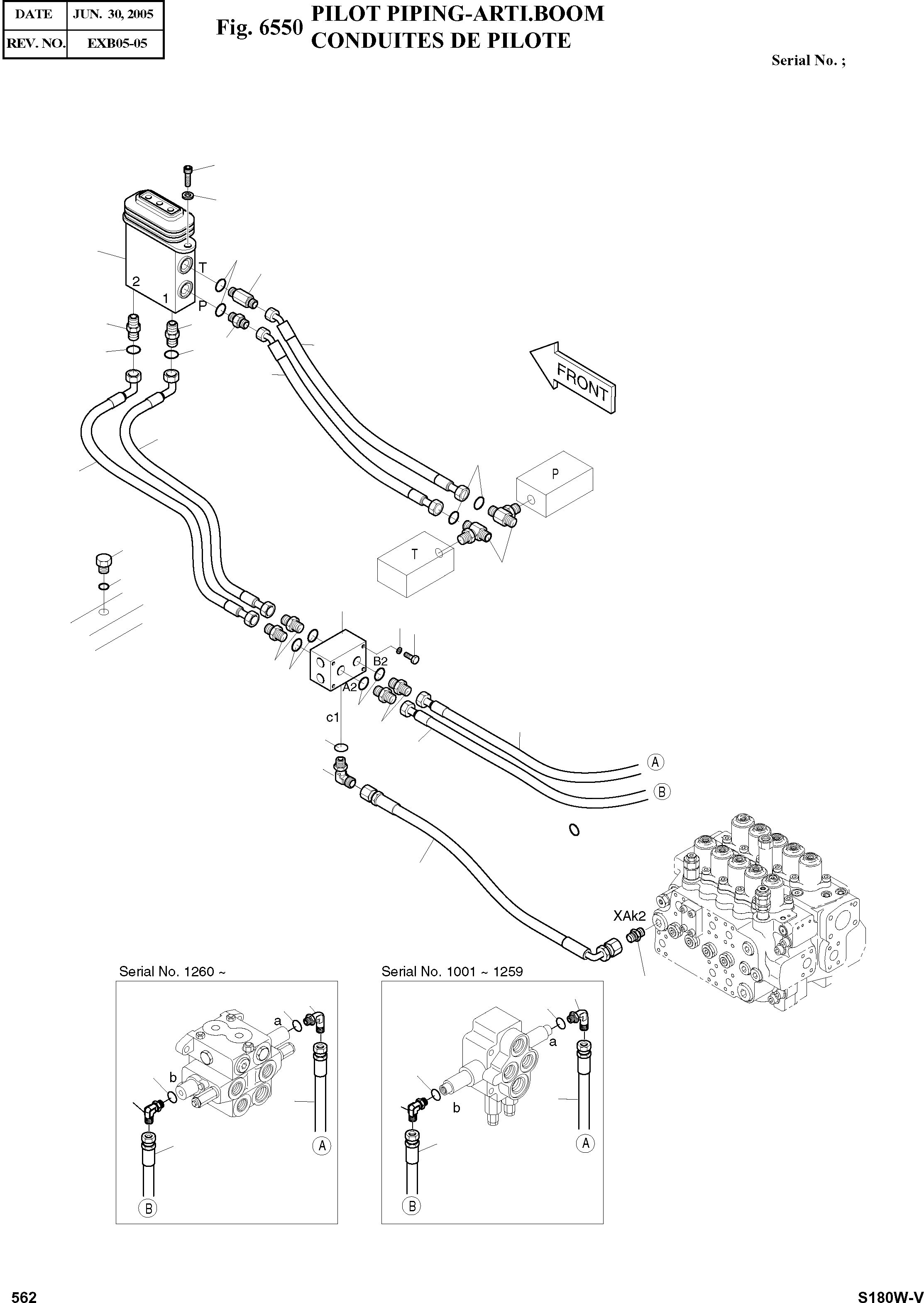
Запчасти Doosan Daewoo PILOT PIPING-ARTI.BOOM OPTION PARTS

3
2
1
7
6
8
8
13
4
7
7
14
23
19
18
20
21
19
10
12
11
8
7
7
15
8
7
16
9
17
24
9
9
7
7
7
7
9
15
15
9
16
16
FIT
1:1
100%

Артикул

Название

Примечание

Количество

-

400-01263

PILOT PIPING

SERIAL: 1001-1329

-2шт.

-

400-01263A

PILOT PIPING

SERIAL: 1330

-2шт.

1

420-00347

VALVE;PEDAL

desc: VANNE

1шт.

2

S5110603

WASHER;SPRING

desc: RONDELLE ELASTIQUE

2шт.

3

S2212266

BOLT;SOCKET M10X1.5X30

desc: BOULON DE PLOT

2шт.

4

2181-1126D85

ADAPTER PFO1/4-PF3/8

desc: ADAPTEUR

1шт.

6

2181-1126D122

ADAPTER PFO1/4-PF3/8

desc: ADAPTEUR

1шт.

7

S8000111

O-RING

desc: JOINT TORIQUE

11шт.

8

2181-1126D14

ADAPTER PFO-PF3/8

desc: ADAPTEUR

6шт.

9

2181-1702D4

ELBOW

desc: COUDE

3шт.

10

2420-9158

VALVE;SHUTTLE

desc: CLAPET BALADEUR

1шт.

11

S0556453

BOLT M8X1.25X55

desc: BOULON

2шт.

12

S5102503

WASHER;SPRING M8

desc: RONDELLE ELASTIQUE

2шт.

13

2184-1060D8

HOSE PF3/8-400L

desc: TUYAU FLEXIBLE

1шт.

14

DS2054214

HOSE PF3/8-330L

desc: TUYAU FLEXIBLE

1шт.

15

2184-1045D152

HOSE PF1/4-2000L

desc: TUYAU FLEXIBLE

1шт.

16

2184-1045D148

HOSE PF1/4-1800L

desc: TUYAU FLEXIBLE

1шт.

17

2184-1045D104

HOSE PF1/4-2400L

SERIAL: 1001-1283

1шт.

17

2184-1046D188

HOSE PF1/4-2400L

SERIAL: 1284

1шт.

18

2184-1046D55

HOSE PF1/4-530L

desc: TUYAU FLEXIBLE

1шт.

19

S8000141

O-RING

desc: JOINT TORIQUE

3шт.

20

2181-1950D2

PLUG

desc: BOUCHON

1шт.

21

2181-2281D13

TEE

desc: TE

2шт.

23

2184-1046D32

HOSE PF1/4-480L

desc: TUYAU FLEXIBLE

1шт.

24

181-00144D2

ADAPTER;ORIFICE

SERIAL: 1270-1329

1шт.

24

181-00144D21

ADAPTER;ORIFICE

SERIAL: 1330

1шт.

Выбрано товаров: 26