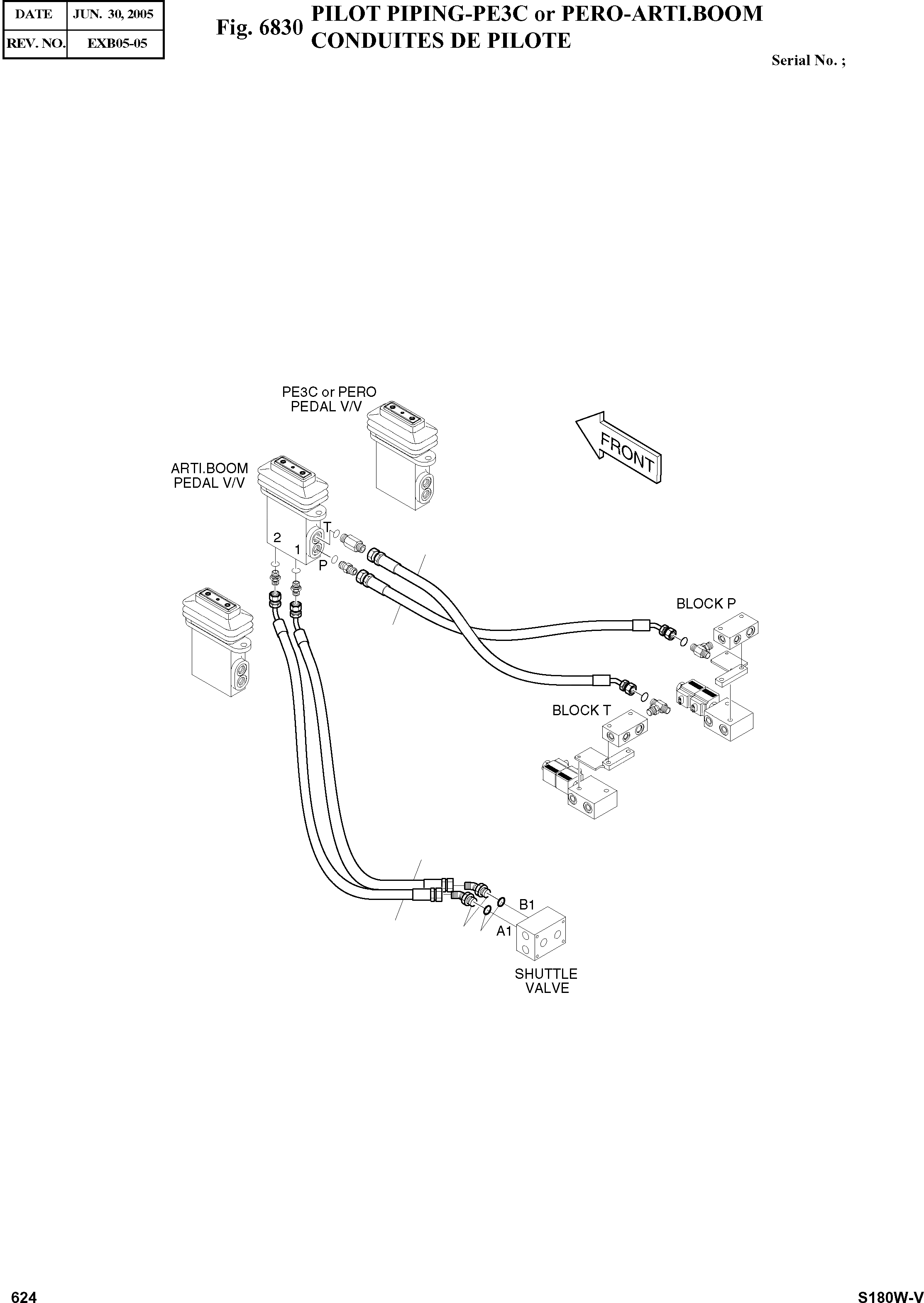
Запчасти Doosan Daewoo PILOT PIPING-PE3C OR PERO-ARTI.BOOM OPTION PARTS

7
8
9
10
1
2
FIT
1:1
100%

Артикул

Название

Примечание

Количество

-

K1008313F2

PILOT PIPING

SC: D

-2шт.

1

2181-2419D1

ELBOW PFO-PF1/4

desc: COUDE

2шт.

2

S8000111

O-RING

desc: JOINT TORIQUE

2шт.

7

DS2054065

HOSE PF3/8-370L

desc: TUYAU FLEXIBLE

1шт.

8

DS2054330

HOSE PF3/8-440L

desc: TUYAU FLEXIBLE

1шт.

9

DS2055142

HOSE PF1/4-500L

desc: TUYAU FLEXIBLE

1шт.

10

DS2055876

HOSE PF1/4-540L

desc: TUYAU FLEXIBLE

1шт.

Выбрано товаров: 7