Запчасти Doosan Daewoo PROPELLING PIPING(3)-DRAIN POWER TRAIN

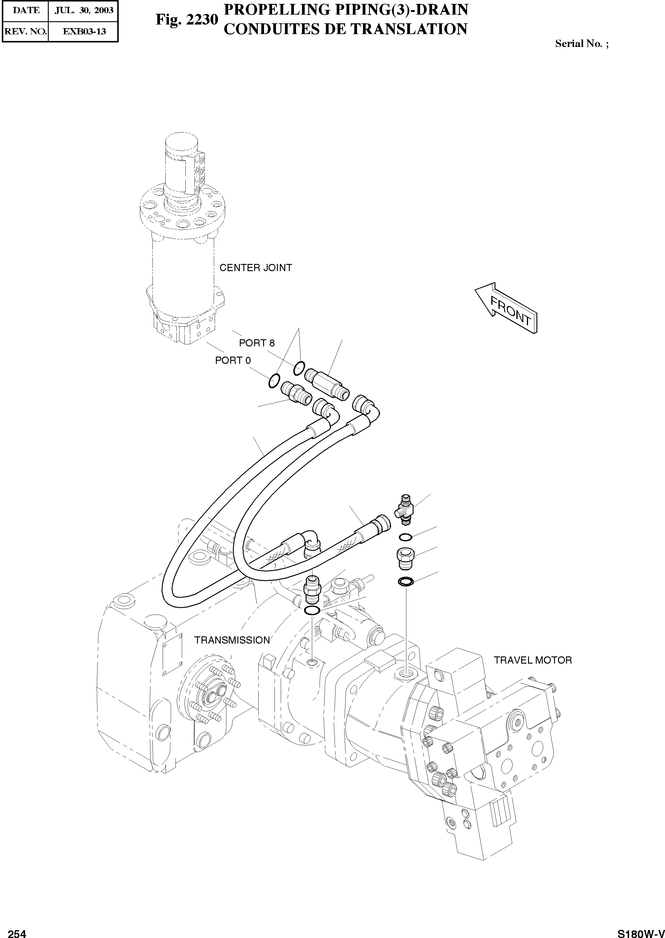
19
18
7
26
21
22
23
40
47
19
25
FIT
1:1
100%

Артикул

Название

Примечание

Количество

-

400-01250

PROPELLING PIPING

SC: D

-2шт.

7

2181-1126D6

ADAPTER PFO1/2-PF1/2

desc: ADAPTEUR

1шт.

18

2181-1126D113

ADAPTER PFO1/2-PF1/2

desc: ADAPTEUR

1шт.

19

S8000181

O-RING

SERIAL: 1001-1010

2шт.

19

S8000181

O-RING

SERIAL: 1011

3шт.

21

2184-1036D159

HOSE PF1/2-900L

desc: TUYAU FLEXIBLE

1шт.

22

2181-1126D127

ADAPTER M14X1.5-PF1/2

desc: ADAPTEUR

1шт.

23

S8000121

O-RING

desc: JOINT TORIQUE

1шт.

25

DS2371059

TEE

SERIAL: 1001-1010

1шт.

25

2181-2375D8

TEE

SERIAL: 1011

1шт.

26

2184-1096D94

HOSE PF1/2-950L

desc: TUYAU FLEXIBLE

1шт.

40

S8180441

PACKING

desc: EMBALLAGE

1шт.

47

181-00781

REDUCER

SERIAL: 1011

1шт.

Выбрано товаров: 13