Качественные детали и логистика
Оригинальные и аналоговые запчасти с доставкой по России, Казахстану и Беларуси
©2022 PartSell ООО "Система" ИНН 2463123282 ОГРН 1212400004838
Центральный офис: г. Красноярск, Академика Киренского, д.87, пом.4
Телефон: 8 (800) 777-65-74 Email: zakaz@partsell.ru
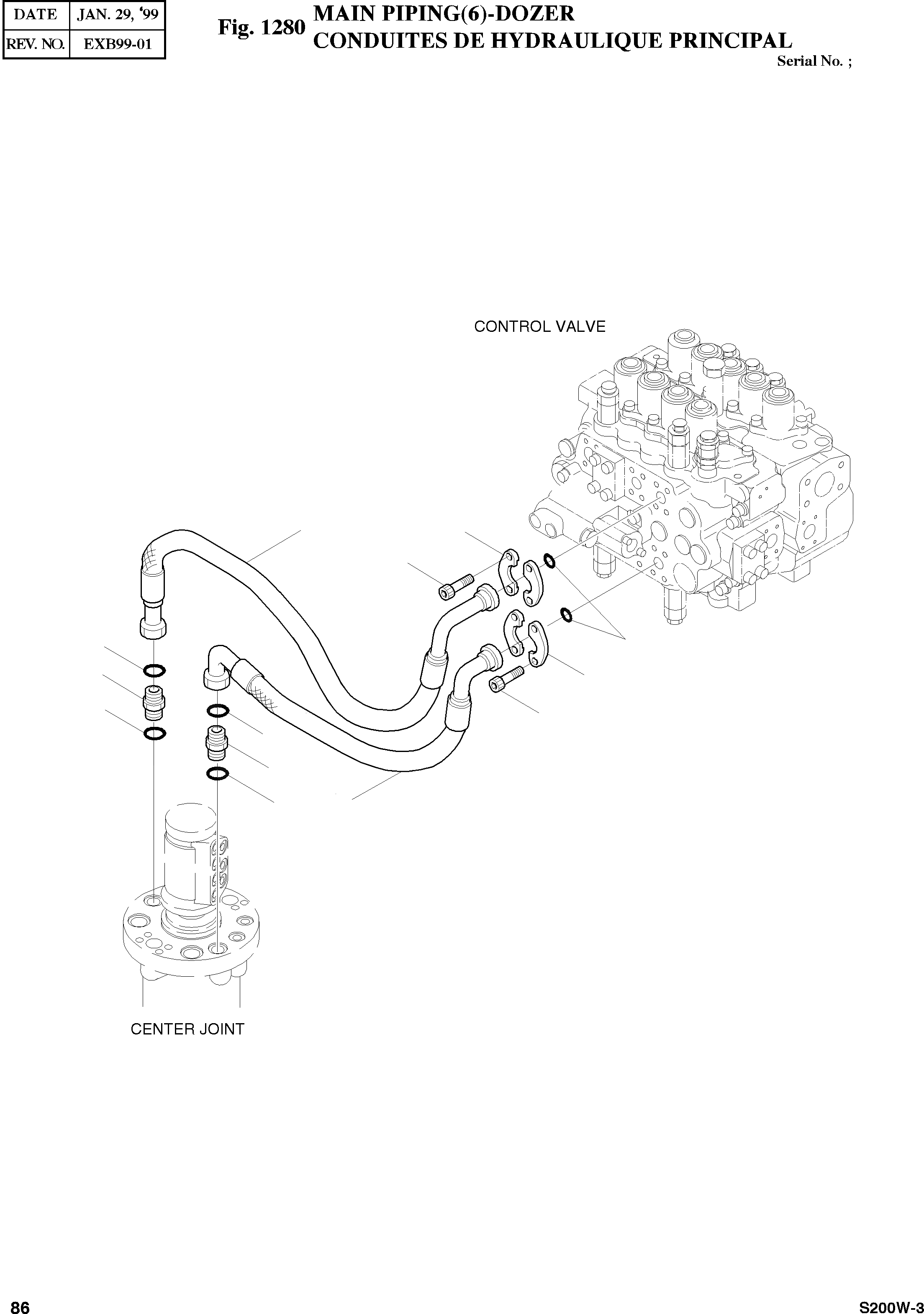
MAIN PIPING(6)-DOZER
№
Артикул
Название
Примечание
Количество
-
2400-4200
MAIN PIPING
SERIAL: 1-398
-2шт.
2400-1841
SERIAL: 399
11
S2212261
BOLT;SOCKET M10X1.5X30
desc: BOULON A 6 PANS CREUX
8шт.
18
2181-9079
FLANGE;SPLIT 3/4"-5000PSI
desc: FLASQUE EN DEUX PARTIES
4шт.
26
2180-1026D2
O-RING SAE 3/4"
desc: JOINT TORIQUE
2шт.
31
2184-1250D3
HOSE PF3/4-1450L
desc: TUYAU FLEXIBLE
1шт.
32
2184-1202D20
HOSE PF3/4-950L
SERIAL: 1-8
2184-1202D32
HOSE PF3/4-1050L
SERIAL: 9
46
S8000181
O-RING P18
REP_PNO: 8202-014
49
S8030121
O-RING P12
53
2181-2404
ADAPTER PFO 1/2. ORS 3/4
desc: RACCORD
Выбрано товаров: 0