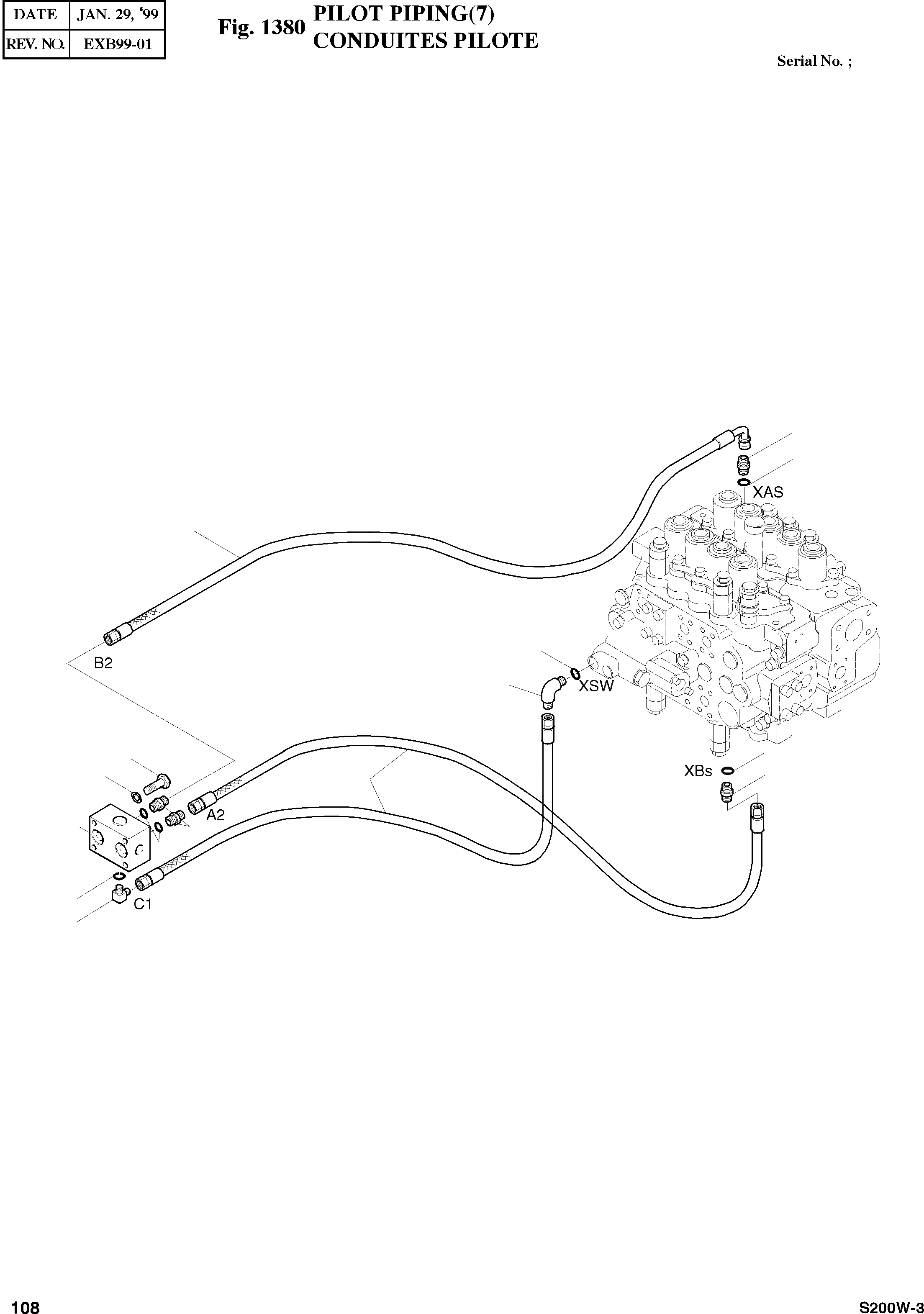
Запчасти Doosan Daewoo PILOT PIPING(7) BODY PARTS

11
12
88
12
48
46
12
27
11
92
11
12
12
48
47
FIT
1:1
100%

Артикул

Название

Примечание

Количество

-

2400-4202

PILOT PIPING

desc: CIRCUIT PILOTE

-2шт.

11

2181-1126D14

ADAPTER PFO. PF1/4

desc: RACCORD

4шт.

12

S8000111

O-RING P11

REP_PNO: 8202-009

6шт.

27

S5102503

WASHER;SPRING M8

desc: RONDELLE ELASTIQUE

2шт.

46

S0556453

BOLT M8X1.25X55

desc: BOULON A 6 PANS

2шт.

47

2420-9158

VALVE;SHUTTLE

desc: CLAPET BALADEUR

1шт.

48

2181-1702D4

ELBOW PFO. PF1/4

desc: COUDE

2шт.

88

2184-1046D146

HOSE PF1/2-2250L

desc: TUYAU FLEXIBLE

1шт.

92

2184-1045D105

HOSE PF1/4-1900L

desc: TUYAU FLEXIBLE

2шт.

Выбрано товаров: 9