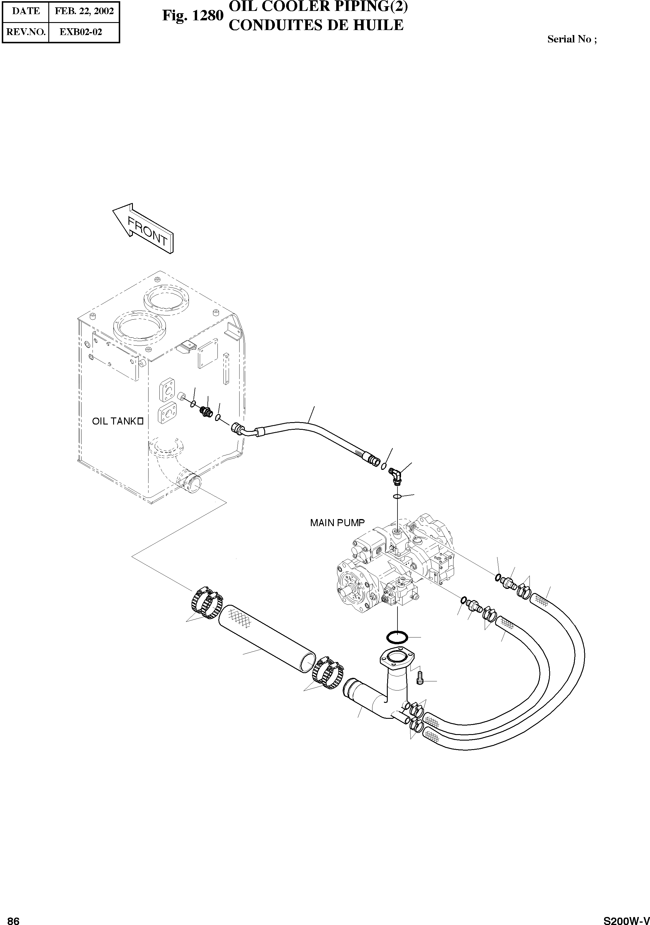
Запчасти Doosan Daewoo OIL COOLER PIPING(2) BODY PARTS

14
24
15
11
42
9
42
1
44
44
33
17
16
22
44
51
13
44
21
15
14
23
15
FIT
1:1
100%

Артикул

Название

Примечание

Количество

-

2400-1925A

OIL COOLER PIPING

SC: D

-2шт.

1

2140-1454A

PIPE;SUCTION

SERIAL: 1001-1040

1шт.

1

2140-1454B

PIPE;SUCTION

SERIAL: 1041

1шт.

9

2185-1002D112

HOSE;SUCTION PF3-500L

desc: TUYAU FLEXIBLE

1шт.

11

2184-1212D12

HOSE 550L

desc: TUYAU FLEXIBLE

1шт.

13

2185-1002D106

HOSE 1000L

desc: TUYAU FLEXIBLE

1шт.

14

S8030121

O-RING

desc: JOINT TORIQUE

2шт.

15

S8000241

O-RING P24

desc: JOINT TORIQUE

2шт.

16

S8000291

O-RING P29

desc: JOINT TORIQUE

1шт.

17

2180-1026D31

O-RING

desc: JOINT TORIQUE

1шт.

21

2181-2693A

ADAPTER PFO3/4-PF1

desc: RACCORD ADAPTATEUR

1шт.

22

2181-2706

ADAPTER PFO1-PF1

desc: RACCORD ADAPTATEUR

1шт.

23

2181-2294D2

ELBOW PFO3/4-UNF13/16

desc: COUDE

1шт.

24

2181-4133D5

ADAPTER PFO3/4-UNF13/16

desc: RACCORD ADAPTATEUR

1шт.

33

S2215361

BOLT;SOCKET M12X1.75X35

SERIAL: 1001-1310

4шт.

33

S2215366

BOLT;SOCKET M12X1.75X35

SERIAL: 1311

4шт.

42

S8450095

CLAMP;HOSE

desc: COLLIER

4шт.

44

S8450035

CLAMP;HOSE

desc: COLLIER

8шт.

51

2185-1002D119

HOSE

desc: TUYAU FLEXIBLE

1шт.

Выбрано товаров: 19