Запчасти Doosan Daewoo ARM PIPING-ARM 2.4M(ONE & TWO WAY) OPTION-FRONT PARTS

6
4
7
5
5
7
6
6
7
5
15
3
13
3
4
4
15
5
13
7
6
1
2
4
10
3
8
7
14
3
11
9
7
4
14
12
9
FIT
1:1
100%

Артикул

Название

Примечание

Количество

-

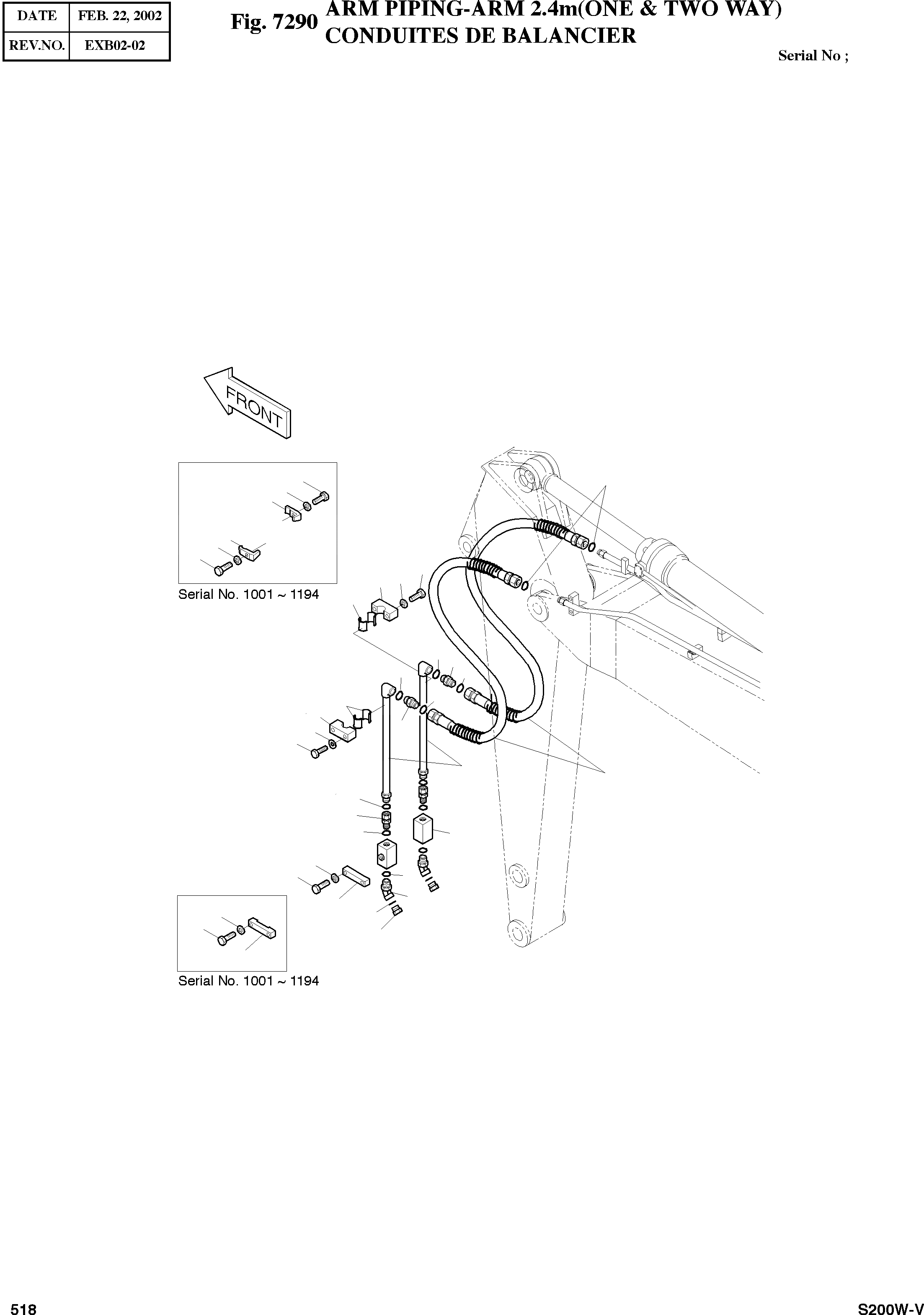
2400-2137

ARM PIPING;ONE & TWO WAY

SC: D

-2шт.

1

2140-1679

PIPE;OPTION

SERIAL: 1001-1194

2шт.

1

140-00717

PIPE;OPTION

SERIAL: 1195

2шт.

2

2184-1196D77

HOSE PF1-1800L

desc: TUYAU FLEXIBLE

2шт.

3

S8000291

O-RING

desc: JOINT TORIQUE

6шт.

4

S8030161

O-RING

desc: JOINT TORIQUE

8шт.

5

2124-1026D3

CLAMP;PIPE

SERIAL: 1001-1194

4шт.

5

2124-1696

CLAMP;PIPE

SERIAL: 1195

2шт.

6

S0560953

BOLT M12X1.75X60

desc: BOULON A 6 PANS

4шт.

7

S5102703

WASHER;SPRING M12

desc: RONDELLE ELASTIQUE

8шт.

8

2420-9628A

VALVE;STOP

desc: VANNE

2шт.

9

2124-1695

CLAMP;STOP VALVE

SERIAL: 1001-1194

2шт.

9

124-00178

CLAMP;STOP VALVE

SERIAL: 1195

2шт.

10

2181-2566D8

ADAPTER;UNION

desc: RACCORD ADAPTATEUR

2шт.

11

2181-2816D2

ELBOW

desc: ECROU

2шт.

11

DS2332012

ELBOW(FOR KOREA)

desc: ECROU

2шт.

12

2181-2817D2

CAP

desc: CHAPEAU

2шт.

12

2181-2820D5

CAP(FOR KOREA)

desc: CHAPEAU

2шт.

13

2181-4133D6

ADAPTER

desc: RACCORD ADAPTATEUR

2шт.

14

S0561353

BOLT M12X1.75X80

desc: BOULON A 6 PANS

4шт.

15

2161-2251A

RUBBER

SERIAL: 1195

4шт.

Выбрано товаров: 21