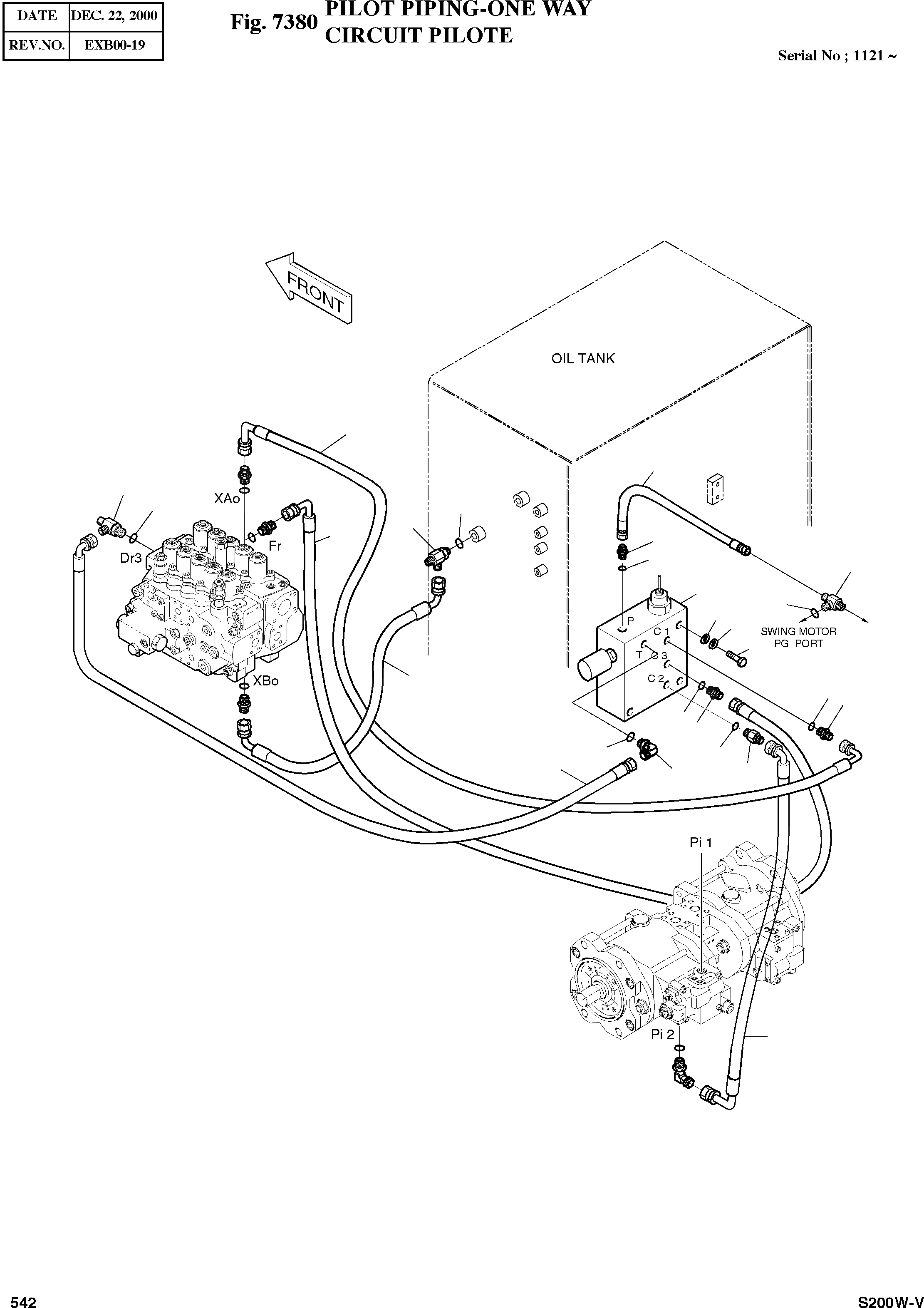
Запчасти Doosan Daewoo PILOT PIPING-ONE WAY OPTION-FRONT PARTS

11
6
13
15
11
6
18
14
17
6
8
6
5
6
7
6
5
1
2
4
6
12
6
5
16
3
FIT
1:1
100%

Артикул

Название

Примечание

Количество

-

2400-2174

PILOT PIPING-FOR ONE WAY

SERIAL: 1121

-2шт.

1

2420-9227A

VALVE;BRACKER

desc: VANNE

1шт.

2

S0558953

BOLT M10X1.5X70

desc: BOULON A 6 PANS

3шт.

3

S5102603

WASHER;SPRING M10

desc: RONDELLE ELASTIQUE

3шт.

4

S5010613

WASHER;PLAIN M10

desc: RONDELLE PLATE

3шт.

5

2181-1126D14

ADAPTER PFO-PF1/4

desc: RACCORD ADAPTATEUR

3шт.

6

S8000111

O-RING

desc: JOINT TORIQUE

8шт.

7

2181-1126D34

ADAPTER PFO-PF1/4

desc: RACCORD ADAPTATEUR

1шт.

8

2181-1702D4

ELBOW PFO-PF1/4

desc: COUDE

1шт.

11

2181-1951D1

TEE PFO-2PF1/4

desc: TE

2шт.

12

2181-2281D1

TEE PFO-2PF1/4

desc: TE

1шт.

13

2184-1061D14

HOSE PF1/4-1600L

desc: TUYAU FLEXIBLE

1шт.

14

2184-1061D277

HOSE PF1/4-1700L

desc: TUYAU FLEXIBLE

1шт.

15

2184-1046D108

HOSE PF1/4-1300L

desc: TUYAU FLEXIBLE

1шт.

16

2184-1045D196

HOSE PF1/4-1730L

desc: TUYAU FLEXIBLE

1шт.

17

2184-1045D176

HOSE PF1/4-1300L

desc: TUYAU FLEXIBLE

1шт.

18

2184-1061D56

HOSE PF1/4-640L

desc: TUYAU FLEXIBLE

1шт.

Выбрано товаров: 17