Запчасти Doosan Daewoo POWER TRAIN(4)-SHAFT TRACK PARTS

32
29
31
31
29
4
3
31
29
31
29
32
FIT
1:1
100%

Артикул

Название

Примечание

Количество

-

200-00010A

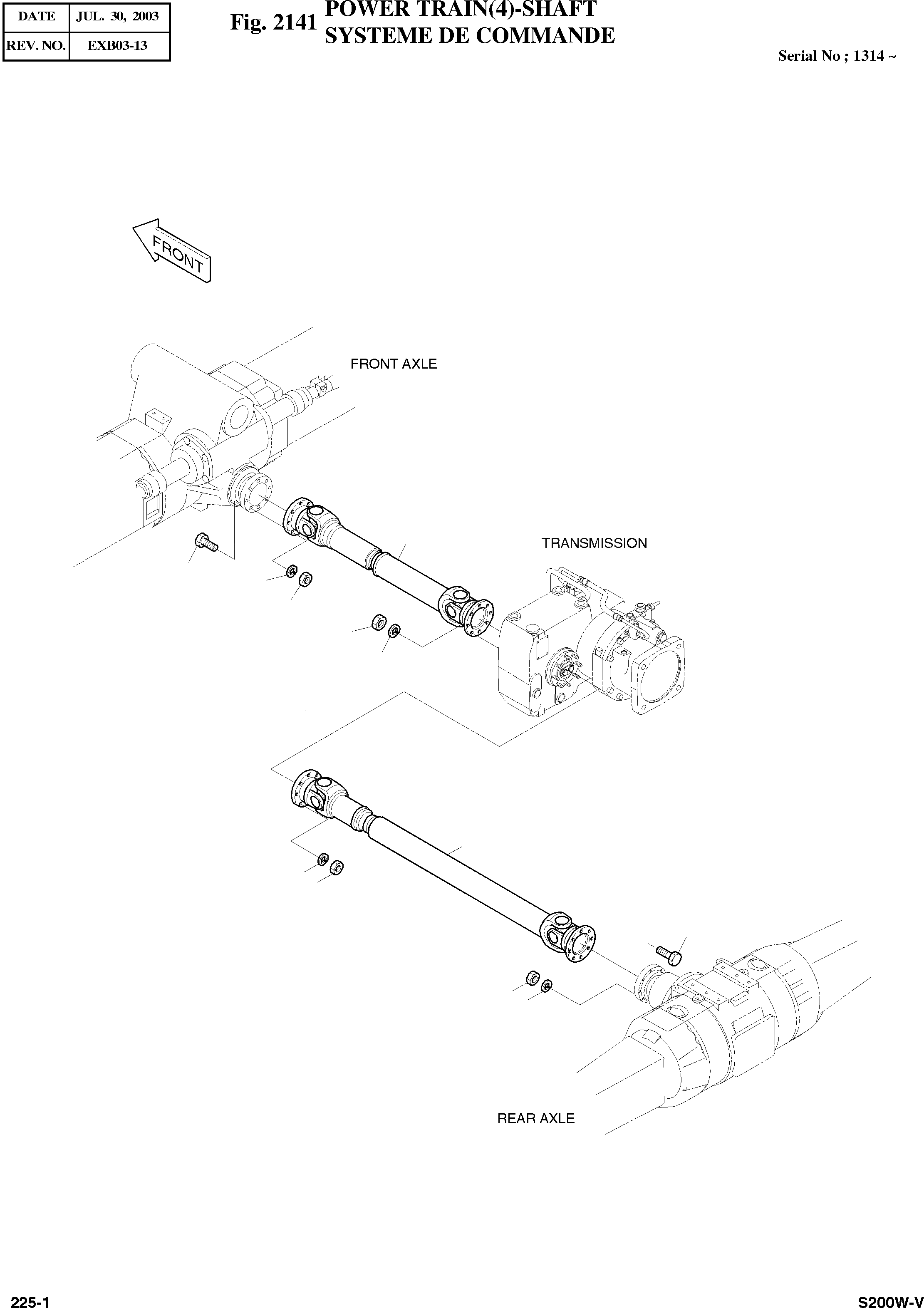
POWER TRAIN

SERIAL: 1314

-2шт.

3

2260-9036A

SHAFT;PROP(REAR)

desc: ARBRE

1шт.

4

2260-9037A

SHAFT;PROP(FRONT)

desc: ARBRE

1шт.

29

S5102603

WASHER;SPRING M10

desc: RONDELLE ELASTIQUE

32шт.

31

2121-1251

NUT M10X1.0

SERIAL: 1314-1721

32шт.

31

2121-1251A

NUT M10X1.0

SERIAL: 1722

32шт.

32

2120-1339

BOLT M10X1.0

SERIAL: 1314-1695

16шт.

Выбрано товаров: 7