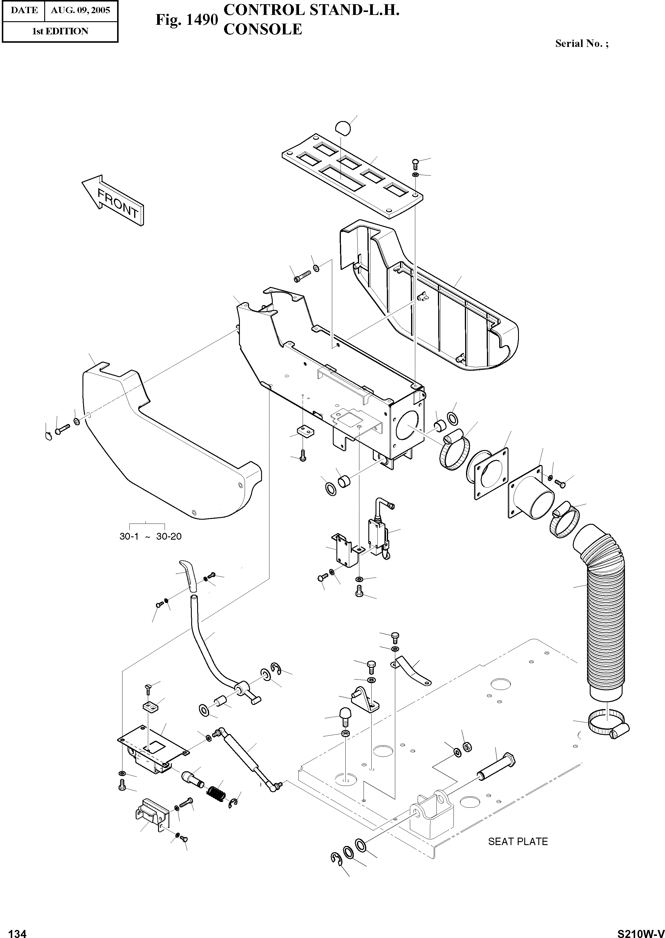
Запчасти Doosan Daewoo CONTROL STAND-L.H BODY PARTS

30-13
50
9
17
16
16
25
7
6
8
21
16
6-12
6-12
17
47
24
40
34
13
15
35
30-8
21
45
30-10
12
30
33
30-10
30-8
30-2
30-19
32
30-5
30-1
30-6
30-11
15
11
49
30-12
30-6
48
14
30-4
30-7
30-9
30-15
30-14
30-15
14
15
28
22
30-16
30-20
23
27
36
12
26
23
51
23
29
18
23
22
21
20
19
FIT
1:1
100%

Артикул

Название

Примечание

Количество

-

195-02288G

STAND ASS'Y

SC: D

-2шт.

6

195-01853

BRACKET;STAND(L.H)

desc: SUPPORT

1шт.

6-12

2110-1184D37

BUSH;DU

desc: . DOUILLE

2шт.

7

621-01822

CASE;STAND

desc: CARTER

1шт.

8

621-01823

CASE;STAND

desc: CARTER

1шт.

9

621-01820

PLATE;SWITCH

desc: PLAQUE

1шт.

11

2158-1021

PROTECTOR

desc: PROTECTEUR

1шт.

12

S8450066

CLAMP;HOSE

desc: COLLIER

2шт.

13

195-01730A

BRACKET

desc: SUPPORT

1шт.

14

2120-2166D6

BOLT M6X1.0X16

desc: BOULON A 6 PANS

4шт.

15

2114-1898D3

WASHER

desc: RONDELLE

8шт.

16

2114-1898D4

WASHER;PLAIN

desc: RONDELLE PLATE

16шт.

17

2120-2166D8

SCREW M5X0.8X14

desc: VIS

9шт.

18

2123-2240

PIN

desc: GOUJON

1шт.

19

S6541900

RING;RETAINER

desc: BAGUE

1шт.

20

2114-4129

WASHER

desc: RONDELLE

1шт.

21

2114-1059D31

SHIM

desc: CALE

3шт.

22

2120-2166D5

BOLT M8X1.25X20

desc: BOULON A 6 PANS

6шт.

23

2114-1898D2

WASHER

desc: RONDELLE

8шт.

24

621-01850

COVER;HOLE

desc: COUVERCLE

1шт.

25

S2202866

BOLT;SOCKET M5X0.8X10

desc: BOULON A 6 PANS CREUX

3шт.

26

2121-1311D2

NUT M8X1.25

desc: ECROU

1шт.

27

142-00052

STRIKER

desc: FRAPPER

1шт.

28

159-00114

PLATE

desc: PLAQUE

1шт.

29

DS1001045

SPRING;GAS

desc: RESSORT

1шт.

30

133-00163G

LEVER;SAFETY

desc: LEVIER

1шт.

30-1

159-00223B

PLATE

desc: . PLAQUE

1шт.

30-2

K1008200

LEVER

desc: . LEVIER

1шт.

30-4

123-00456A

PIN

desc: . GOUJON

1шт.

30-5

161-00297

STOPPER;RUBBER

desc: . TAQUET D'ARRET

1шт.

30-6

2114-1059D37

SHIM

desc: . CALE

2шт.

30-7

2129-1432

SPRING

desc: . RESSORT

1шт.

30-8

S3450583

SCREW M4X0.7X12

desc: . VIS

2шт.

30-9

K1003998

CATCH

desc: . LOQUET

1шт.

30-10

S5000113

WASHER;PLAIN M4

desc: . RONDELLE PLATE

2шт.

30-11

2110-1184D29

BUSH;DU

desc: . DOUILLE

1шт.

30-12

S6541200

RING;RETAINER

desc: . BAGUE

1шт.

30-13

2132-1132A

GRIP

desc: . POIGNEE

1шт.

30-14

2120-2166D19

BOLT M6X1.0X12

desc: . BOULON A 6 PANS

2шт.

30-15

2114-1898D3

WASHER

desc: . RONDELLE

4шт.

30-16

S0505063

BOLT M6X1.0X25

desc: . BOULON A 6 PANS

2шт.

30-19

S3452833

SCREW M5X0.8X12

desc: . VIS

2шт.

30-20

S6541500

RING;RETAINER

desc: . BAGUE

1шт.

32

621-01951

COVER;MICRO SWITCH

desc: COUVERCLE

1шт.

33

549-00046

SWITCH;MICRO

desc: INTERRUPTEUR

1шт.

34

161-00524

RUBBER;STOPPER

desc: CAOUTCHOUC

1шт.

35

S3452853

SCREW M5X0.8X16

desc: VIS

2шт.

36

161-00195

STOPPER

desc: TAQUET D'ARRET

1шт.

40

160-00030

BOOT

desc: BOOT

1шт.

45

2120-2166D36

BOLT M6X1.0X20

desc: BOULON A 6 PANS

4шт.

47

S8450053

CLAMP;HOSE

desc: COLLIER

1шт.

48

S3450823

SCREW M5X0.8X10

desc: VIS

4шт.

49

S5000203

WASHER M5

desc: RONDELLE

4шт.

50

132-00021

GRIP

desc: PRISE

1шт.

51

2121-1311D4

NUT

desc: ECROU

1шт.

Выбрано товаров: 55