Запчасти Doosan Daewoo ELECTRIC PARTS(2)-STAND(R.H) BODY PARTS

20A
20A
39
20
21
19
18
17
36
FIT
1:1
100%

Артикул

Название

Примечание

Количество

-

500-00161A

ELECTRIC PARTS

SERIAL: 1001-1186

-2шт.

-

500-00161B

ELECTRIC PARTS

SERIAL: 1187-1304

-2шт.

-

500-00161C

ELECTRIC PARTS

SERIAL: 1305-1314

-2шт.

-

500-00161E

ELECTRIC PARTS

SERIAL: 1315-1348

-2шт.

-

500-00161G

ELECTRIC PARTS

SERIAL: 1349-1519

-2шт.

-

500-00161I

ELECTRIC PARTS

SERIAL: 1520-1580

-2шт.

-

500-00410A

ELECTRIC PARTS

SERIAL: 1581-1659

-2шт.

-

500-00410B

ELECTRIC PARTS

SERIAL: 1660

-2шт.

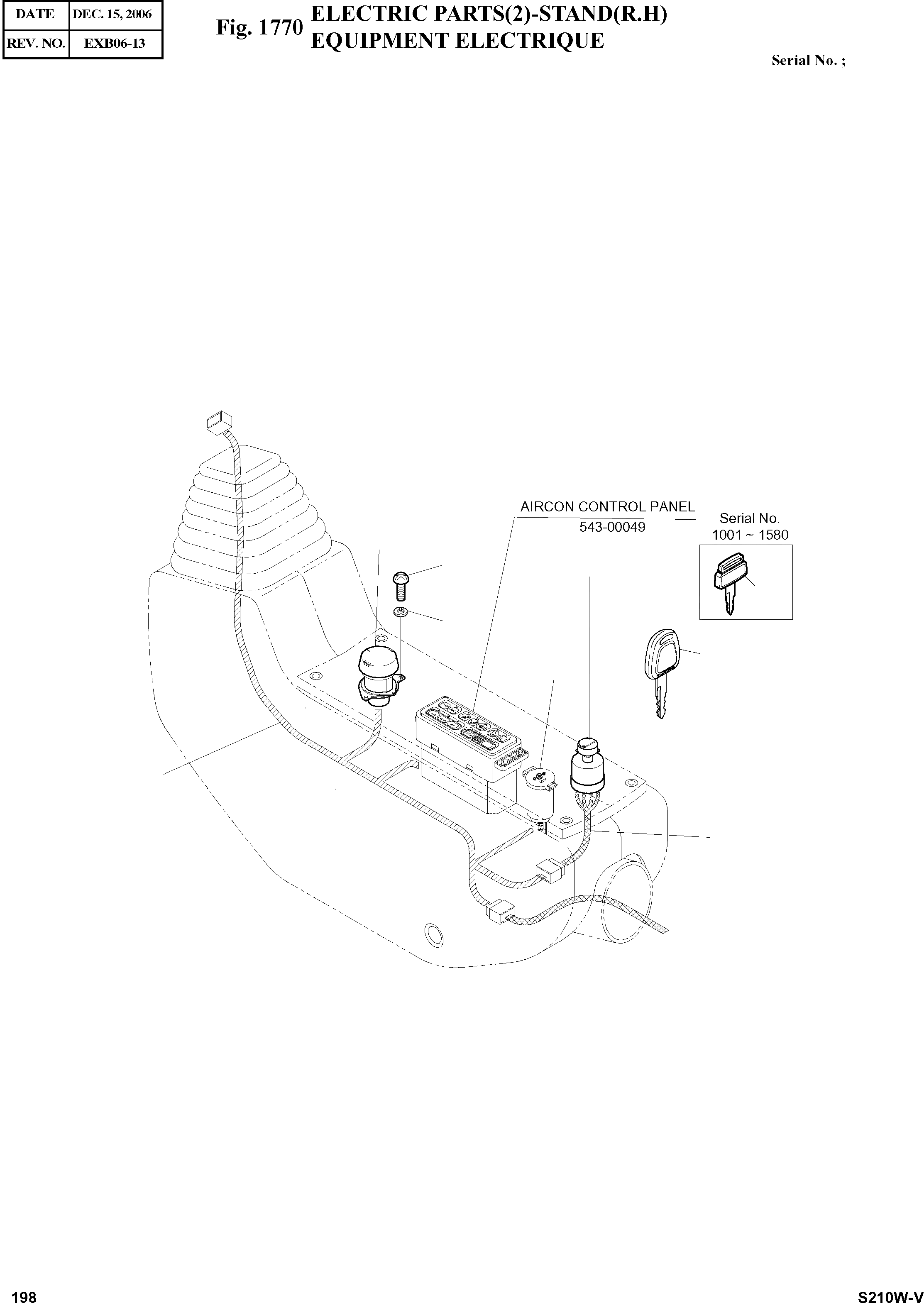
17

2552-1004

DIAL;E/G CONTROL

SERIAL: 1001-2085

1шт.

17

K1013846

DIAL;E/G CONTROL

SERIAL: 2086

1шт.

18

S3450583

SCREW M4X0.7X12

desc: VIS

2шт.

19

S5100103

WASHER;SPRING M4

desc: RONDELLE ELASTIQUE

2шт.

20

2549-1152

SWITCH;STARTER

SERIAL: 1001-1314

1шт.

20

549-00210

SWITCH;STARTER

SERIAL: 1315-1580

1шт.

20

549-00210A

SWITCH;STARTER

SERIAL: 1581-1659

1шт.

20

K1001858

SWITCH;STARTER

SERIAL: 1660-1809

1шт.

20

K1001858A

SWITCH;STARTER

SERIAL: 1810

1шт.

20A

2172-1134

KEY;STARTER SWITCH

SERIAL: 1001-1314

2шт.

20A

172-00320

KEY;STARTER SWITCH

SERIAL: 1315-1580

2шт.

20A

172-00320A

KEY;STARTER SWITCH

SERIAL: 1581-1659

2шт.

20A

K1009605

KEY;STARTER SWITCH

SERIAL: 1660-1809

2шт.

20A

K1009605B

KEY;STARTER SWITCH

SERIAL: 1810

2шт.

21

527-00006

SOCKET;12V POWER

desc: SOCKET

1шт.

36

530-00272

HARNESS;STAND(R.H)

desc: FAISCEAU

1шт.

39

530-00150

HARNESS;STARTER SWITCH

desc: FAISCEAU

1шт.

Выбрано товаров: 25