Запчасти Doosan Daewoo ELECTRIC PARTS(6)-ENGINE BODY PARTS

62
64
65
63
66
71
69
70
68
67
18
17
19
72
16
21
72
73
22
20
59
58
FIT
1:1
100%

Артикул

Название

Примечание

Количество

-

500-00162

ELECTRIC PARTS

SC: D

-2шт.

16

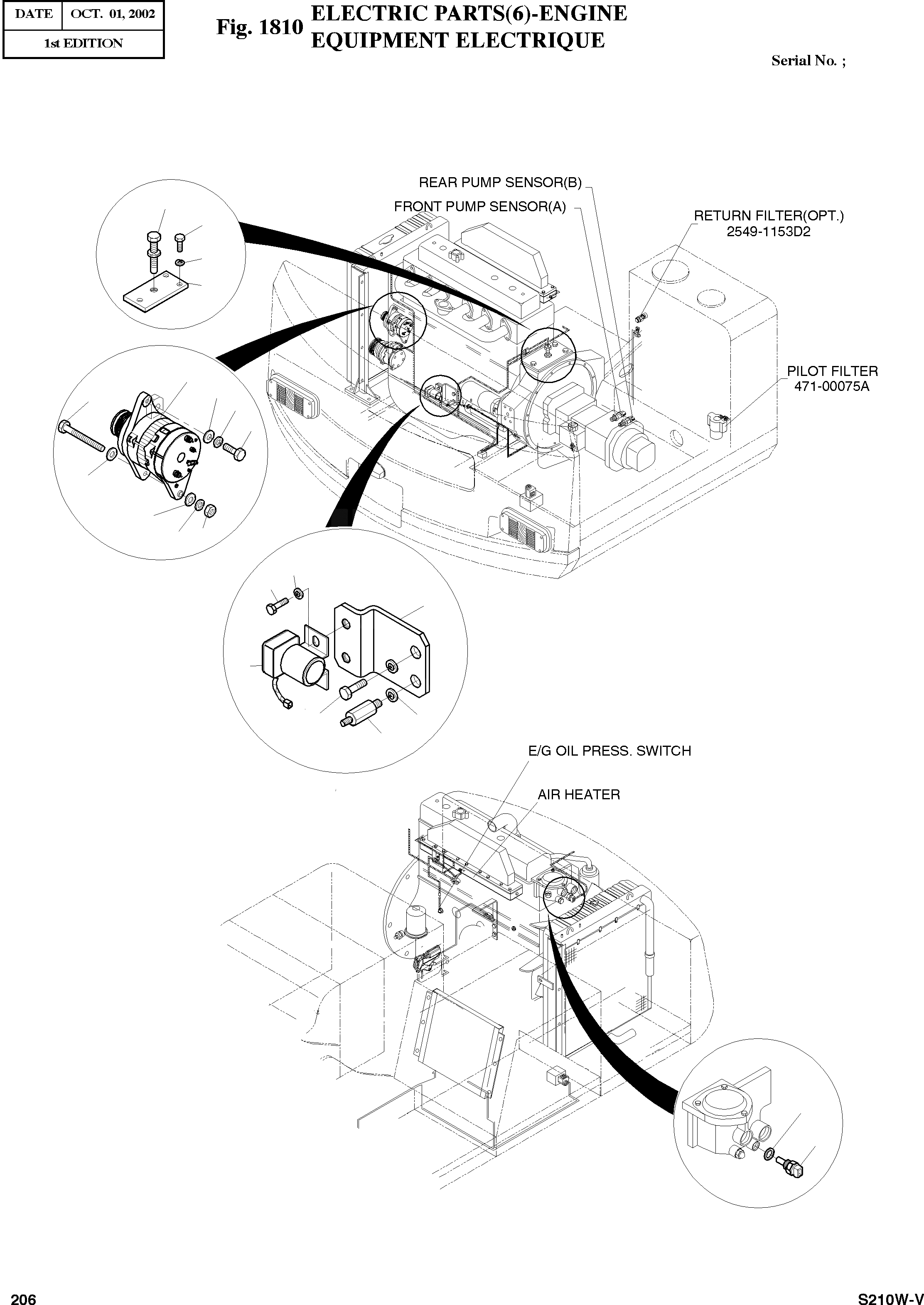
544-00007

RELAY;PREHEAT

desc: RELAIS AVERTISSEUR

1шт.

17

S0504653

BOLT M6X1.0X16

desc: BOULON A 6 PANS

2шт.

18

S5102303

WASHER;SPRING M6

desc: RONDELLE ELASTIQUE

2шт.

19

195-02193

BRACKET;RELAY

desc: SUPPORT

1шт.

20

2120-2235

BOLT;STUD M10X1.25X15/M8

desc: BOULON A 6 PANS

1шт.

21

S0711853

BOLT M10X1.25X20

desc: BOULON A 6 PANS

1шт.

22

S5102603

WASHER;SPRING M10

desc: RONDELLE ELASTIQUE

2шт.

58

2547-9038B

SENSOR;WATER TEMP

desc: CAPTEUR

1шт.

59

S8180251

PACKING

desc: EMBALLAGE

1шт.

62

2547-1015

SENSOR;ENG SPEED

desc: CAPTEUR

1шт.

63

2197-1793

BRACKET;SPEED SENSOR

desc: SUPPORT

1шт.

64

S0512053

BOLT M10X1.5X25

desc: BOULON A 6 PANS

3шт.

65

S5102603

WASHER;SPRING M10

desc: RONDELLE ELASTIQUE

3шт.

66

2502-9007B

ALTERNATOR 24V 60A

desc: ALTERNATEUR

1шт.

67

S0760853

BOLT M12X1.25X55

desc: BOULON A 6 PANS

1шт.

68

S5102703

WASHER;SPRING M12

desc: RONDELLE ELASTIQUE

1шт.

69

2114-1058D54

WASHER

desc: RONDELLE

1шт.

70

S0562653

BOLT M12X1.75X160

desc: BOULON A 6 PANS

1шт.

71

S5102703

WASHER;SPRING M12

desc: RONDELLE ELASTIQUE

1шт.

72

S5010713

WASHER;PLAIN M12

desc: RONDELLE PLATE

2шт.

73

S4012733

NUT

desc: ECROU

1шт.

Выбрано товаров: 22