Запчасти Doosan Daewoo MAIN PIPING(2)-BOOM BODY PARTS

33
34
28
46
47
33
34
47
46
20
45
2
24
18
20
19
29
25
32
3
25
29
20
20
24
40
45
18
19
31
FIT
1:1
100%

Артикул

Название

Примечание

Количество

-

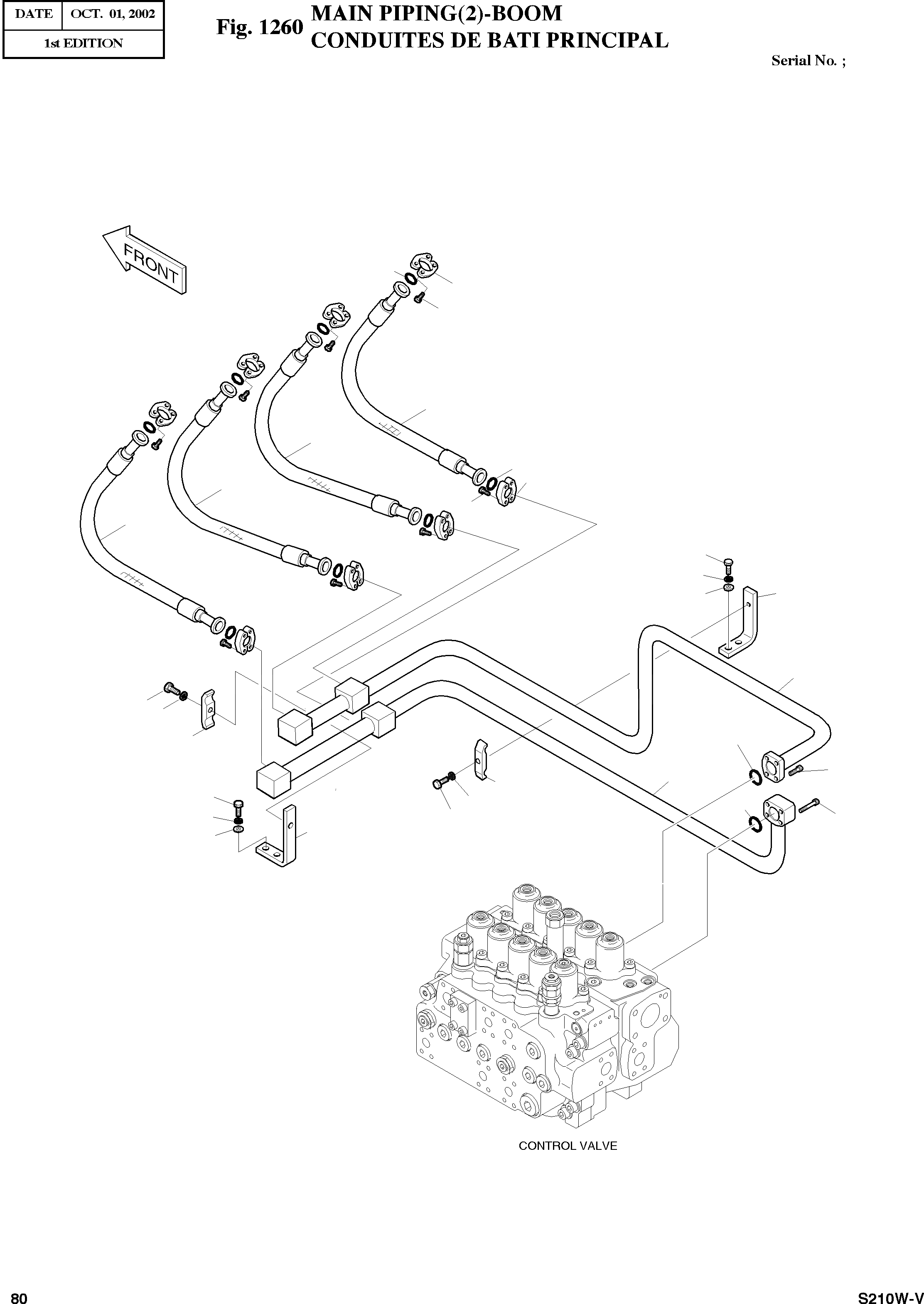
400-01140

MAIN PIPING

SC: D

-2шт.

2

140-01132

PIPE

desc: CONDUITE

1шт.

3

140-01133

PIPE

desc: CONDUITE

1шт.

18

2195-3657

BRACKET

desc: SUPPORT

2шт.

19

S0515353

BOLT M12X1.75X35

desc: BOULON A 6 PANS

2шт.

20

S5102703

WASHER;SPRING M12

desc: RONDELLE ELASTIQUE

6шт.

24

S0561053

BOLT M12X1.75X65

desc: BOULON A 6 PANS

2шт.

25

2124-1025D5

CLAMP

desc: COLLIER

2шт.

28

S2212266

BOLT;SOCKET M10X1.5X30

desc: BOULON A 6 PANS

16шт.

29

2180-1026D19

O-RING

desc: JOINT TORIQUE

2шт.

31

S2212066

BOLT;SOCKET M10X1.5X25

desc: BOULON A 6 PANS

16шт.

32

S2212366

BOLT;SOCKET M10X1.5X35

desc: BOULON A 6 PANS

4шт.

33

2180-1026D2

O-RING

desc: JOINT TORIQUE

8шт.

34

2181-9079

FLANGE;SPLIT

desc: FLASQUE EN DEUX PARTIES

16шт.

40

S2212666

BOLT;SOCKET M10X1.5X50

desc: BOULON A 6 PANS

4шт.

45

S5010713

WASHER;PLAIN M12

desc: RONDELLE PLATE

4шт.

46

2184-1081D116

HOSE PF3/4-715L

desc: TUYAU FLEXIBLE

2шт.

47

2184-1081D117

HOSE PF3/4-740L

desc: TUYAU FLEXIBLE

2шт.

Выбрано товаров: 18