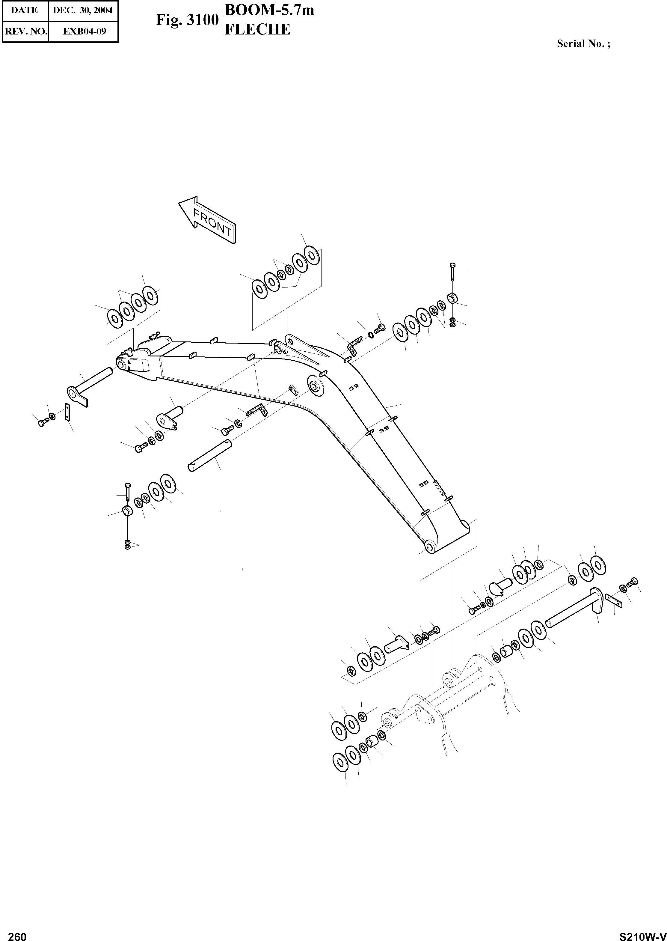
Запчасти Doosan Daewoo BOOM-5.7M FRONT PARTS

1B
1B
1C
1C
14
11
22
14
8
12
13
22
20
7
21
9
19
11
13
24
23
5
6
18
1
19
17
21
16
18
20
17
15
4
8
24
23
7
11
11
11
14
13
9
14
13
11
3
16
18
17
17
18
17
18
15
3
16
2
14
13
22
11
12
10
11
13
14
10
12
22
FIT
1:1
100%

Артикул

Название

Примечание

Количество

-

2701-1597A

BOOM ASS'Y-5.7m

SC: D

-2шт.

1

2701-1598K

BOOM SUB ASS'Y

SERIAL: 1001-1609

1шт.

1

2701-1598L

BOOM SUB ASS'Y

SERIAL: 1610

1шт.

1B

2110-1315A

BUSHING

desc: . MANCHON

2шт.

1C

2180-1106BD6

SEAL;DUST

desc: . PARE-POUSSIERES

2шт.

2

2123-2180E

PIN

desc: GOUJON

1шт.

3

123-00409

PIN

desc: GOUJON

2шт.

4

2123-2184C

PIN

desc: GOUJON

1шт.

5

2123-2185E

PIN

desc: GOUJON

1шт.

6

2123-2187C

PIN

desc: GOUJON

1шт.

7

2116-1531A

STOPPER

desc: TAQUET D'ARRET

2шт.

8

S0567066

BOLT M16X2.0X150

desc: BOULON A 6 PANS

2шт.

9

S4012933

NUT M16X2.0

desc: ECROU

4шт.

10

2180-1106BD6

SEAL;DUST

desc: PARE-POUSSIERES

2шт.

11

2180-1106BD24

SEAL;DUST

desc: PARE-POUSSIERES

10шт.

12

2114-1059D113

SHIM

desc: CALE

4шт.

13

2114-1059D63

SHIM

desc: CALE

8шт.

14

2114-1059D118

SHIM

desc: CALE

6шт.

15

2116-1514A

STOPPER

desc: PLAQUE

2шт.

16

2116-1060D6

STOPPER

desc: TAQUET D'ARRET

3шт.

17

S0521366

BOLT M16X2.0X35

desc: BOULON A 6 PANS

7шт.

18

S5102903

WASHER;SPRING

desc: RONDELLE ELASTIQUE

7шт.

19

2195-2394B

BRACKET

desc: SUPPORT

2шт.

20

S0515053

BOLT M16X1.75X25

desc: BOULON A 6 PANS

4шт.

21

S5102703

WASHER;SPRING

desc: RONDELLE ELASTIQUE

4шт.

22

2114-1059D114

SHIM

desc: CALE

4шт.

23

2114-1059D255

SHIM

desc: CALE

2шт.

24

2114-1059D256

SHIM

desc: CALE

2шт.

Выбрано товаров: 28