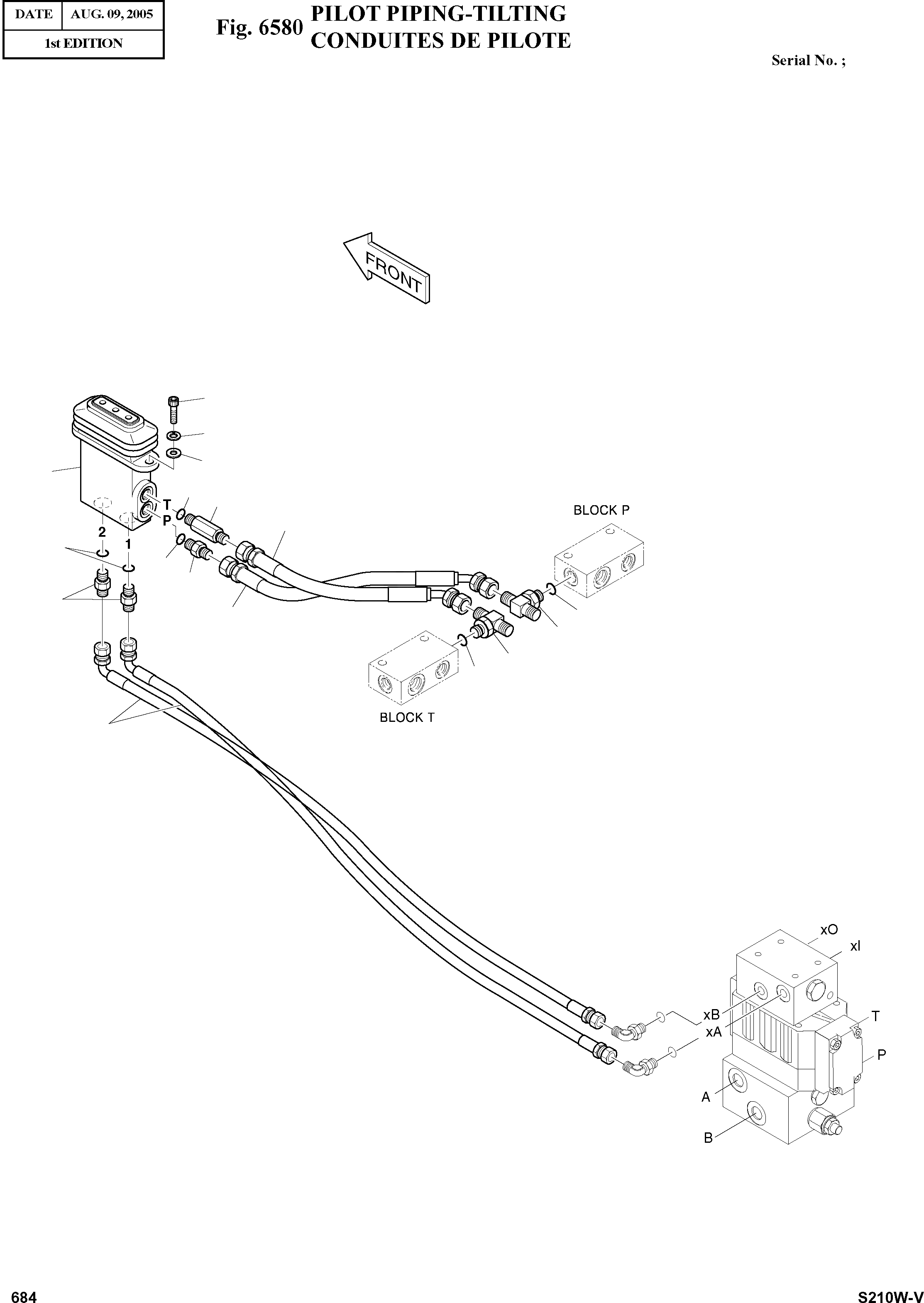
Запчасти Doosan Daewoo PILOT PIPING-TILTING OPTION PARTS

3
2
16
1
9
13
7
9
9
12
11
8
10
14
14
10
15
FIT
1:1
100%

Артикул

Название

Примечание

Количество

-

400-01154

PILOT PIPING

SC: D

-2шт.

1

420-00347

VALVE;PEDAL

desc: VANNE

1шт.

2

S5110603

WASHER;SPRING M10

desc: RONDELLE ELASTIQUE

2шт.

3

S2212266

BOLT;SOCKET M10X1.5X30

desc: BOULON A 6PANS

2шт.

7

2184-1060D26

HOSE PF3/8-300L

desc: TUYAU FLEXIBLE

1шт.

8

2184-1060D105

HOSE PF3/8-370L

desc: TUYAU FLEXIBLE

1шт.

9

S8000111

O-RING

desc: JOINT TORIQUE

4шт.

10

S8000141

O-RING

desc: JOINT TORIQUE

2шт.

11

2181-1126D39

ADAPTER PFO1/4-PF3/8

desc: ADAPTEUR

2шт.

12

2181-1126D85

ADAPTER PFO1/4-PF3/8

desc: ADAPTEUR

1шт.

13

2181-1126D122

ADAPTER PFO1/4-PF3/8

desc: ADAPTEUR

1шт.

14

2181-2281D13

TEE PFO3/8-2PF3/8

desc: TE

2шт.

15

DS2055525

HOSE PF3/8-3200L

desc: TUYAU FLEXIBLE

2шт.

16

S5010613

WASHER;PLAIN

desc: RONDELLE

2шт.

Выбрано товаров: 14