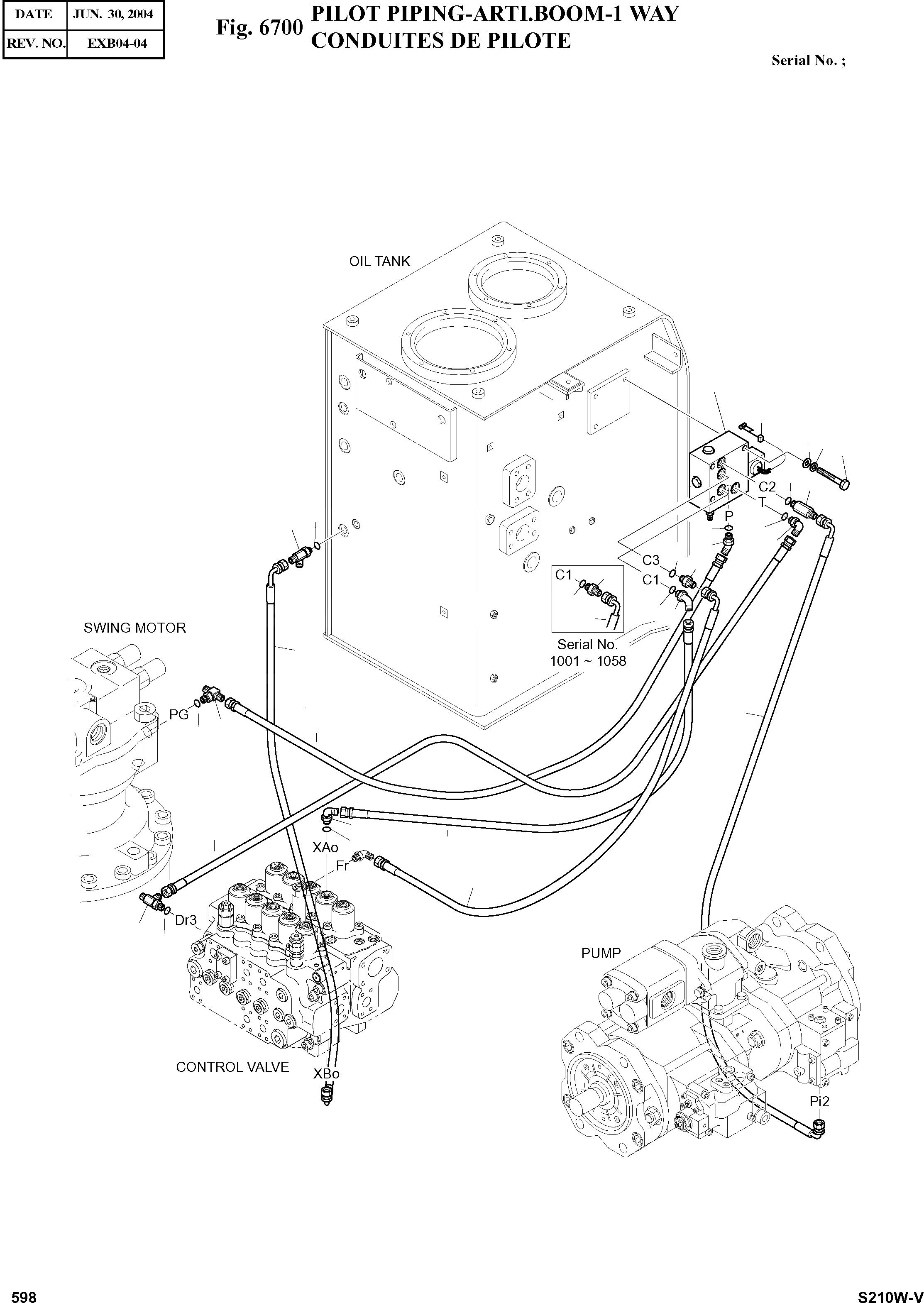
Запчасти Doosan Daewoo PILOT PIPING-ARTI.BOOM-1 WAY OPTION PARTS

1
20
4
3
2
6
7
6
11
6
6
8
19
6
5
5
6
6
8
13
18
14
16
12
6
8
17
6
13
15
11
6
FIT
1:1
100%

Артикул

Название

Примечание

Количество

-

400-01146

PILOT PIPING

SC: D

-2шт.

1

420-00340

VALVE;BREAKER

SERIAL: 1001-1449

1шт.

1

420-00340A

VALVE;BREAKER

SERIAL: 1450

1шт.

2

S0558953

BOLT M10X1.5X70

desc: BOULON A 6 PANS

3шт.

3

S5102603

WASHER;SPRING M10

desc: RONDELLE ELASTIQUE

3шт.

4

S5010613

WASHER;PLAIN M10

desc: RONDELLE PLATE

3шт.

5

2181-1126D14

ADAPTER PFO1/4-PF1/4

SERIAL: 1001-1058

2шт.

5

2181-1126D14

ADAPTER PFO1/4-PF1/4

SERIAL: 1059

1шт.

6

S8000111

O-RING

desc: JOINT TORIQUE

9шт.

7

2181-1126D34

ADAPTER PFO1/4-PF1/4

desc: ADAPTEUR

1шт.

8

2181-1702D4

ELBOW PFO1/4-PF1/4

SERIAL: 1001-1058

2шт.

8

2181-1702D4

ELBOW PFO1/4-PF1/4

SERIAL: 1059

3шт.

11

2181-1951D1

TEE PFO1/4-2PF1/4

desc: TE

2шт.

12

2181-2281D1

TEE PFO1/4-2PF1/4

desc: TE

1шт.

13

2184-1046D76

HOSE PF1/4-1200L

SERIAL: 1001-1058

1шт.

13

2184-1045D190

HOSE PF1/4-1200L

SERIAL: 1059

1шт.

14

2184-1061D277

HOSE PF1/4-1200L

desc: TUYAU FLEXIBLE

1шт.

15

2184-1046D108

HOSE PF1/4-1300L

desc: TUYAU FLEXIBLE

1шт.

16

2184-1045D196

HOSE PF1/4-1730L

desc: TUYAU FLEXIBLE

1шт.

17

2184-1045D157

HOSE PF1/4-1500L

desc: TUYAU FLEXIBLE

1шт.

18

2184-1061D56

HOSE PF1/4-640L

desc: TUYAU FLEXIBLE

1шт.

19

2181-2419D1

ELBOW PFO1/4-PF1/4

desc: COUDE

1шт.

20

530-00330

HARNESS;BREAKER

desc: FAISCEAU

1шт.

Выбрано товаров: 23