Запчасти Doosan Daewoo OUTRIGGER-STABILIZER TRACK PARTS

19
15
20
8
26
27
28
5
23
21
22
9
10
6
4
30
5
25
24
18
2
23
22
10
6
7
10
22
23
23
22
12
13
22
11
21
23
1
14
16
29
17
3
1A
1B
1B
1A
FIT
1:1
100%

Артикул

Название

Примечание

Количество

-

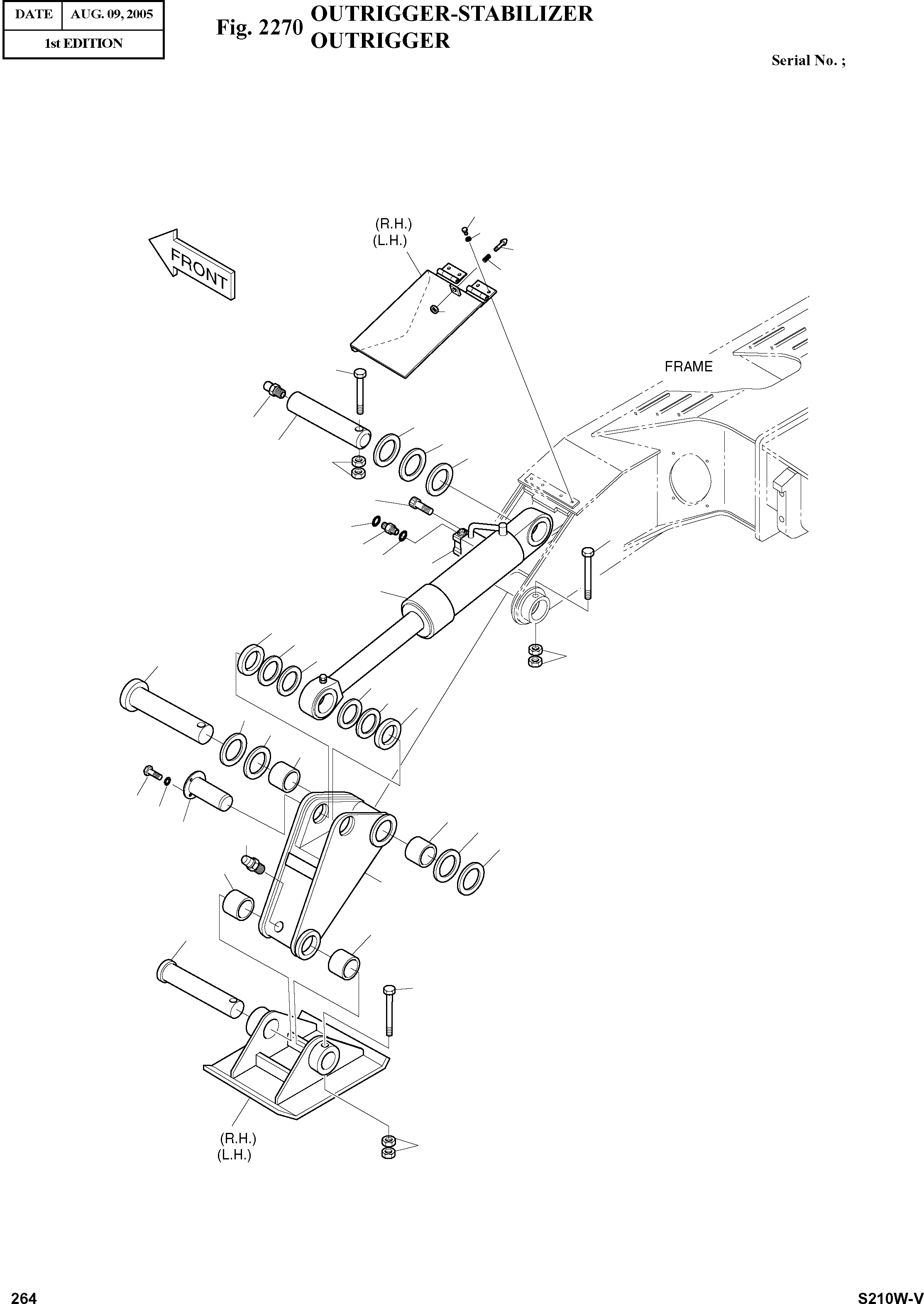
626-00039

OUTRIGGER ASS'Y

SC: D

-2шт.

1

2626-1075B

LEG;OUTRIGGER

desc: BATI PRINCIPAL

2шт.

1A

110-00262

BUSH

desc: . DOUILLE

2шт.

1B

110-00263

BUSH

desc: . DOUILLE

2шт.

2

2440-9275

CYLINDER;OUTRIGGER

desc: VERIN DE BEQUILLES

2шт.

3

2197-2572A

FOOT;STABILIZER(L.H.)

desc: ENSEMBLE DE CONSOLE

1шт.

4

S2212966

BOLT;SOCKET M10X1.5X65

desc: BOULON 6 PANS CREUX

8шт.

5

S0571666

BOLT M20X2.5X150

desc: BOULON A 6 PANS

4шт.

6

S4013133

NUT M20X2.5

desc: ECROU

8шт.

7

2123-1468B

PIN

desc: GOUJON

2шт.

8

621-02156

COVER(L.H.)

desc: COUVERCLE

1шт.

9

2123-1469

PIN

desc: BROCHE

2шт.

10

2180-9055

SEAL;DUST

desc: PARE-POUSSIERES

8шт.

11

2123-1470B

PIN

desc: GOUJON

2шт.

12

S0515253

BOLT M12X1.75X30

desc: BOULON A 6 PANS

6шт.

13

S5102703

WASHER;SPRING

desc: RONDELLE ELASTIQUE

6шт.

14

2123-2345B

PIN

desc: GOUJON

2шт.

15

621-02157

COVER(R.H.)

desc: COUVERCLE

1шт.

16

S0566666

BOLT M16X2.0X120

desc: BOULON A 6 PANS

2шт.

17

S4012933

NUT M16X2.0

desc: ECROU

4шт.

18

2426-9023B

VALVE

desc: VANNE

2шт.

19

S0511553

BOLT M10X1.5X14

desc: BOULON A 6 PANS

8шт.

20

S5102603

WASHER;SPRING M10

desc: RONDELLE ELASTIQUE

8шт.

21

S6710041

FITTING

desc: GRAISSEUR

6шт.

22

2114-1059D214

SHIM

desc: CALE

8шт.

23

2114-1059D21

SHIM

desc: CALE

8шт.

24

S8000181

O-RING

desc: JOINT TORIQUE

4шт.

25

2181-4133D3

ADAPTER PFO1/2-ORS1/2

desc: ADAPTATEUR

4шт.

26

161-00465

STOPPER

desc: ARRET

2шт.

27

129-00145

SPRING

desc: RESSORT

2шт.

28

S4012733

NUT M10X1.75

desc: ECROU

2шт.

29

2197-2601A

FOOT;STABILIZER(R.H.)

desc: ENSEMBLE DE CONSOLE

1шт.

30

S8030081

O-RING

desc: JOINT TORIQUE

4шт.

Выбрано товаров: 33