Качественные детали и логистика
Оригинальные и аналоговые запчасти с доставкой по России, Казахстану и Беларуси
©2022 PartSell ООО "Система" ИНН 2463123282 ОГРН 1212400004838
Центральный офис: г. Красноярск, Академика Киренского, д.87, пом.4
Телефон: 8 (800) 777-65-74 Email: zakaz@partsell.ru
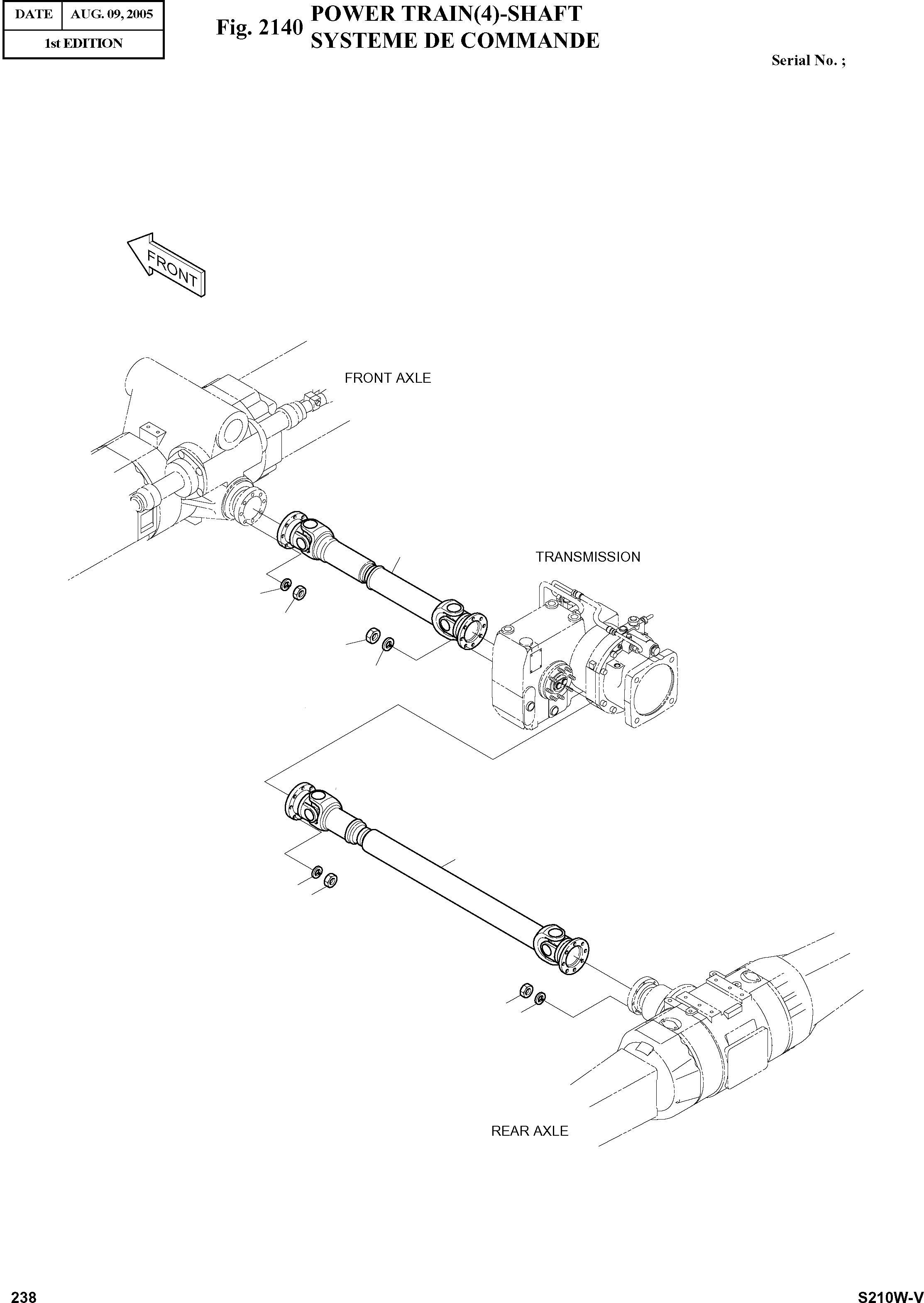
POWER TRAIN(4)-SHAFT
№
Артикул
Название
Примечание
Количество
-
200-00010A
POWER TRAIN
SC: D
-2шт.
3
2260-9036A
SHAFT;PROP(REAR)
desc: ARBRE
1шт.
4
2260-9037A
SHAFT;PROP(FRONT)
29
S5102603
WASHER;SPRING M10
desc: RONDELLE ELASTIQUE
32шт.
31
2121-1251A
NUT M10X1.0
desc: ECROU
Выбрано товаров: 0