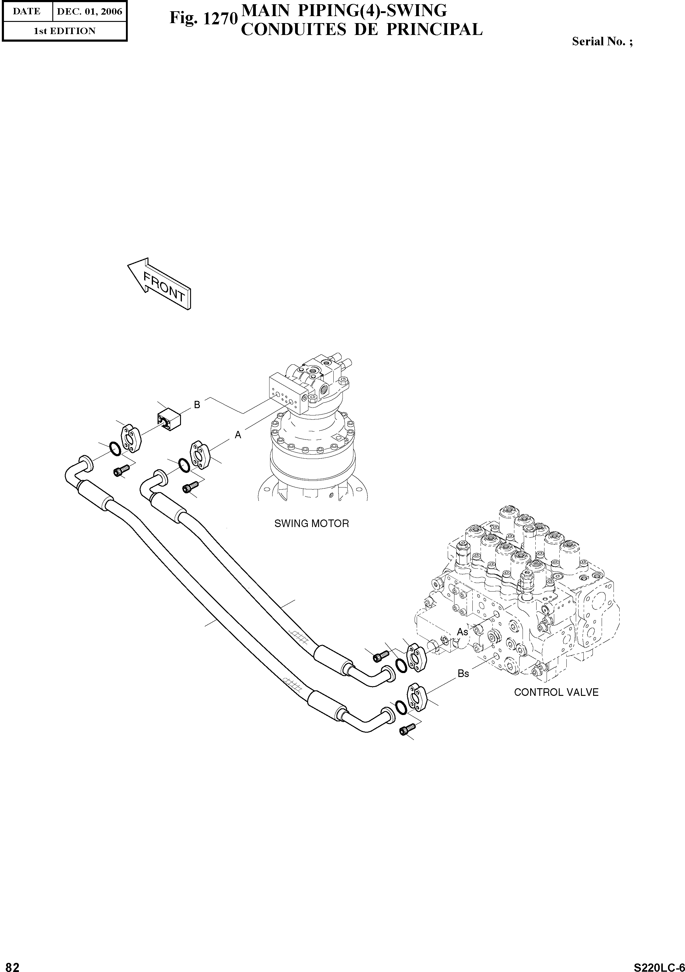
Запчасти Doosan Daewoo MAIN PIPING(4)-SWING BODY PARTS

66
34
33
33
34
58
58
10
11
34
33
28
33
34
28
FIT
1:1
100%

Артикул

Название

Примечание

Количество

-

2400-1759B

MAIN PIPING

SC: D

-2шт.

10

2184Y1124D77-A

HOSE

desc: TUYAU FLEXIBLE

1шт.

11

2184-1124D168

HOSE

desc: TUYAU FLEXIBLE

1шт.

28

S2212266

BOLT;SOCKET M10X1.5X30

desc: BOULON DE PLOT

8шт.

33

2180-1026D2

O-RING

desc: JOINT TORIQUE

4шт.

34

181-00095

FLANGE

desc: BRIDE

8шт.

58

S2213066

BOLT;SOCKET

desc: BOULON DE PLOT

8шт.

66

423-00032

BLOCK;SPACER

desc: BLOC

2шт.

Выбрано товаров: 8