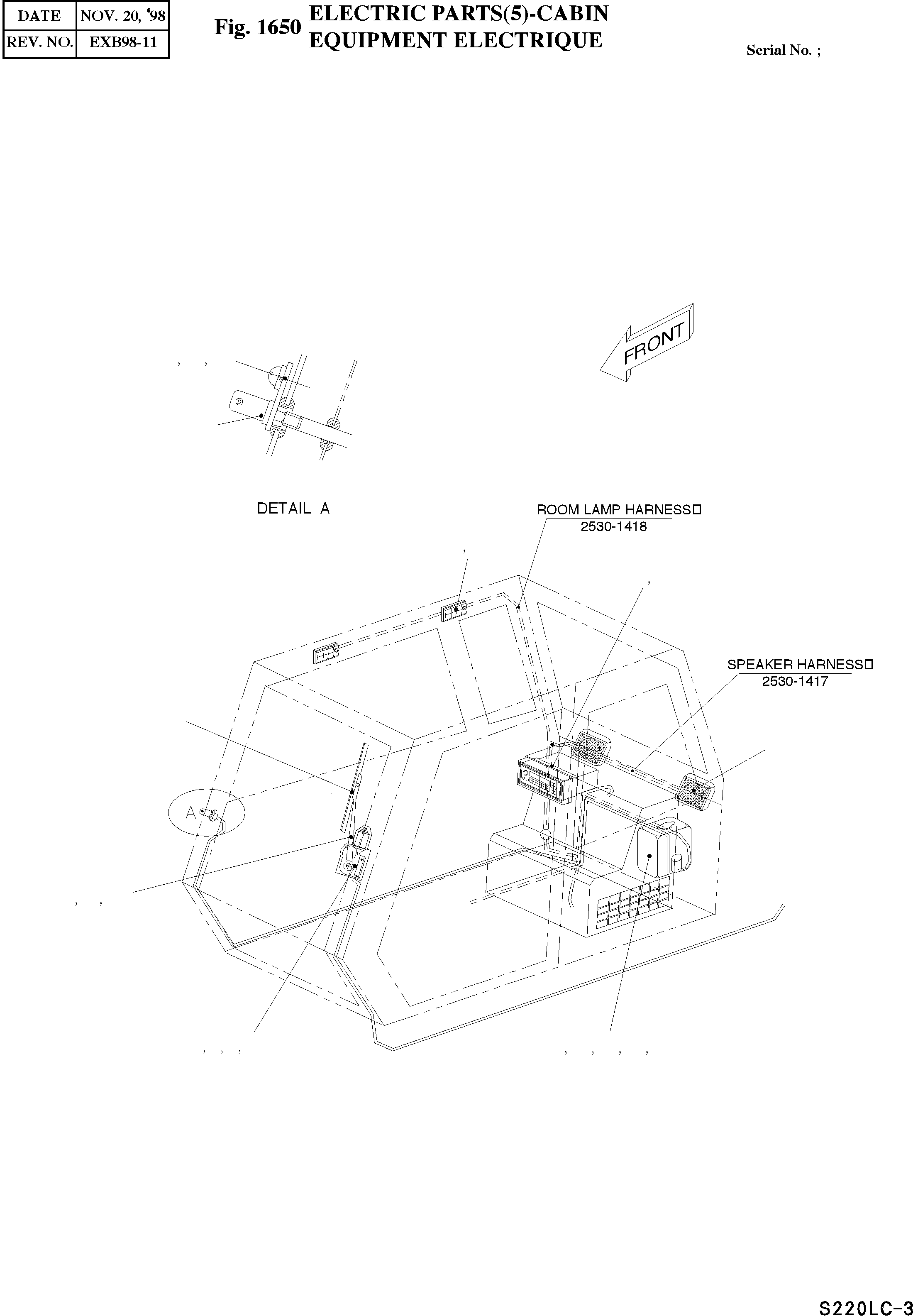
Запчасти Doosan Daewoo ELECTRIC PARTS(5)-CABIN BODY PARTS

20
25
23
24
13
21
22
19
26
26A
10
11
12
6
7
8
9
14
15
16
17
18
FIT
1:1
100%

Артикул

Название

Примечание

Количество

6

2538-9005

MOTOR;WIPER

desc: ENSEMBLE MOTEUR

1шт.

7

S3450833

SCREW M5X0.8X12

desc: VIS

2шт.

8

S5100203

WASHER;SPRING M5

desc: RONDELLE ELASTIQUE

2шт.

9

2403-1053

COVER;WIPER MOTOR

desc: COUVERCLE

1шт.

10

2541-6012A

ARM;WIPER

desc: BALANCIER

1шт.

11

S5102303

WASHER;SPRING M6

desc: RONDELLE ELASTIQUE

1шт.

12

S4012333

NUT M6X1.0

desc: ECROU M6X1.0

1шт.

13

2507-6002

BLADE;WIPER

desc: ENSEMBLE LAME

1шт.

14

2554-9005A

WASHER;WINDOW

desc: RONDELLE

1шт.

15

2195-1534

BRACKET

desc: SUPPORT

1шт.

16

S0504453

BOLT M6X1.0X12

desc: BOULON A 6 PANS

2шт.

17

S5102303

WASHER;SPRING M6

desc: RONDELLE ELASTIQUE

2шт.

18

S5010313

WASHER;PLAIN M6

desc: RONDELLE

2шт.

19

2415-9001A

NOZZLE

desc: BUSE

1шт.

20

2195-2299A

BRACKET

desc: SUPPORT

1шт.

21

S3450953

SCREW M6X1.0X16

desc: VIS

1шт.

22

S5102303

WASHER;SPRING M6

desc: RONDELLE ELASTIQUE

1шт.

23

2541-9016

STEREO;CAR 12V

SERIAL: 1-205

1шт.

23

2541-9016A

STEREO;CAR 12V

SERIAL: 206

1шт.

24

2541-6009

FRAME;CAR STEREO

desc: CHASSIS

1шт.

25

2541-9014

SPEAKER

desc: HAUT-PARLEUR

2шт.

26

2534-9063

LAMP;ROOM 24V 10W

desc: PROJECTEUR DE FLENCHE

2шт.

26A

2515-1021D1

BULB

desc: . LAMPE

1шт.

Выбрано товаров: 23