Запчасти Doosan Daewoo MAIN PIPING(4) BODY PARTS

46
47
34
33
34
48
48
33
10
11
34
28
33
34
28
FIT
1:1
100%

Артикул

Название

Примечание

Количество

-

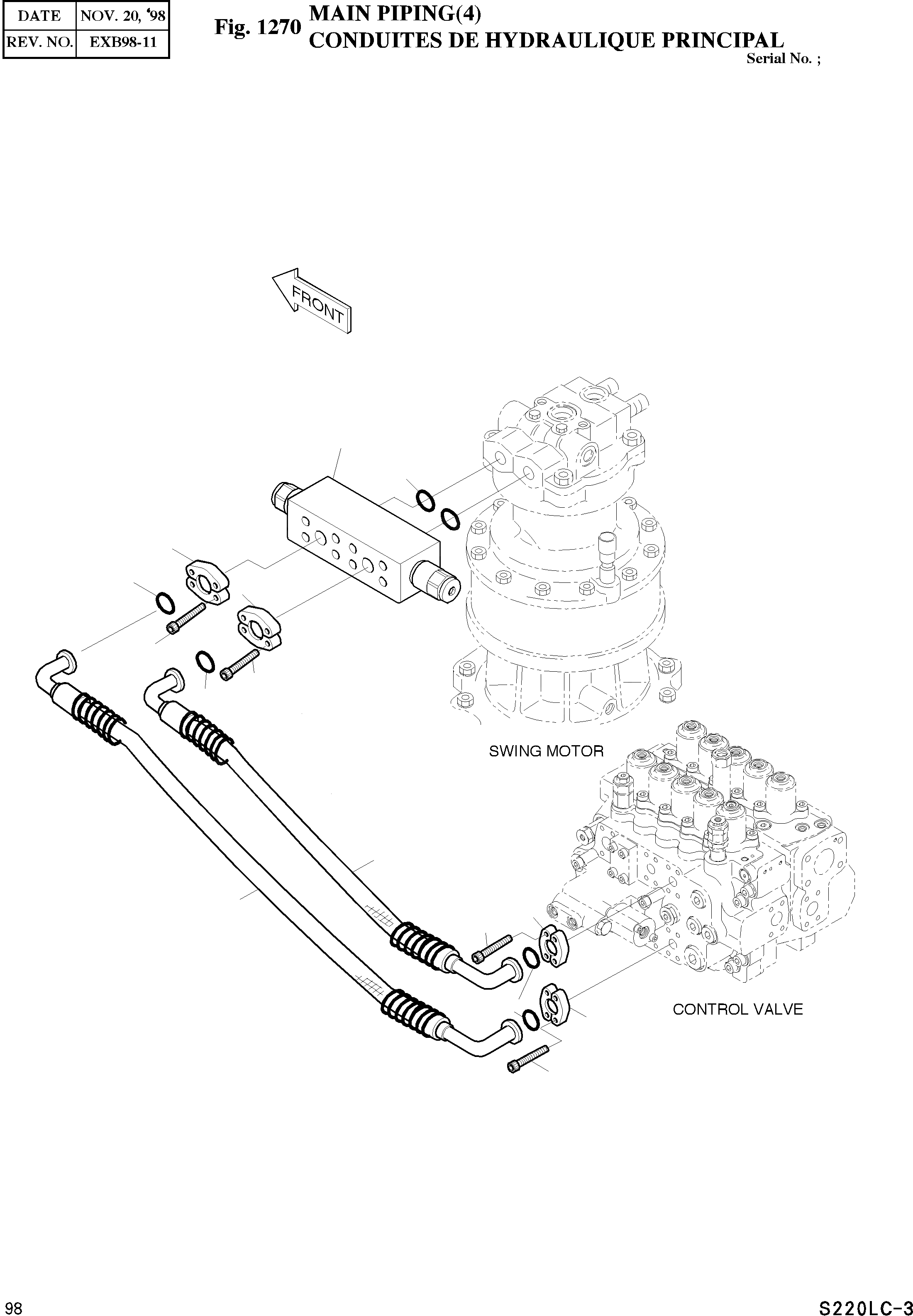
2400-1649

MAIN PIPING

SERIAL: 1-1180

-2шт.

-

2400-1649A

MAIN PIPING

SERIAL: 1181

-2шт.

10

2184-1124D22

HOSE 3/4"-470L

SERIAL: 1-740

1шт.

10

2184-1124D77

HOSE 470L 2-3/4" 5000psi

SERIAL: 741

1шт.

11

2184-1124D21

HOSE 3/4"-550L

SERIAL: 1-740

1шт.

11

2184-1124D103

HOSE 3/4"-600L

SERIAL: 741

1шт.

28

S2212261

BOLT;SOCKET M10X1.5X30

SERIAL: 1-1420

16шт.

28

S2212261

BOLT;SOCKET M10X1.5X30

SERIAL: 1421

8шт.

33

2180-1026D2

O-RING SAE 3/4"

desc: JOINT TORIQUE

4шт.

34

2181-9079

FLANGE;SPLIT 3/4"-5000PSI

desc: BRIDE

8шт.

46

2420-9362

VALVE;REACTIONLESS

SERIAL: 1421

1шт.

47

S8010301

O-RING

SERIAL: 1421

2шт.

48

S2213061

BOLT;SOCKET M10X1.5X70

SERIAL: 1421

8шт.

Выбрано товаров: 13