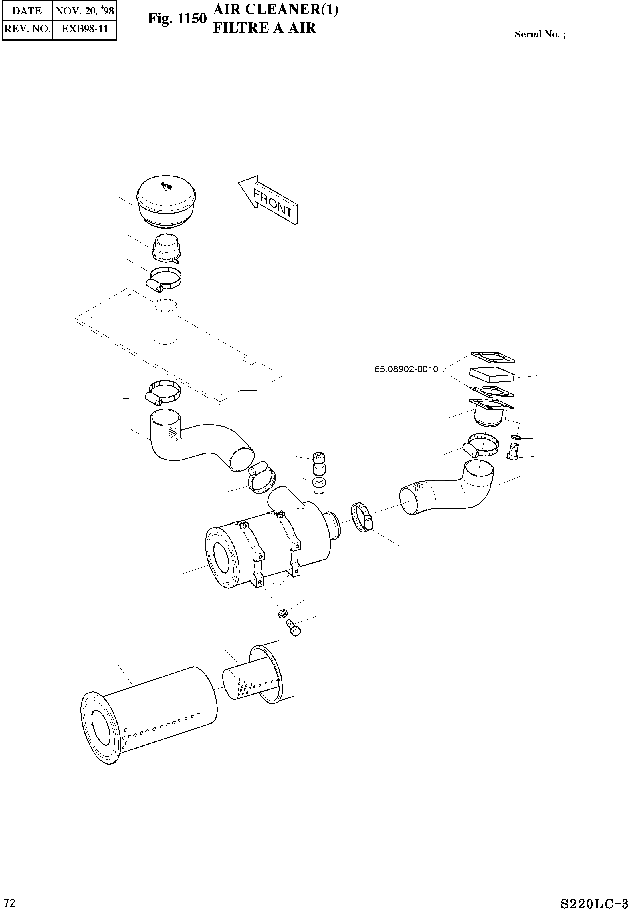
Запчасти Doosan Daewoo AIR CLEANER(1) BODY PARTS

1A
1B
2
14
15
5
10
6
7
11
9
13
10
16
4
10
10
1
8
11
12
FIT
1:1
100%

Артикул

Название

Примечание

Количество

|$1

2204-1040

AIR CLEANER ASS'Y

desc: ENSEMBLE FILTRE A AIR

1шт.

1

2204-1043

CLEANER;AIR

desc: FILTRE A AIR

1шт.

1A

2474-6006A

ELEMENT;AIR

desc: . ELEMENT FILTRANT

1шт.

1B

2474-9038

ELEMENT;INNER

desc: . ELEMENT FILTRANT

1шт.

2

2204-9004A

CLEANER;PRE

SERIAL: 1-2260

1шт.

2

2204-9042

CLEANER;PRE

SERIAL: 2216

1шт.

2

2204-9031

PRE-CLEANER(OPTION)

SC: OP

1шт.

3

2195-3541

BRACKET

desc: SUPPORT

1шт.

4

2185-1337

HOSE;AIR

desc: TUYAU FLEXIBLE

1шт.

5

2545-9008

HEATER;AIR

desc: CHAUFFAGE

1шт.

6

2181-2025A

FLANGE;AIR

desc: BRIDE

1шт.

7

2184-1191

HOSE

desc: TUYAU FLEXIBLE

1шт.

8

2124-1253A

BAND;AIR CLEANER

desc: BRIDE DE FIXATION

2шт.

9

2170-9005

INDICATOR

desc: INDICATEUR

1шт.

10

S8450105

CLAMP;HOSE 105-127

desc: COLLIER

4шт.

11

S5102603

WASHER;SPRING M10

desc: RONDELLE ELASTIQUE

12шт.

12

S0511853

BOLT M10X1.5X20

desc: BOULON A 6 PANS

8шт.

13

S0558753

BOLT M10X1.5X60

desc: BOULON A 6 PANS

4шт.

14

4182-4021

PIPE;EXTENTION

SERIAL: 1-2260

1шт.

14

4182-4021B

PIPE;EXTENTION

SERIAL: 2261

1шт.

15

S8450095

CLAMP D95-D115

desc: COLLIER

1шт.

16

2181-2690

ADAPTER;FILTER

SERIAL: 1680

1шт.

Выбрано товаров: 22