Запчасти Doosan Daewoo AIR CONDITIONER (2)-AIRCON UNIT BODY PARTS

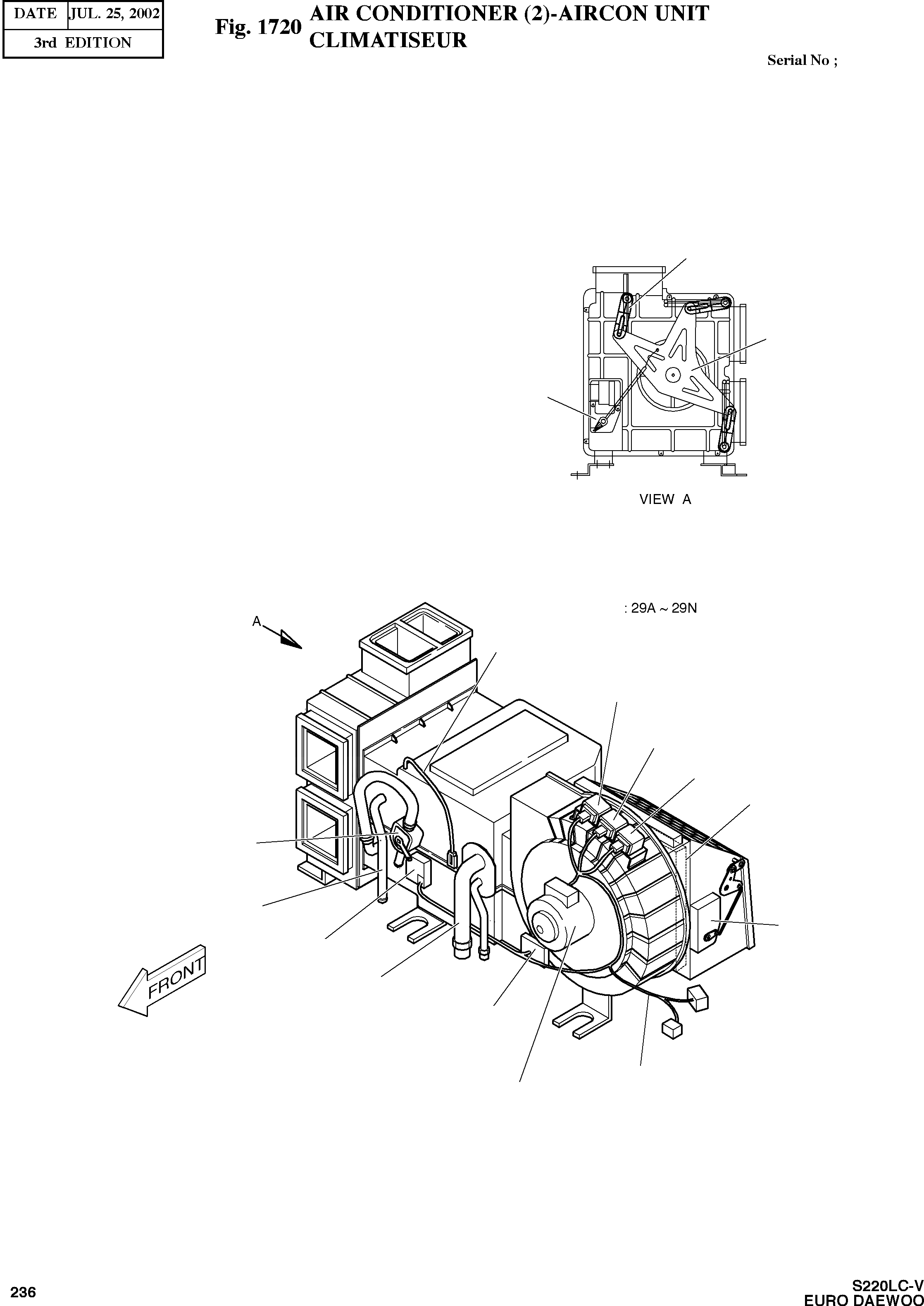
29H
29
29I
29A
29L
29F
29K
29B
29J
29E
29G
29C
29D
29C
29E
29N
29M
FIT
1:1
100%

Артикул

Название

Примечание

Количество

-

2920-1075

COOLER & HEATER ASS'Y

SC: D

-2шт.

29

2920-9044B

UNIT;AIRCON

ICA: I

1шт.

29

2920-9044C

UNIT;AIRCON

desc: CLIMATISEUR

1шт.

29A

2538-6015

MOTOR;BLOWER

desc: . MOTEUR

1шт.

29B

2545-6018

RESISTOR

desc: . RESISTANCE

1шт.

29B

545-00003

RESISTOR

desc: . RESISTANCE

1шт.

29C

2544-6023

RELAY 24V-10A

desc: . RELAIS DEMARREUR

2шт.

29D

2544-6024

RELAY 24V-20A

desc: . RELAIS DEMARREUR

1шт.

29E

2538-6016

MOTOR;INTAKE

desc: . MOTEUR

2шт.

29F

2538-6017

MOTOR;MIX

desc: . MOTEUR

1шт.

29G

2471-6050

FILTER;AIRCON

desc: . FILTRE

1шт.

29H

2426-6048

VALVE;STEM

desc: . VANNE

1шт.

29I

2547-6033

SENSOR;TEMPERATURE

desc: . CAPTEUR REGIME

1шт.

29J

2530-6005

HARNESS;AIRCON UNIT

desc: . FAISCEAU

1шт.

29K

2920-6111

EVAPORATOR

desc: . CHAUFFAGE

1шт.

29L

2920-6112

HEATER CORE

desc: . CHAUFFAGE

1шт.

29M

2431-6002

LEVER;MAIN

desc: . LEVIER

1шт.

29N

2431-6003

LEVER;SUB

desc: . LEVIER

3шт.

Выбрано товаров: 18