Запчасти Doosan Daewoo MAIN PIPING(4)-SWING BODY PARTS

41
44
42
40
42
11
10
41
34
33
33
34
58
58
34
33
28
33
34
28
FIT
1:1
100%

Артикул

Название

Примечание

Количество

-

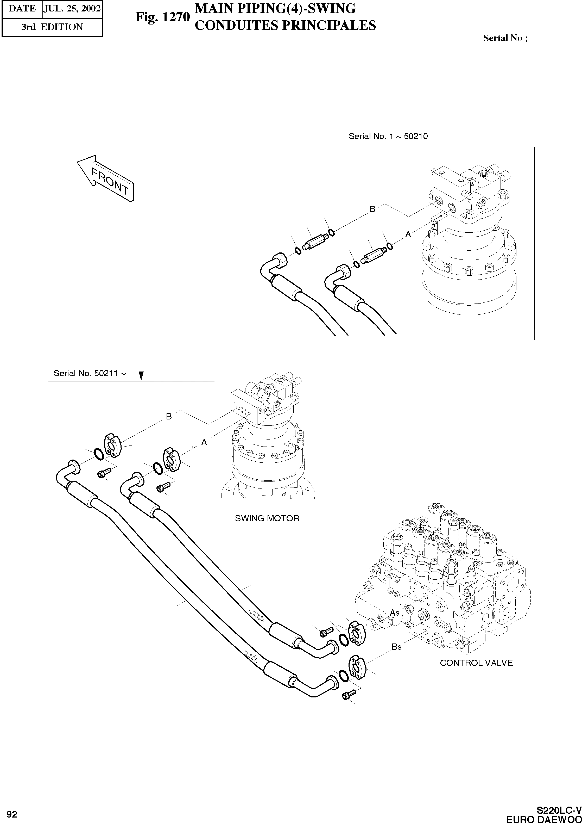
2400-1759A

MAIN PIPING

SERIAL: 1-50210

-2шт.

-

2400-1759B

MAIN PIPING

SERIAL: 50211-50450

-2шт.

-

9400-1092B

MAIN PIPING

SERIAL: 50451

-2шт.

10

2184-1202D51

HOSE;3/4-490L

SERIAL: 1-50210

1шт.

10

2184-1124D77

HOSE;3/4-470L

SERIAL: 50211

1шт.

11

2184-1202D56

HOSE;3/4-550L

SERIAL: 1-50210

1шт.

11

2184-1124D168

HOSE;3/4-560L

SERIAL: 50211

1шт.

28

S2212266

BOLT;SOCKET M10X1.5X30

desc: BOULON A 6 PANS CREUX

8шт.

33

2180-1026D2

O-RING

SERIAL: 1-50210

2шт.

33

2180-1026D2

O-RING

SERIAL: 50211

4шт.

34

2181-9079

FLANGE;SPLIT

SERIAL: 1-50210

4шт.

34

2181-9079

FLANGE;SPLIT

SERIAL: 50211

8шт.

40

2181-4133D13

ADAPTER;PF0 -ORS3/4

SERIAL: 1-50210

1шт.

41

S8000241

O-RING

SERIAL: 1-50210

2шт.

42

S8030121

O-RING

SERIAL: 1-50210

2шт.

44

2181-4133D14

ADAPTER;PF0 -ORS3/4

SERIAL: 1-50210

1шт.

58

S2213061

BOLT;SOCKET M10X1.5X70

SERIAL: 50211

8шт.

Выбрано товаров: 17