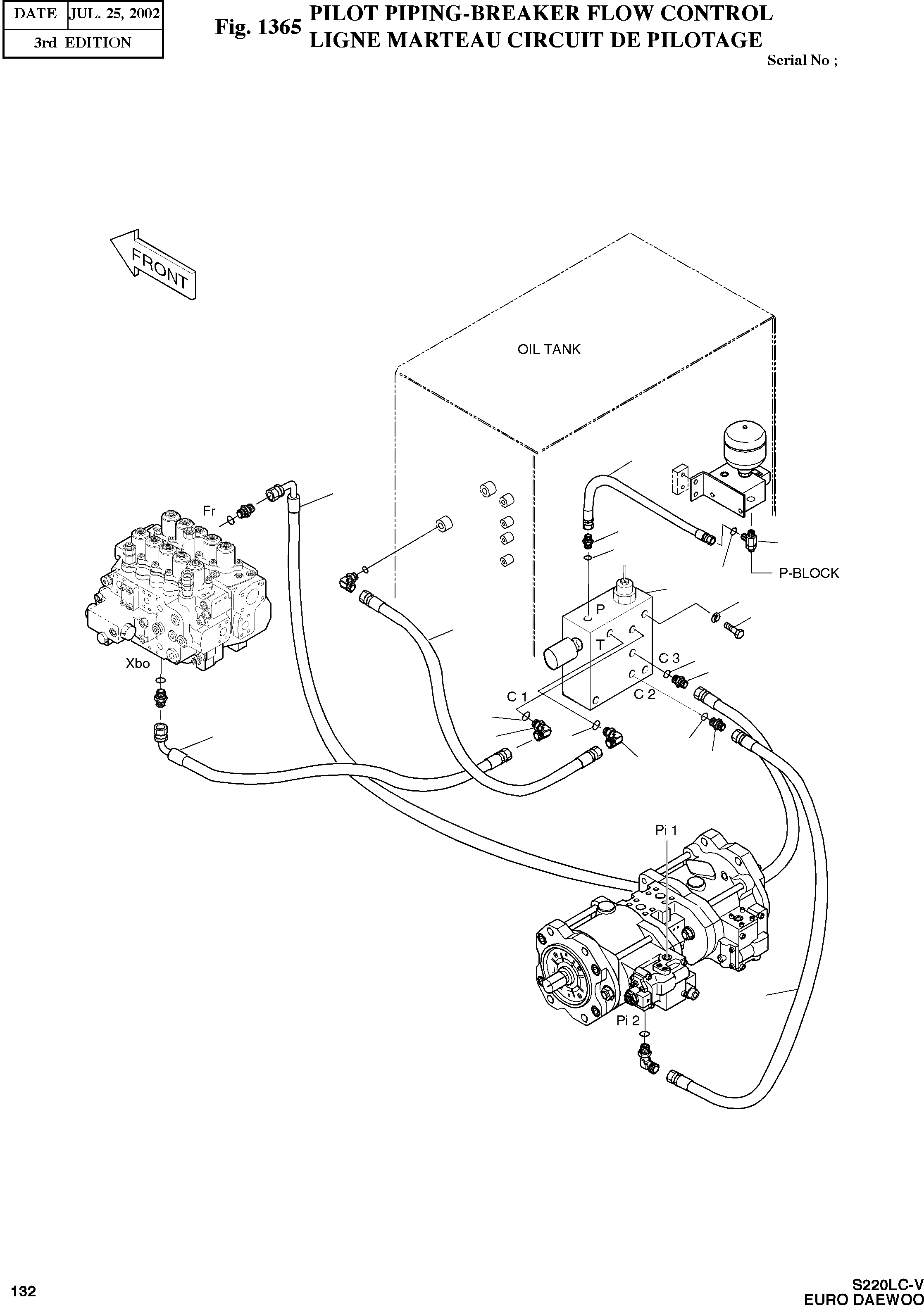
Запчасти Doosan Daewoo PILOT PIPING - BREAKER FLOW CONTROL BODY PARTS

11
12
4
7
5
8
3
10
13
1
2
5
4
5
6
5
5
4
6
9
FIT
1:1
100%

Артикул

Название

Примечание

Количество

-

2400-1888

PILOT PIPING-BREAKER

SC: D

-2шт.

1

2420-9227A

VALVE;BREAKER

SERIAL: 1-50370

1шт.

1

9420-6031

VALVE;BREAKER

SERIAL: 50371-50600

1шт.

1

9420-6031A

VALVE;BREAKER

SERIAL: 50601

1шт.

2

S0558953

BOLT M10X1.5X70

SERIAL: 1-50370

3шт.

2

S0558853

BOLT

SERIAL: 50371

3шт.

3

S5102603

WASHER;SPRING

desc: RONDELLE ELASTIQUE

3шт.

4

2181-1126D14

ADAPTER

desc: RACCORD ADAPTATEUR

3шт.

5

S8000111

O-RING

desc: JOINT TORIQUE

5шт.

6

2181-1702D4

ELBOW

desc: COUDE

2шт.

7

2181-1951D19

TEE

desc: TE

1шт.

8

S8000181

O-RING

desc: JOINT TORIQUE

1шт.

9

2184-1045D55

HOSE PF1/4-990L

desc: TUYAU FLEXIBLE

1шт.

10

2184-1046D120

HOSE PF1/4-1950L

desc: TUYAU FLEXIBLE

1шт.

11

2184-1046D147

HOSE PF1/4-1000L

desc: TUYAU FLEXIBLE

1шт.

11

2184-1046D143

HOSE

desc: TUYAU FLEXIBLE

1шт.

12

2184-1045D150

HOSE PF1/4-540L

desc: TUYAU FLEXIBLE

1шт.

12

2184-1046D195

HOSE

desc: TUYAU FLEXIBLE

1шт.

13

2184-1045D55

HOSE PF1/4-990L

desc: TUYAU FLEXIBLE

1шт.

Выбрано товаров: 0