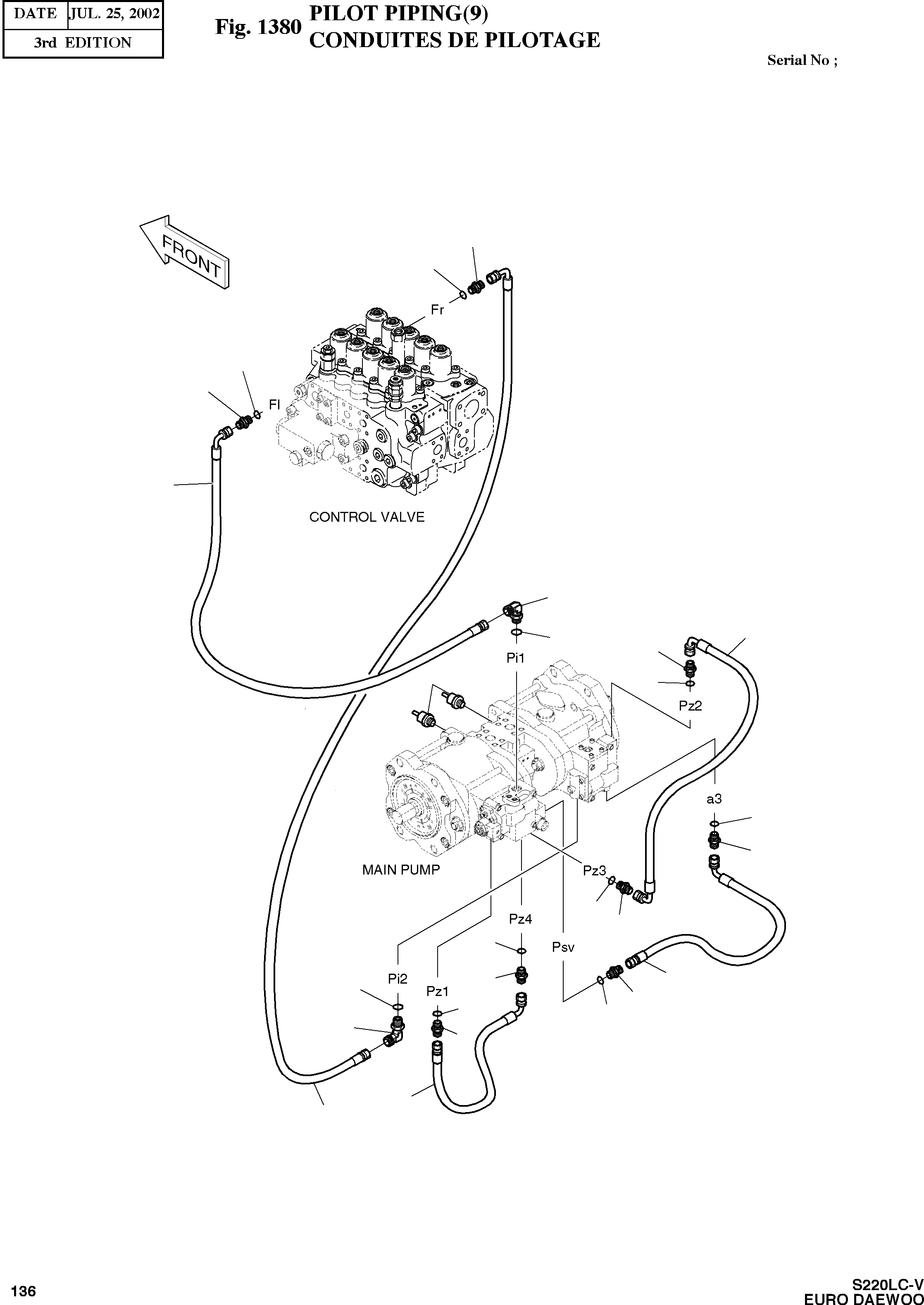
Запчасти Doosan Daewoo PILOT PIPING(9) BODY PARTS

27
26
26
27
98
32
112
26
27
46
26
26
27
26
27
26
27
110
26
27
26
26
32
27
111
103
FIT
1:1
100%

Артикул

Название

Примечание

Количество

-

2400-1787A

PILOT PIPING

SC: D

-2шт.

-

2400-1787B

PILOT PIPING

SC: D

-2шт.

-

2400-1787C

PILOT PIPING

SERIAL: 50391

-2шт.

-

9400-1093C

PILOT PIPING

SC: D

-2шт.

26

S8000111

O-RING

desc: JOINT TORIQUE

10шт.

27

2181-1126D14

ADAPTER;PF0 1/4-PF1/4

desc: RACCORD

8шт.

32

2181-1702D4

ELBOW;PF0 1/4-PF3/8

desc: COUDE

2шт.

46

2547-9045

SENSOR;PRESSURE

desc: CAPTEUR

2шт.

98

2184-1046D120

HOSE 1/4-1950L

desc: TUYAU FLEXIBLE

1шт.

103

2184-1046D120

HOSE 1/4-1950L

desc: TUYAU FLEXIBLE

1шт.

110

2184-1046D198

HOSE 1/4-400L

desc: TUYAU FLEXIBLE

1шт.

111

2184-1046D215

HOSE 1/4-320L

desc: TUYAU FLEXIBLE

1шт.

112

2184-1061D245

HOSE 1/4-430L

desc: TUYAU FLEXIBLE

1шт.

Выбрано товаров: 13