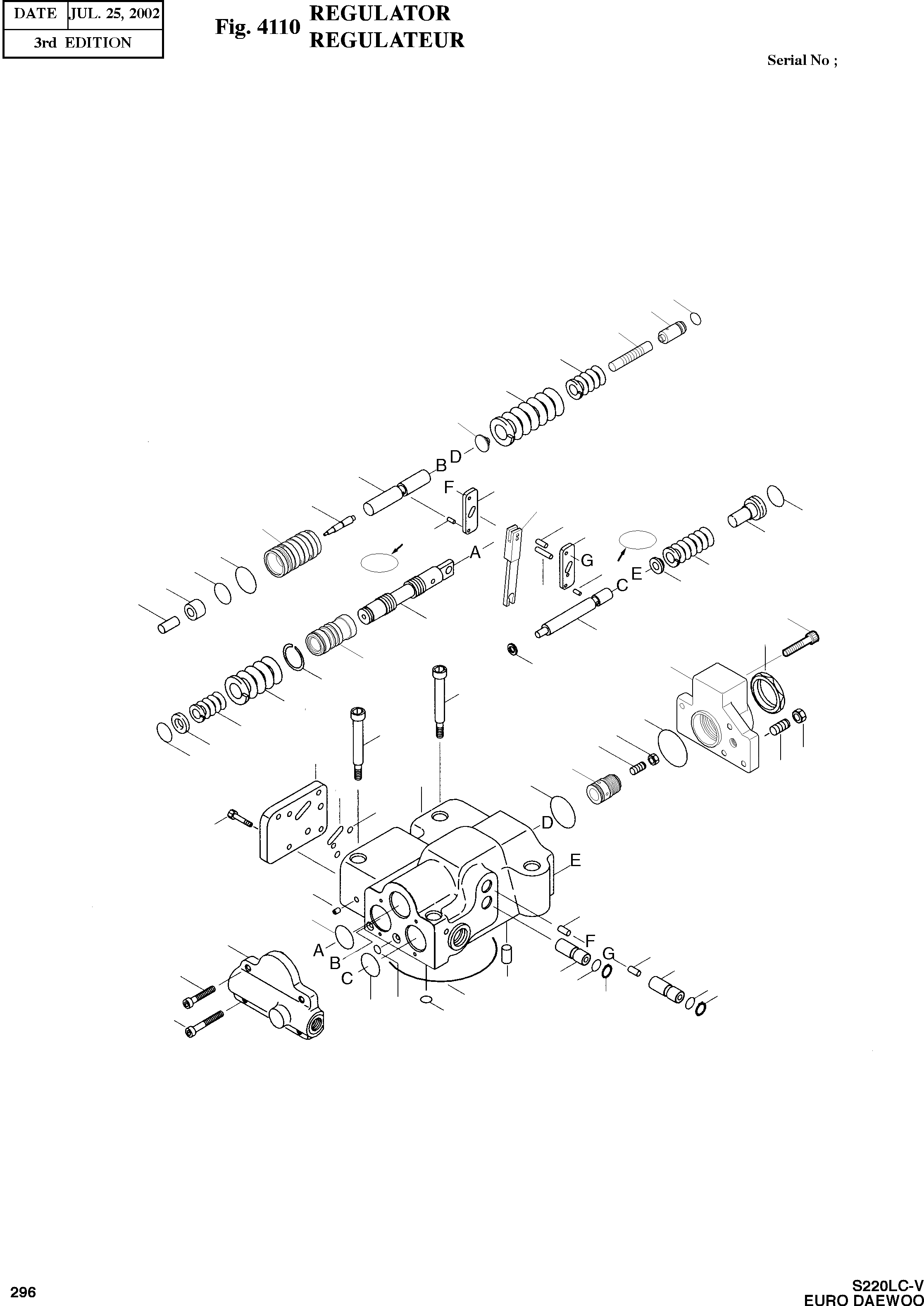
Запчасти Doosan Daewoo REGULATOR HYDRAULIC PARTS

621
732
627
674
626
625
624
623
612
728
874
622
613
875
645
876
733
876
732
875
646
631
644
897
898
438
652
643
630
629
730
836
412
655
763
413
801
654
925
653
656
801
814
628
924
601
756
735
722
438
858
496
875
734
641
875
614
611
438
615
755
887
755
858
708
725
730
724
436
651
FIT
1:1
100%

Артикул

Название

Примечание

Количество

|$1

717120

REGULATOR

SERIAL: 1-50510

2шт.

|$2

717120A

REGULATOR

SERIAL: 50511

2шт.

412

200852

BOLT;SOCKET M8X50L

desc: BOULON A 6 PANS CREUX

2шт.

413

205526

BOLT;SOCKET M8X70L

desc: BOULON A 6 PANS CREUX

2шт.

436

200833

BOLT;SOCKET M6X30L

desc: BOULON A 6 PANS CREUX

2шт.

438

200830

BOLT;SOCKET M6X20L

desc: BOULON A 6 PANS CREUX

10шт.

496

224308

EXPANDER

SC: D

6шт.

601

113407

CASING

SERIAL: 1-50510

1шт.

601

140783

CASING

SERIAL: 50511

1шт.

611

113815

LEVER;FEED BACK

SERIAL: 1-50510

1шт.

611

140790

LEVER;FEED BACK

SERIAL: 50511

1шт.

612

113409

LEVER(1)

SERIAL: 1-50510

1шт.

612

140787

LEVER(1)

SERIAL: 50511

1шт.

613

113410

LEVER(2)

SERIAL: 1-50510

1шт.

613

140788

LEVER(2)

SERIAL: 50511

1шт.

614

113411

PLUG;SUPPORT

SERIAL: 1-50510

1шт.

614

140795

PLUG;SUPPORT

SERIAL: 50511

1шт.

615

113412

PLUG;ADJUST

SERIAL: 1-50510

1шт.

615

140796

PLUG;ADJUST

SERIAL: 50511

1шт.

621

113413A

PISTON;COMPEN

SC: D

1шт.

622

113414A

CASE;PISTON

SC: D

1шт.

623

113415

ROD;COMPEN

SC: D

1шт.

624

113416

SPRING;SEAT

SC: D

1шт.

625

115810

SPRING;OUTER

SC: D

1шт.

626

115809

SPRING;INNER

SC: D

1шт.

627

120009

RING;ADJUST(C)

SC: D

1шт.

628

120010

SCREW;ADJUST(C)

SC: D

1шт.

629

120011A

COVER(C)

SERIAL: 1-50510

1шт.

629

140785

COVER(C)

SERIAL: 50511

1шт.

630

113396

NUT;LOCK

SC: D

1шт.

631

125636

SLEEVE;PF

SC: D

1шт.

641

115804

COVER;PILOT

SC: D

1шт.

643

113406

PISTON;PILOT

SC: D

1шт.

644

113431

SPRING;SEAT

SC: D

1шт.

645

113436

RING;ADJUST(Q)

SC: D

1шт.

646

120013

SPRING;PILOT

SC: D

1шт.

651

117387

SLEEVE

SC: D

1шт.

652

113441

SPOOL

SERIAL: 1-50510

1шт.

652

140786

SPOOL

SERIAL: 50511

1шт.

653

113442

SPRING;SEAT

SC: D

1шт.

654

113443

SPRING;RETURN

SC: D

1шт.

655

113444

SPRING;SET

SC: D

1шт.

656

113445

COVER

SC: D

1шт.

674

120055EX

PISTON;PF

SC: D

1шт.

708

201673

O-RING 1BG75

SC: K

1шт.

722

201757

O-RING 1BP6

REP_PNO: OORBP6

3шт.

724

201765

O-RING 1BP8

REP_PNO: OORBG85

9шт.

725

201685

O-RING 1BP10

SC: K

1шт.

728

201710

O-RING 1BP18

REP_PNO: OORB18

1шт.

730

201718

O-RING 1BP22

SC: K

1шт.

732

201706

O-RING 1BP16

REP_PNO: OORBP16

2шт.

733

201713

O-RING 1BP20

REP_PNO: OORBP20

2шт.

734

201654

O-RING 1BP25

SC: K

1шт.

735

204458

O-RING 1BP12.5

SC: K

1шт.

755

201689

O-RING 1BP11

REP_PNO: OORBP11

2шт.

756

201723

O-RING 1BP26

SC: K

2шт.

763

201660

O-RING 1BG35

REP_PNO: OORBG35

1шт.

801

212035

NUT M8

desc: ECROU

2шт.

814

204956

RING;SNAP

desc: BAGUE

1шт.

836

215018

RING;SNAP

SC: D

1шт.

858

212036

RING;SNAP C-15(R)

desc: BAGUE

2шт.

874

217841

PIN

SC: D

1шт.

875

212005

PIN

SERIAL: 1-50450

4шт.

875

212005

PIN

SERIAL: 50451-50510

2шт.

875

140793

PIN

SERIAL: 50511

2шт.

876

235051

PIN

SERIAL: 50451-50510

2шт.

876

140792

PIN

SERIAL: 50511

2шт.

887

113394

PIN

SC: D

1шт.

897

217842

PIN

SERIAL: 1-50510

1шт.

897

140794

PIN

SERIAL: 50511

1шт.

898

125637

PISTON

SC: D

1шт.

924

202523

SEAT SCREW

desc: VIS

1шт.

925

113395

SCREW;ADJUST(QI)

SC: D

1шт.

Выбрано товаров: 73