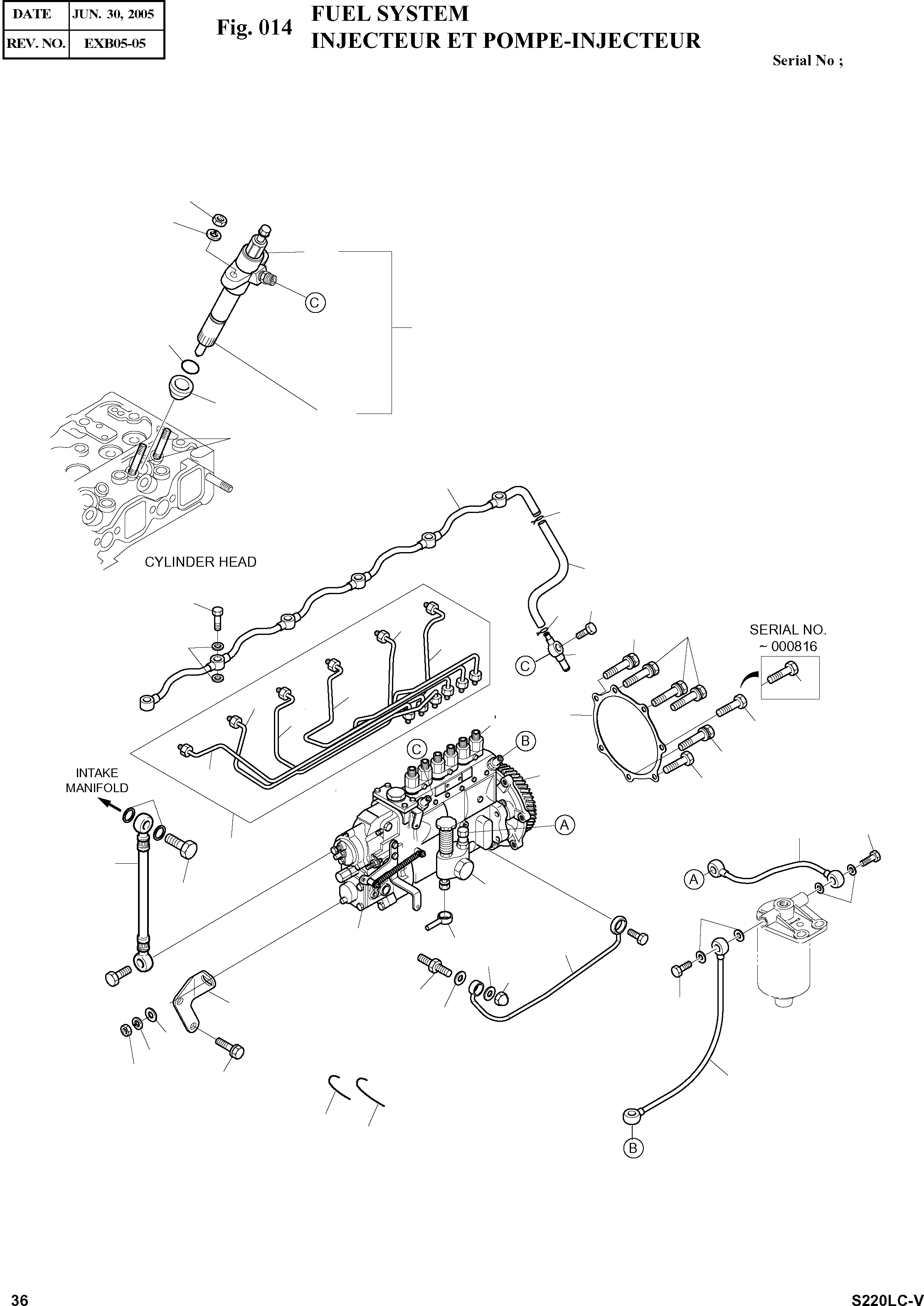
Запчасти Doosan Daewoo FUEL SYSTEM ENGINE PARTS

301B
301C
301E
301D
301A
109
110
103
101
106
104
102
108
507
512
511
508
512
203
402
401
202
509
510
403
204
206
205
411
404
402
207
404
307
505
502
201
305
306
504
506
301
501
308
311
310
309
406
503
311
408
410
409
502
407
303
304
FIT
1:1
100%

Артикул

Название

Примечание

Количество

101

65.10101-7268

NOZZLE HOLDER ASS'Y

SERIAL: 991116

6шт.

101

65.10101-7058

NOZZLE HOLDER ASS'Y

SERIAL: 991117

6шт.

102

65.10102-6054

NOZZLE

desc: . BEC

1шт.

103

65.10115-6004

HOLDER;NOZZLE

SC: D

1шт.

104

65.96507-0044A

RING;SEAL

SERIAL: 010925

6шт.

104

65.96507-0044B

RING;SEAL

SERIAL: 010926

6шт.

106

65.96507-0045

RING;SEAL

SERIAL: 980315

6шт.

106

65.96507-0047

RING;SEAL

SERIAL: 980316

6шт.

108

06.06125-8711

BOLT;STUD

SERIAL: 011201

12шт.

108

65.90201-0099

BOLT;STUD

SERIAL: 011202

12шт.

109

06.11063-8214

NUT;HEX. M8

desc: ECROU

12шт.

110

06.16731-2107

WASHER

desc: RONDELLE

12шт.

201

65.10301-6289

PRESSURE PIPE ASS'Y

SERIAL: 991201

1шт.

201

65.10301-6072

PRESSURE PIPE ASS'Y

SERIAL: 991202

1шт.

202

65.10301-5318

PIPE;INJECTION(1 CYLINDER)

SC: D

1шт.

203

65.10301-5319

PIPE;INJECTION(2 CYLINDER)

SC: D

1шт.

204

65.10301-5320

PIPE;INJECTION(3 CYLINDER)

SC: D

1шт.

205

65.10301-5321

PIPE;INJECTION(4 CYLINDER)

SC: D

1шт.

206

65.10301-5322

PIPE;INJECTION(5 CYLINDER)

SC: D

1шт.

207

65.10301-5323

PIPE;INJECTION(6 CYLINDER)

SC: D

1шт.

301

65.11101-7664

PUMP;INJECTION

SERIAL: 010326

1шт.

301

65.11101-7327

PUMP;INJECTION

SERIAL: 010327

1шт.

301A

105220-6280

FEED PUMP

desc: . POMPE

1шт.

301B

131150-2620

PLUNGER

desc: . POMPE

6шт.

301C

131110-5520

VALVE;DELIVERY

desc: . POMPE

1шт.

301D

131424-1520

VALVE;OVERFLOW

desc: . POMPE

1шт.

301E

156639-6620

COUPLING

desc: . POMPE

1шт.

303

65.11596-0001

WIRE;SEAL

desc: FIL

3шт.

304

65.11596-0002

WIRE;SEAL

desc: FIL

1шт.

305

65.08301-6010A

HOSE;AIR

desc: TUYAU FLEXIBLE

1шт.

306

65.98150-0053B

SCREW;HOLLOW

desc: VIS CREUSE

1шт.

307

06.56180-0714

RING;SEAL

desc: BAGUE D'ETANCHEITE

2шт.

308

65.05701-5200

PIPE;OIL

desc: CONDUITE

1шт.

309

65.98155-0011

UNION;HOLLOW

desc: GRAISSEUR

1шт.

310

06.12172-9314

NUT;CAP

desc: CHAPEAU DE ECROU

1шт.

311

06.56180-0714

RING;SEAL

desc: BAGUE D'ETANCHEITE

2шт.

401

06.01913-3122

BOLT ASS'Y M8X55

desc: BOULON A 6 PANS

1шт.

402

06.01913-3124

BOLT ASS'Y M8X65

desc: BOULON A 6 PANS

4шт.

403

06.01283-7126

BOLT ASS'Y

SERIAL: 000816

1шт.

404

06.01283-7128

BOLT;HEX. M8X85

SERIAL: 000816

1шт.

404

06.01283-7128

BOLT;HEX. M8X85

SERIAL: 000817

2шт.

406

65.11401-0002C

BRACKET;REAR

desc: SUPPORT

1шт.

407

06.01953-3213

BOLT ASS'Y M10X1.25X20

desc: BOULON A 6 PANS

2шт.

408

06.15010-2312

WASHER;PLAIN

desc: RONDELLE

1шт.

409

06.11063-9215

NUT M10X1.25

desc: ECROU

1шт.

410

06.16731-2108

WASHER;SPRING

desc: RONDELLE

1шт.

411

65.11902A0001

GASKET;INJECTION PUMP

desc: JOINT

1шт.

501

65.12301-5022

PIPE;FUEL(RETURN)

desc: CANALISATION DE GAZOLE

1шт.

502

65.96341-0100

HOSE;FUEL

desc: TUYAU A GAZOLE

2шт.

503

06.78144-2204

SCREW;HOLLOW

desc: VIS CREUSE

1шт.

504

65.96507-0043

RING;SEAL

desc: BAGUE D'ETANCHEITE

2шт.

505

06.78144-2204

SCREW;HOLLOW

desc: VIS CREUSE

1шт.

506

65.96507-0043

RING;SEAL

desc: BAGUE D'ETANCHEITE

2шт.

507

65.12301-5824

PIPE;FUEL

desc: CANALISATION DE GAZOLE

1шт.

508

65.98150-0015B

SCREW;HOLLOW

desc: VIS CREUSE

6шт.

509

06.56180-0712

RING;SEAL A8X14

desc: BAGUE D'ETANCHEITE

12шт.

510

65.12301-5825

PIPE;FUEL(RETURN)

desc: CANALISATION DE GAZOLE

1шт.

511

65.96301-0176

HOSE;RUBBER

desc: TUYAU FLEXIBLE

1шт.

512

65.97401-0089

CLIP

desc: ATTACHE

2шт.

513

65.97460-0002

CABLE TIA

desc: CABLE TIA

1шт.

Выбрано товаров: 60