Запчасти Doosan Daewoo MAIN PIPING(5)-TRAVEL BODY PARTS

4
33
34
5
34
34
33
31
28
34
33
33
34
33
33
28
34
34
28
6
33
7
34
28
31
31
31
FIT
1:1
100%

Артикул

Название

Примечание

Количество

-

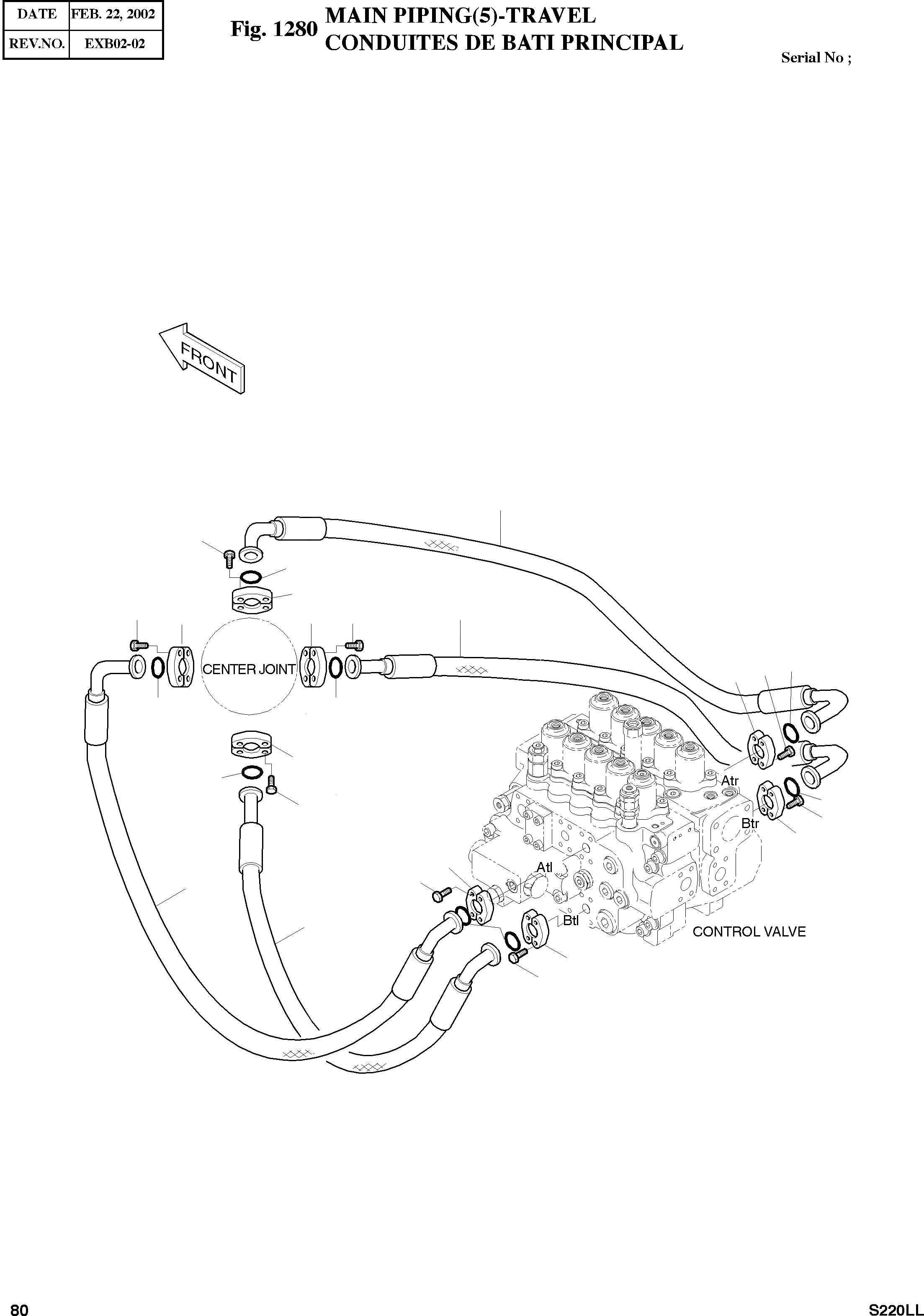
2400-1759A

MAIN PIPING

SERIAL: 1001-1009

-2шт.

-

2400-1759B

MAIN PIPING

SERIAL: 1010-1038

-2шт.

-

400-00242

MAIN PIPING

SERIAL: 1039

-2шт.

4

2184-1124D134

HOSE PF3/4-1650L

desc: TUYAU FLEXIBLE

1шт.

5

2184-1100D130

HOSE PF3/4-1400L

desc: TUYAU FLEXIBLE

1шт.

6

2184-1124D135

HOSE PF3/4-1450L

desc: TUYAU FLEXIBLE

1шт.

7

2184-1100D139

HOSE PF3/4-1250L

desc: TUYAU FLEXIBLE

1шт.

28

S2212261

BOLT;SOCKET M10X1.5X30

SERIAL: 1001-1080

16шт.

28

S2212266

BOLT;SOCKET M10X1.5X30

SERIAL: 1081

16шт.

31

S2212061

BOLT;SOCKET M10X1.5X25

SERIAL: 1001-1080

16шт.

31

S2212066

BOLT;SOCKET M10X1.5X25

SERIAL: 1081

16шт.

33

2180-1026D2

O-RING

desc: JOINT TORIQUE

8шт.

34

2181-9079

FLANGE;SPLIT

desc: FLASQUE EN DEUX PARTIES

16шт.

Выбрано товаров: 13