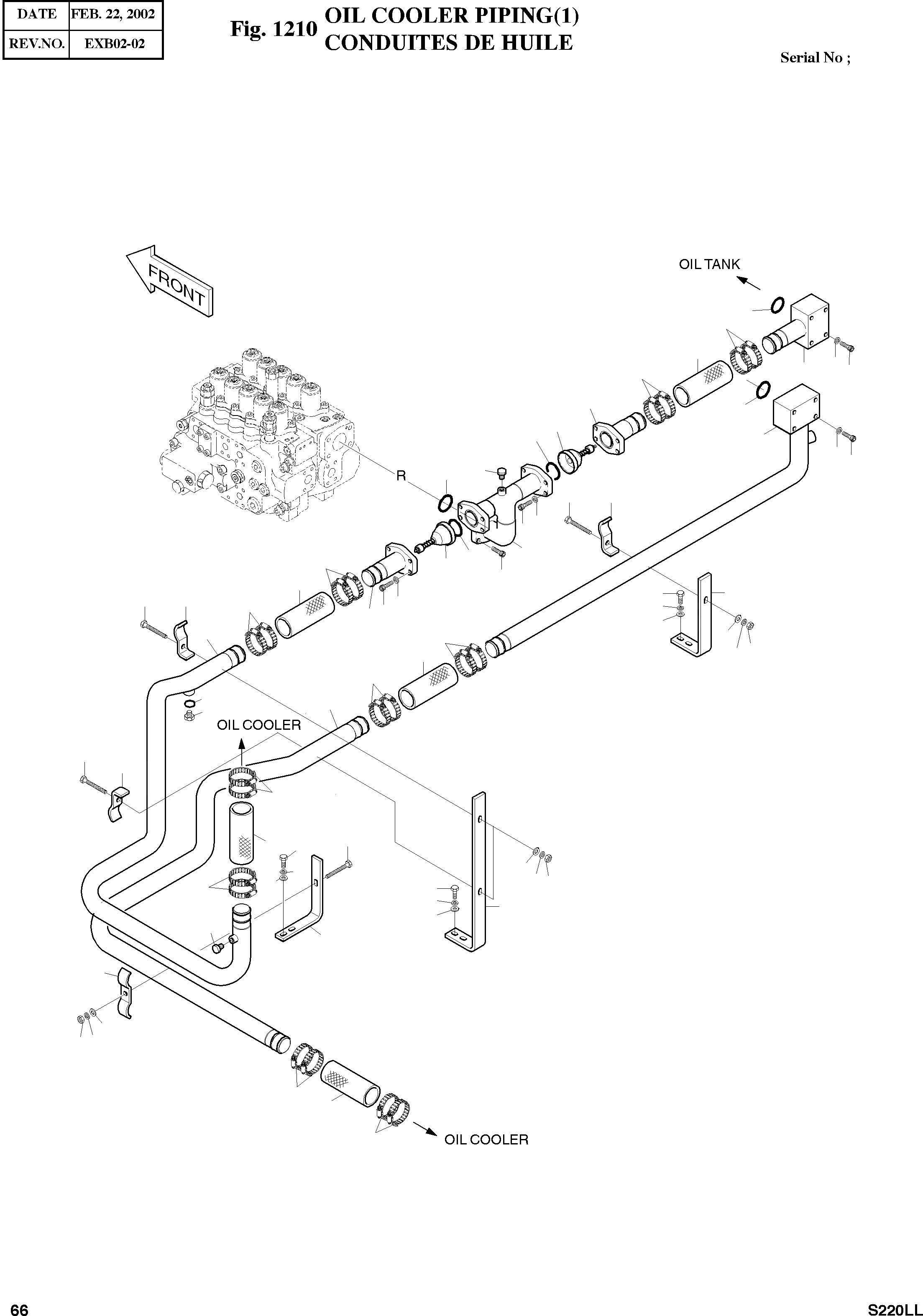
Запчасти Doosan Daewoo OIL COOLER PIPING(1) BODY PARTS

32
42
14
37
2
42
33
3
32
15
34
7
37
33
45
34
39
19
37
35
4
34
42
16
31
14
46
17
39
19
37
42
37
35
3
36
5
42
36
40
14
37
42
25
6
43
39
19
42
53
14
38
36
37
37
40
36
38
42
37
18
36
45
47
44
36
37
40
42
14
42
FIT
1:1
100%

Артикул

Название

Примечание

Количество

-

2400-1768A

OIL COOLER PIPING

SERIAL: 1001-1009

-2шт.

-

2400-1768B

OIL COOLER PIPING

SERIAL: 1010

-2шт.

2

2140-1186A

PIPE

desc: TUYAU

1шт.

3

2140-1185A

PIPE

desc: TUYAU

2шт.

4

2140-1184A

PIPE

desc: TUYAU

1шт.

5

2140-1249A

PIPE

desc: TUYAU

1шт.

6

2140-1250A

PIPE

desc: TUYAU

1шт.

7

2140-1187A

PIPE

desc: TUYAU

1шт.

14

2185-1002D94

HOSE 200L

SERIAL: 1001-1020

5шт.

14

2185-1776D2

HOSE

SERIAL: 1021

5шт.

15

2420-1125A

VALVE;BY-PASS

SERIAL: 1001-1045

1шт.

15

2420-1125B

VALVE;BY-PASS

SERIAL: 1046

1шт.

16

2420-1124A

VALVE;BY-PASS

SERIAL: 1001-1045

1шт.

16

2420-1124B

VALVE;BY-PASS

SERIAL: 1046

1шт.

17

2891-1093A

PLATE

desc: PLAQUE

1шт.

18

2197-1458A

BRACKET

desc: SUPPORT

1шт.

19

2124-1224D2

CLAMP;PIPE

desc: ATTACHE DE TUYAU

3шт.

25

S8000291

O-RING

desc: JOINT TORIQUE

1шт.

31

S2215361

BOLT;SOCKET M12X1.75X35

desc: BOULON A 6 PANS CREUX

4шт.

32

2180-1026D28

O-RING

desc: JOINT TORIQUE

2шт.

33

S0561253

BOLT M12X1.75X75

desc: BOULON A 6 PANS

8шт.

34

2180-1026D27

O-RING

desc: JOINT TORIQUE

3шт.

35

S0560953

BOLT M12X1.75X60

desc: BOULON A 6 PANS

8шт.

36

S5010713

WASHER;PLAIN M12

desc: RONDELLE

10шт.

37

S5102703

WASHER;SPRING

desc: RONDELLE ELASTIQUE

26шт.

38

S0560553

BOLT M12X1.75X40

desc: BOULON A 6 PANS

4шт.

39

S0561353

BOLT M12X1.75X80

desc: BOULON A 6 PANS

3шт.

40

S4012733

NUT M12X1.75

desc: ECROU

4шт.

42

S8450053

CLAMP;HOSE

desc: COLLIER

20шт.

43

2181-1950D9

PLUG

desc: BOUCHON

1шт.

44

2124-1340D6

CLAMP;PIPE

desc: ATTACHE DE TUBE

1шт.

45

2181-2047A

PLUG

desc: BOUCHON

2шт.

46

S0515253

BOLT M12X1.75X30

desc: BOULON A 6 PANS

2шт.

47

2891-1367

PLATE

SERIAL: 1001-1073

1шт.

47

2891-1367A

PLATE

SERIAL: 1074

1шт.

53

S0561553

BOLT M12X1.75X90

desc: BOULON A 6 PANS

1шт.

Выбрано товаров: 36