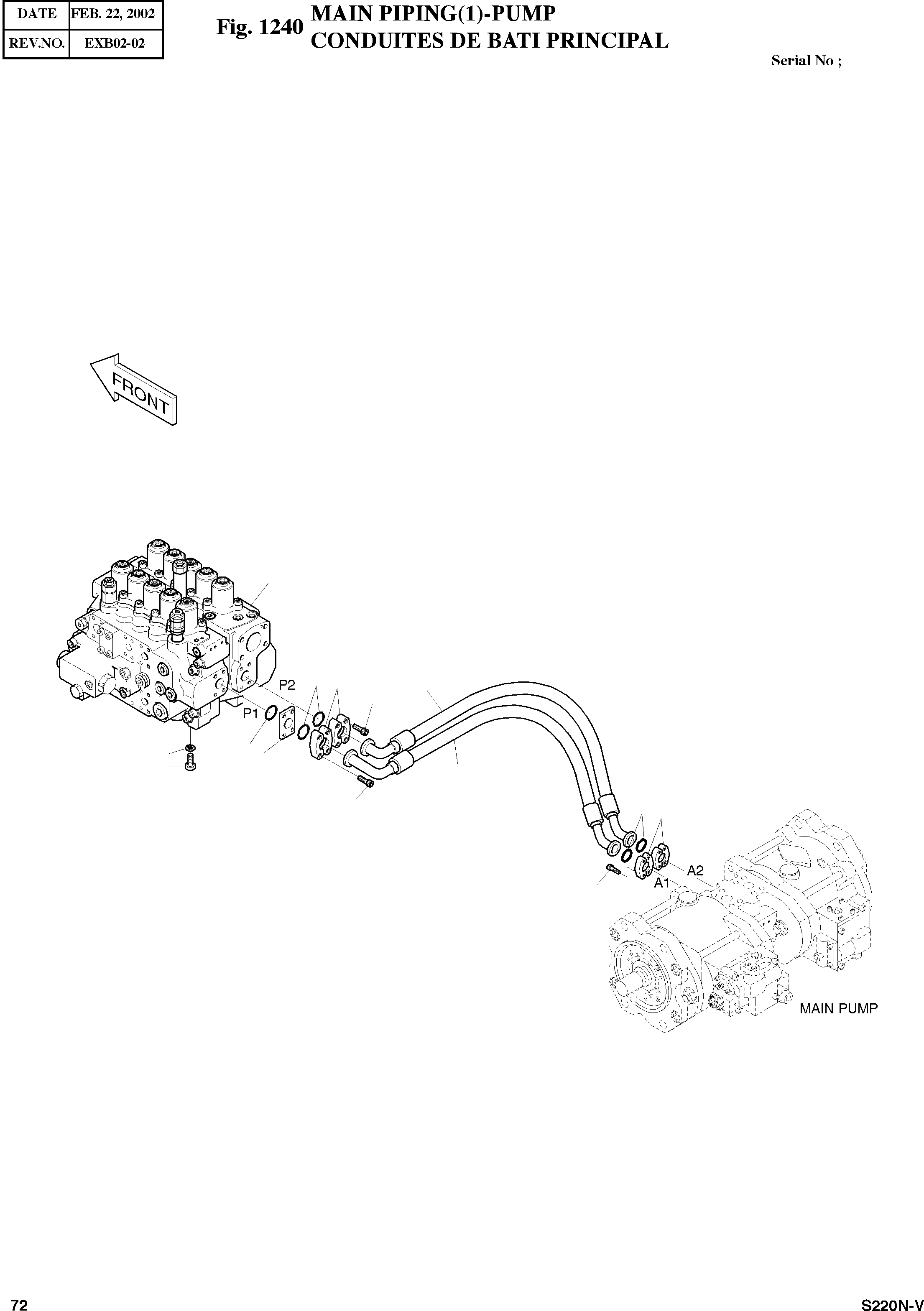
Запчасти Doosan Daewoo MAIN PIPING(1)-PUMP BODY PARTS

19
29
30
9
28
29
20
38
8
33
26
35
28
1
FIT
1:1
100%

Артикул

Название

Примечание

Количество

-

2400-2065A

MAIN PIPING

SC: D

-2шт.

1

2426-1223B

VALVE;CONTROL

SERIAL: 1001-1055

1шт.

1

2426-1223C

VALVE;CONTROL

SERIAL: 1056-1066

1шт.

1

426-00064

VALVE;CONTROL

SERIAL: 1067

1шт.

8

2184-1288

HOSE PF3/4-950L

desc: TUYAU FLEXIBLE

1шт.

9

2184-1289

HOSE PF3/4-970L

desc: TUYAU FLEXIBLE

1шт.

19

S0515353

BOLT M12X1.75X35

desc: BOULON A 6 PANS

4шт.

20

S5102703

WASHER;SPRING M12

desc: RONDELLE ELASTIQUE

4шт.

26

S2212461

BOLT;SOCKET M10X1.5X40

SERIAL: 1001-1238

4шт.

26

S2212466

BOLT;SOCKET M10X1.5X40

SERIAL: 1239

4шт.

28

S2212261

BOLT;SOCKET M10X1.5X30

SERIAL: 1001-1238

12шт.

28

S2212266

BOLT;SOCKET M10X1.5X30

SERIAL: 1239

12шт.

29

2180-1026D19

O-RING

desc: JOINT TORIQUE

3шт.

30

2181-9078

FLANGE;SPLIT

desc: FLASQUE EN DEUX PARTIES

4шт.

33

2180-1026D2

O-RING

desc: JOINT TORIQUE

2шт.

35

2181-9080

FLANGE;SPLIT

desc: FLASQUE EN DEUX PARTIES

4шт.

38

2181-2620

BLOCK

desc: BLOC

1шт.

Выбрано товаров: 17