Запчасти Doosan Daewoo REGULATOR HYDRAULIC PARTS

734
651
653
654
652
836
601
624
755
655
875
874
629
897
641
628
612
412
858
814
630
614
925
631
801
615
613
898
732
611
627
732
674
733
756
763
887
626
621
625
622
623
413
438
735
439
646
438
656
924
801
728
643
708
644
645
725
730
496
722
436
724
FIT
1:1
100%

Артикул

Название

Примечание

Количество

-

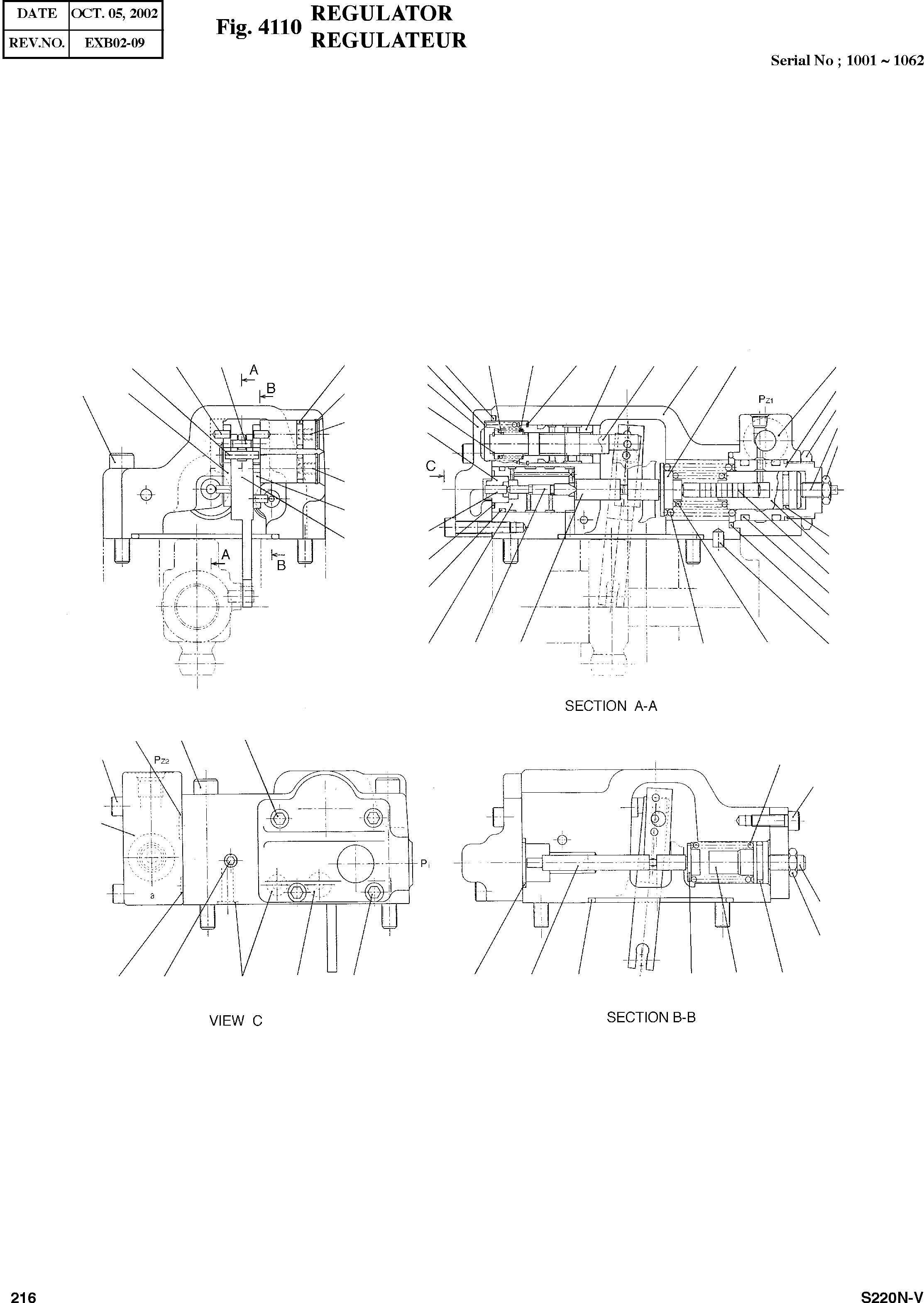
293G-HN0F

REGULATOR

SERIAL: 1001-1062

2шт.

412

OSBM850

BOLT;SOCKET M8X50

desc: BOULON A 6 PANS CREUX

2шт.

413

OSBM870

BOLT;SOCKET M8X70

desc: BOULON A 6 PANS CREUX

2шт.

436

OSBM630

BOLT;SOCKET M6X30

desc: BOULON A 6 PANS CREUX

2шт.

438

OSBM620

BOLT;SOCKET M6X20

desc: BOULON A 6 PANS CREUX

6шт.

439

OSBM640

BOLT;SOCKET M6X40

desc: BOULON A 6 PANS CREUX

4шт.

466

OVP14

PLUG

REP_PNO: 108844

1шт.

496

PBP116-2403

PLUG

desc: BOUCHON

5шт.

601

2923801016

CASING

SC: D

1шт.

611

2953802680

LEVER;FEEDBACK

SC: D

1шт.

612

2953801683

LEVER(1)

SC: D

1шт.

613

2953801684

LEVER(2)

SC: D

1шт.

614

2953801685

PLUG;CENTER

SC: D

1шт.

615

2953801686

PLUG;ADJUST

SC: D

1шт.

621

2953801687

PISTON;COMPEN

SC: D

1шт.

622

2953801688

CASE;PISTON

SC: D

1шт.

623

2953801689

ROD;COMPEN

SC: D

1шт.

624

2953801690

SEAT;SPRING

SC: D

1шт.

625

2953801828

SPRING;OUTER

SC: D

1шт.

626

2953801692

SPRING;INNER

SC: D

1шт.

627

2933180-0035

RING;ADJUST(C)

SC: D

1шт.

628

2953802074

SCREW;ADJUST(C)

SC: D

1шт.

629

2933801153

COVER(C)

SC: D

1шт.

630

2953801695

NUT;LOCK

SC: D

1шт.

631

2903380-0037

SLEEVE;PF

SC: D

1шт.

641

2943800532

COVER;PILOT

SC: D

1шт.

643

2953801698

PISTON;PILOT

SC: D

1шт.

644

2953801699

SEAT;SPRING

SC: D

1шт.

645

2953801700-3

RING;ADJUST(Q)

SC: D

1шт.

646

2953801835

SPRING;PILOT

SC: D

1шт.

651

2943800521

SLEEVE

SC: D

1шт.

652

2953801706

SPOOL

SC: D

1шт.

653

2953801707

SPRING;SEAT

SC: D

1шт.

654

2953801746

SPRING;RETURN

SC: D

1шт.

655

2953801709

SPRING;SET

SC: D

1шт.

656

2924750-0294

PLATE;POWER SHIFT

SC: D

1шт.

674

2924550-0019

PISTON

SC: D

1шт.

708

OORBG75

O-RING 1BG-75

SC: K

1шт.

722

OORBP6

O-RING 1BP-6

REP_PNO: 201757

3шт.

724

OORBP8

O-RING 1BP-8

SC: K

9шт.

725

OORBP10

O-RING 1BP-10

SC: K

1шт.

728

OORBP18

O-RING 1BP-18

REP_PNO: 220015

1шт.

730

OORBP22

O-RING 1BP-22

SC: K

1шт.

732

OORBP16

O-RING 1BP-16

REP_PNO: 201706

2шт.

733

OORBP20

O-RING 1BP-20

REP_PNO: 201713

2шт.

734

OORBG25

O-RING 1BP-25

SC: K

1шт.

735

OORBP1250

O-RING 1BP-12.5

SC: K

1шт.

755

OORBP11

O-RING 1BP-11

REP_PNO: 201689

2шт.

756

OORBP26

O-RING 1BP-26

SC: K

2шт.

763

OORBG35

O-RING 1BG-35

REP_PNO: 201660

1шт.

801

ORNM8

NUT M8

desc: ECROU

2шт.

814

OSR10

RING;SNAP

desc: BAGUE D'ARRET S6500450

1шт.

836

PWR20

RING;SNAP

REP_PNO: 115350

1шт.

858

ORR15

RING;SNAP

desc: BAGUE

2шт.

874

PJR411

PIN D4X11.7L

SC: D

1шт.

875

PJR408

PIN

SC: D

4шт.

887

2953801817

PIN

SC: D

1шт.

897

PJR419

PIN D4X19L

SC: D

1шт.

898

2924550-0013

PIN D4X8L

SC: D

1шт.

924

PSSSM820

SCREW;SET

desc: VIS

1шт.

925

2953801773

SCREW;ADJUST(QI)

SC: D

1шт.

Выбрано товаров: 61