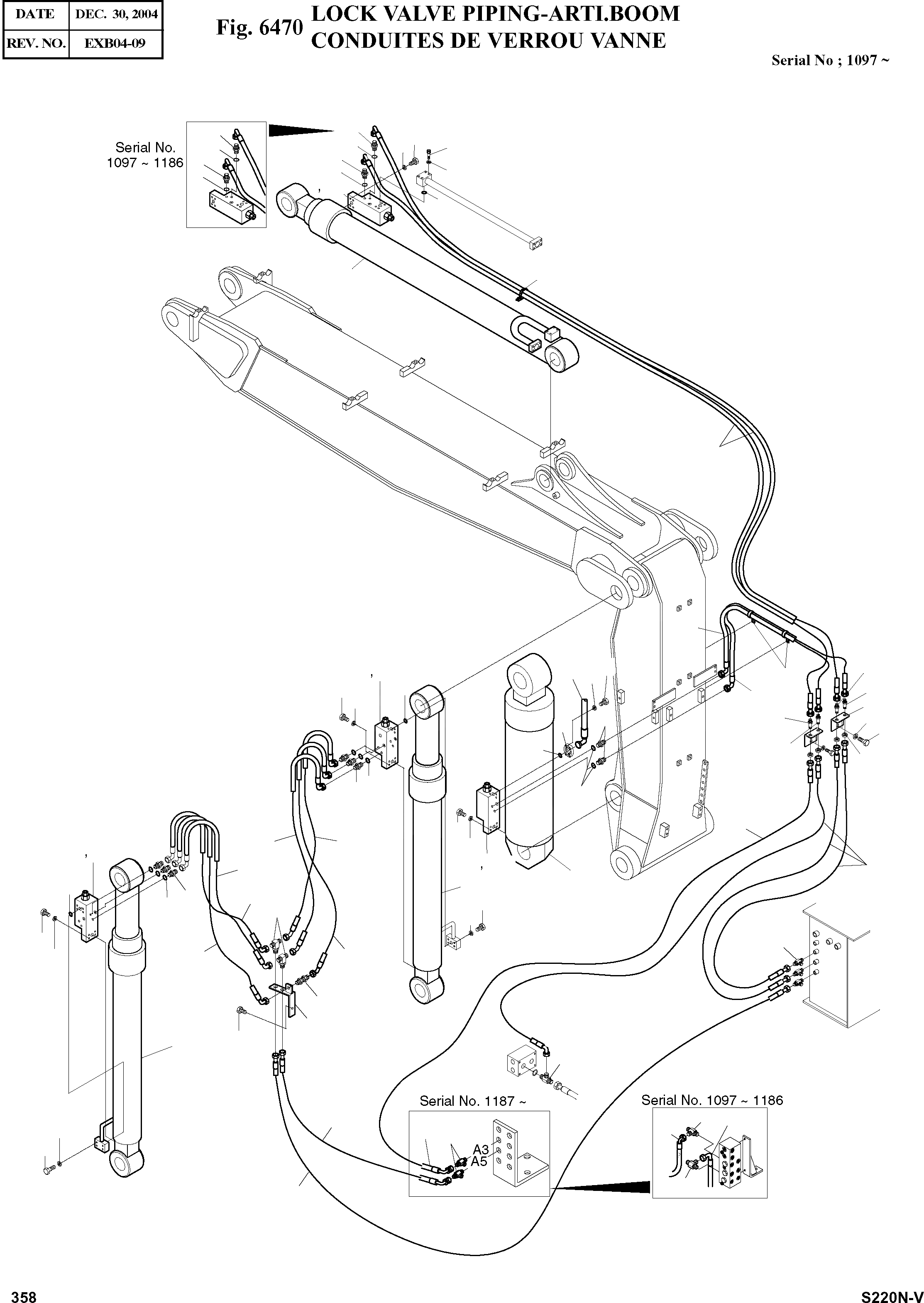
Запчасти Doosan Daewoo LOCK VALVE PIPING-ARTI.BOOM OPTION PART

42
7
3
8
4
8
5
42
7
4
8
8
2
6
1
24
30
32
20
38
43
18
39
40
17
10
31
18
16
9
43
7
12
19
11
10
21
41
8
7
8
34
16A
36
36
16A
16
33
20
36
15
18
40
36
16
7
8
26
16A
28
17
37
37
18
25
22
23
13
29
27
34
45
35
18
34
44
17
29
35
2A
14
17
18
FIT
1:1
100%

Артикул

Название

Примечание

Количество

-

400-00341

LOCK VALVE PIPING

SERIAL: 1097

-2шт.

1

2440-6493C

CYLINDER;ARM

desc: VERIN DE BALANCIER

1шт.

2

420-00004A

VALVE;LOCK

desc: VANNE

1шт.

2A

K9000999

SEAL KIT

desc: . KIT DE JOINT

1шт.

3

S2215761

BOLT M12X1.75X55

SERIAL: 1097-1238

4шт.

3

S2215766

BOLT M12X1.75X55

SERIAL: 1239

4шт.

4

S5110701

WASHER;SPRING M12

SERIAL: 1097-1238

8шт.

4

S5110703

WASHER;SPRING M12

SERIAL: 1239

8шт.

5

S2215861

BOLT:SOCKET M12X1.75X60

SERIAL: 1097-1238

4шт.

5

S2215866

BOLT:SOCKET M12X1.75X60

SERIAL: 1239

4шт.

6

S8000341

O-RING

desc: JOINT TORIQUE

1шт.

7

2181-1126D14

ADAPTER PF1/4-PF1/4

SERIAL: 1097-1186

10шт.

7

2181-1126D14

ADAPTER PF1/4-PF1/4

SERIAL: 1187

8шт.

8

S8000111

O-RING

desc: JOINT TORIQUE

10шт.

9

195-00163

BRACKET

desc: SUPPORT

2шт.

10

181-00078D5

ADAPTER PF1/4-PF3/8

SERIAL: 1097-1186

4шт.

10

181-00078D5

ADAPTER PF1/4-PF3/8

SERIAL: 1187

2шт.

11

S0562761

BOLT M14X2.0X40

SERIAL: 1097-1238

4шт.

11

S0562766

BOLT M14X20.X40

SERIAL: 1239

4шт.

12

S5102801

WASHER;SPRING M14

desc: RONDELLE ELASTIQUE

4шт.

13

440-00182

CYLINDER;BOOM(L.H)

SERIAL: 1097-1186

1шт.

13

440-00182A

CYLINDER;BOOM(L.H)

SERIAL: 1187-1209

1шт.

13

440-00333

CYLINDER;BOOM(L.H)

SERIAL: 1210

1шт.

14

440-00183

CYLINDER;BOOM(R.H)

SERIAL: 1097-1186

1шт.

14

440-00183A

CYLINDER;BOOM(R.H)

SERIAL: 1187-1209

1шт.

14

440-00334

CYLINDER;BOOM(R.H)

SERIAL: 1210

1шт.

15

440-00184

CYLINDER;ARTI. BOOM

SERIAL: 1097-1209

1шт.

15

440-00332

CYLINDER;ARTI. BOOM

SERIAL: 1210

1шт.

16

420-00003A

VALVE;LOCK

SERIAL: 1097-1186

3шт.

16

420-00226

VALVE;LOCK

SERIAL: 1187

3шт.

16A

K9000998

SEAL KIT

desc: . KIT DE JOINT

1шт.

17

S2212666

BOLT;SOCKET M10X1.5X50

SERIAL: 1097-1186

20шт.

17

S2212766

BOLT;SOCKET M10X1.5X55

SERIAL: 1187

20шт.

18

S5110611

WASHER;SPRING M10

SERIAL: 1097-1238

24шт.

18

S5110613

WASHER;SPRING M10

SERIAL: 1239

24шт.

19

2181-9080

FLANGE;SPLIT

desc: FLASQUE EN DEUX PARTIES

2шт.

20

S2212361

BOLT;SOCKET M10X1.5X35

SERIAL: 1097-1238

4шт.

20

S2212366

BOLT;SOCKET M10X1.5X35

SERIAL: 1239

4шт.

21

2180-1026D2

O-RING

desc: JOINT TORIQUE

1шт.

22

197-00022

SUPPORT

desc: SUPPORT

1шт.

23

S0561353

BOLT M12X1.75X80

desc: BOULON A 6 PANS

1шт.

24

2124-1084D2

CLIP;BAND 150L

desc: ATTACHE

30шт.

25

181-00020

ADAPTER PF1/4-PF1/4

desc: RACCORD ADAPTATEUR

1шт.

26

181-00008

TEE PF1/4-PF1/4-PF3/8

desc: TE

2шт.

27

2181-1951D16

TEE PF3/8-PF3/8-PF3/8

SERIAL: 1097-1186

2шт.

27

2181-1951D16

TEE PF3/8-PF3/8-PF3/8

SERIAL: 1187

1шт.

28

2181-2375D6

TEE PF1/4-PF1/4-PF3/8

desc: TE

3шт.

29

2181-1951D14

TEE PF1/4-PF3/8-PF1/4

SERIAL: 1097-1186

2шт.

29

2181-1951D14

TEE PF1/4-PF3/8-PF1/4

SERIAL: 1187

1шт.

30

2184-1046D261

HOSE PF1/4-4800L

SERIAL: 1097-1186

2шт.

30

2184-1046D290

HOSE PF3/8-4800L

SERIAL: 1187

2шт.

31

2184-1046D219

HOSE PF1/4-2100L

desc: TUYAU FLEXIBLE

1шт.

32

2184-1046D120

HOSE PF1/4-1950L

desc: TUYAU FLEXIBLE

1шт.

33

2184-1046D238

HOSE PF3/8-2300L

desc: TUYAU FLEXIBLE

3шт.

34

2184-1046D227

HOSE PF3/8-2600L

SERIAL: 1097-1186

1шт.

34

2184-1060D148

HOSE PF3/8-2600L

SERIAL: 1187

1шт.

35

2184-1046D116

HOSE PF3/8-2000L

SERIAL: 1097-1186

2шт.

35

2184-1046D116

HOSE PF3/8-2000L

SERIAL: 1187

1шт.

36

2184-1062D68

HOSE PF1/4-870L

desc: TUYAU FLEXIBLE

4шт.

37

2184-1076D124

HOSE PF1/4-850L

desc: TUYAU FLEXIBLE

2шт.

38

2184-1202D77

HOSE PF3/4-630L

desc: TUYAU FLEXIBLE

1шт.

39

2124-1353D19

CLIP

desc: ATTACHE

2шт.

40

S8000281

O-RING

desc: JOINT TORIQUE

2шт.

41

121-00010D1

NUT PF3/8

desc: ECROU

4шт.

42

2181-1126D85

ADAPTER PFO1/4-PF3/8

SERIAL: 1187

2шт.

43

181-00078D3

ADAPTER PFO3/8-PF3/8

SERIAL: 1187

2шт.

44

DS2458001

TEE 3PF3/8

SERIAL: 1187

2шт.

45

2184-1060D151

HOSE PF3/8-1950L

SERIAL: 1187

1шт.

Выбрано товаров: 68